Originally posted by Carl-NC
View Post
moodz

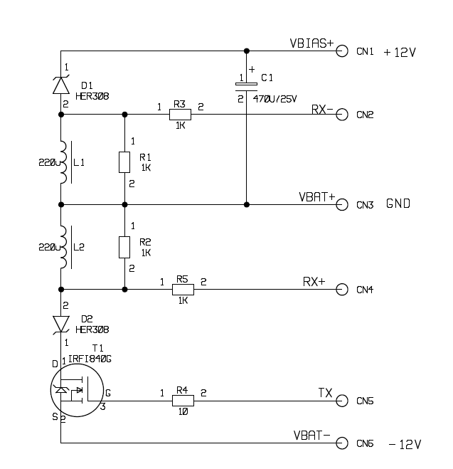
. Now when the centre tap of the coil is connected to ground and the mosfet switches one end of the coil to -ve, the other (unused) end of the coil goes up by the supply voltage above ground for the TX pulse duration. Using a fast, HV diode this can be used to juice a capacitor that holds the +ve bias for the amplification stage! I used an HER308 (3A, 1KV, 50pf, 75ns recovery) diode and it doesn't appear to have any discernible effect on flyback duration. Using the same type of diode in series with the mosfet makes a significant improvement to the flyback duration.


. Now when the centre tap of the coil is connected to ground and the mosfet switches one end of the coil to -ve, the other (unused) end of the coil goes up by the supply voltage above ground for the TX pulse duration. Using a fast, HV diode this can be used to juice a capacitor that holds the +ve bias for the amplification stage! I used an HER308 (3A, 1KV, 50pf, 75ns recovery) diode and it doesn't appear to have any discernible effect on flyback duration. Using the same type of diode in series with the mosfet makes a significant improvement to the flyback duration.
Comment