Originally posted by Mehranfar
View Post
Announcement
Collapse
No announcement yet.
Announcement
Collapse
No announcement yet.
Pulse Star II (first analog version)
Collapse
X
-
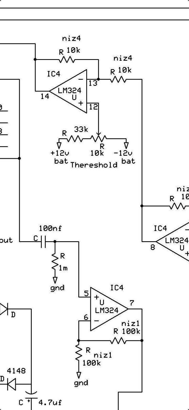
The threshold part on the pcb is connected to gnd but in the schematic to the battery positive!Originally posted by algan View Post
Comment
-
-
Comment
-
-
Those two falls are coming together! On the schematic it is connected!Attached Files
Comment


Comment