Announcement

Collapse
No announcement yet.

Announcement

Collapse
No announcement yet.

RELIC HAWK

Collapse
X
 
  • Filter
  • Time
  • Show
Clear All
new posts

  • I really wanted to stop with revision and redesign of TX in Relic Hawk and wish to start the analysis of its RX. I thought that procedure for TX is understandable. Were created TX circuits, which will work well not only in the Relic Hawk. The redesigned TX circuits are suitable for all CW metal detectors.

    However an incompetent designed TX circuit, published in this thread (post #959) without comment, indicates that participants or did not understand the procedure used for revision and redesign of TX, or reluctant to apply it to an arbitrary CW TX. So let's again make revision and redesign of two TX circuits.

    Here is the original of TX circuit used in VLF770.
    I see an useless resistor 470 ohm, but what are shortcomings of this TX?
    Attached Files

    Comment


    • generator for more then 60Vpp
      Attached Files

      Comment


      • REVISION AND REDESIGN OF AN ARBITRARY TX

        Originally posted by plboy View Post
        generator for more then 60Vpp
        Hi Plboy,
        I agree that this is very powerful generator because of impedance matching. However the efficiency of your circuit is reduced by resistors connected in emitters.

        The following text is continuation of my post #961.

        REVISION AND REDESIGN OF AN ARBITRARY TX

        Every design of an electronic device should start with study what is the best block diagram. Then the designer should make analysis of parameters that need to have each block and next step is to use the most suitable circuit for each block. I guess that professional designers of Relic Hawk have done this.

        When an amateur designer starts to revise and redesign the circuit diagram of an arbitrary metal detector, his first step should be to understand how the block diagram seems. The next step is to compare its block diagram with the best block diagram and to find the differences. The third step is to understand if the suitable circuit for each block is used.

        Here is the best block diagram for a CW TX (Continous Wave or non-modulated transmitter) suitable for metal detectors. It should contain the following blocks:
        (To be continued)
        Attached Files

        Comment


        • Hi mikebg
          Do you make a RH with standart generator? Which type a coil you use? How long distance you can detect 1 Euro in air

          Comment


          • Originally posted by plboy View Post
            Hi mikebg
            Do you make a RH with standart generator? Which type a coil you use? How long distance you can detect 1 Euro in air
            Plboy, your question should be "How to design the most sensitive metal detector?"
            I know the answer because my hobby is design of TXs, RXs and antennas for QRP amateur radio.
            I posted in other threads how seems the most suitable search head for all kind metal detectors. In this thread, I posted the design of most suitable TX for VLF metal detectors. My posts relates to revision, imrovements and redesign of a project, but this information leads step by step to design of most sensitive metal detector.

            Follows continuation of post #963 REVISION AND REDESIGN OF AN ARBITRARY TX
            but note that it contains information HOW TO DESIGN THE BEST TX FOR VLF METAL DETECTORS. See above the best block diagram.

            1. Efficient transmit antenna.
            The efficiency of TX coil is measured in Ampere-turns pro kilogram wire, because the weight of search head is limited. To increase coil efficiency, the designer should increase supply voltage for TX end stage and decrease resistance of TX coil. At given weight limit, the resistance can be decreased when capacitance of LC tank circuit is increased. How this is done in TX circuits of Relic Hawk and VLF770?
            Relic Hawk:
            The TX coil is competent designed because coil resistance is enough low (2 ohm), tank capacitance is enough large(1uF) and TX end stage is powered by whole battery voltage.
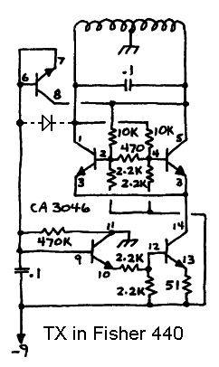
            Fisher 440 and project VLF770:
            This block is incompetent designed. The tank capacitance is too small. That means the weight of TX coil is increased. In project VLF770 only 9V is used to supply TX end stage, despite there are 18V battery rails available.

            2. Antenna matching.
            Most suitable method for matching of TX coil is to use center tap. When TX coil is driven between a lead and center tap, the TX can be designed for almost four times more power relative to circuit without tap. However the battery drain also increases. The center tap makes symmetry which can suppress distortion. To suppress more the second harmonic, we need two pumping transistors connected in push-pull circuit. Note that the additional transistor can not increase the power. It reduces distortion only. How this is designed?
            Relic Hawk:
            Antenna matching with tap is not done.
            Fisher 440 and project VLF770:
            This is done. A center tapped coil is connected in push-pull circuit.

            3. Efficient pumping circuit (end stage of TX).
            An efficient end stage of TX should operate as amplifier class C with duty cicle about 1/3 (ie 33%) or conducting angle about 120 deg . Voltage efficiency of end stage depends on saturation voltage of pumping circuit. Bipolar transistor have enough low saturation voltage. However efficiency decreases when a resistor is connected in emitter path and/or when when two transistors are connected in series. See in post #957 how efficient can operate a simple pumping stage with MOSFET. Let we see how this is designed in both circuits:
            Relic Hawk:
            The TX end stage is incompetent designed because the cascode amplifier has high saturation voltage. SPICE shows that the conducting angle is incorrect designed. That means low efficiency.
            Fisher 440 and project VLF770:
            The end stage also has low efficiency because pumping current pulses flow through two transistors and a resistor connected in series. SPICE shows bad duty cycle (more than 50%). It is difficult to adjust width of pumping pulses in this circuit. There is distortion of pumping pulse because there is no symmetry in amplitude detector. The distortion will disappear when we connect second rectifier diode as shown in post #961.
            (To be continued)
            Attached Files

            Comment


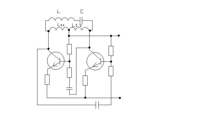
            • There is another way of providing symmetry to a single ended design: capacitors center tap. In effect it is a pi configuration, and it may get a bit asymmetric when powered single ended.
              I played a bit with this idea, and it can yield incredibly simple solutions, such as this one:
              Attached Files

              Comment


              • This is continuation of post #965. Attached is the SPICE file of posted image.

                4. Suitable amplitude detector.
                To maintain amplitude of TX constant, the controller needs information for amplitude of oscillation, ie it needs an amplitude detector. When the circuit has symmetry (push-pull), to suppress more the second harmonic, the amplitude detector should operate as full wave rectifier (see the circuit in post #955). How this is designed?
                Relic Hawk:
                There is no amplitude detector. The information for amplitude is obtained because the P-I controller integrates the negative half-wave. An information error will occur when the negative half-wave is distorted. This is an incompetent design. The ripple of controller output decreased when I formed an amplitude detector by connecting a capacitor after rectifier diode (see C3 in post #937, C4 in post #941).
                Fisher 440 and project VLF770:
                There is an amplitude detector formed by transistor U1c, C6 and R11. However there is no second diode connected to other lead of TX coil as illustrated in the post # 961.

                5. P-I-D controller.
                The P-I-D type control can suppress amplitude modulation most quickly and most accurately.
                A proportional controller can*t maintain the amplitude accurately. For more accuracy it should have very high gain.
                The P-I type controll operates accurately, but not so quickly as the P-I-D controll. However the P-I-controller operates enough well for metal detecting because no need of fastest setting.
                If you need more knowledge for P-I-D control, please visit
                http://www.ecircuitcenter.com/Circuits/pid1/pid1.htm
                How the controller is designed?
                In Relic Hawk:
                SPICE analysis shows that P-I controller used in Relic Hawk operates enough fast, ie it has enough small setting time.
                Fisher 440 and project VLF770:
                The P-controller has low gain. It can't suppress enough the amplitude modulation of TX.

                6. Suitable reference voltage for amplitude comparator.
                I avoided generation of reference voltage by using single supply opamp for P-I controller. In this case the TX coil is connected to its negative supply rail (see posts # and #).
                When TX coil is connected to positive supply rail, I use the Vf of a LED as voltage reference. Depending on color, a LED has Vf in range from 1.7V to 3V.
                Relic Hawk:
                The TX circuit is complicated with using several reference voltages.
                Fisher 440 and project VLF770:
                As reference are used Vf of two emitter junctions. The circuit needs significant modification to adjust duty cycle of pumping pulses.

                CONCLUSION:
                We can make significant improvements in both TX circuits because they are not competent designed.
                Remains to revise and redesign the RX circuit of Relic Hawk.
                Attached Files

                Comment


                • REVISION AND REDESIGN OF RX in Relic Howk

                  Before this, we should know how to make revision and redesign of RX used in an arbitrary metal detector.

                  Part 1. THE MOST SUITABLE BLOCK DIAGRAM for RX
                  Every design of an electronic appliance should start with study and analysis what is the best block diagram.
                  When an amateur designer starts to revise and redesign the circuit diagram of an arbitrary metal detector, he should know the best block diagram, to find and to repair the differences.

                  The sensitivity of a metal detector depends on gain of RFA (radio frequency amplifier). In a competent designed RX, the gain of RFA is limited by interference and internal generated noise.

                  Because of incompetent designed block diagram, the sensitivity of conventional metal detectors is limited by a large AIR&GND signal existing in RX input. Target signal appears as a very small modulation index of existing signal. To avoid saturation of RFA with AIR&GND signal, the incompetent designer should reduce its gain. For example, the gain of RFA used in metal detector C-scope 1220 is only 9 times.
                  A competent designed metal detector should have ABC (Automatic Balance Control) to increase modulation index of TGT signal by suppressing AIR&GND signal in RFA input. Then the RFA can operate with maximal possible gain maintained by AGC (Automatic Gain Control) . The AGC increases gain until output starts to saturate with noise generated by resistors and semiconductors. I posted in the forum an image how seems the RFA output on an oscope when the ABC eliminates AIR&GND signal in input and when the AGC maintains maximal possible gain (when noise peaks start to saturate RFA output).

                  (R)EMI group showed the most suitable block diagram of RX for narrow band metal detectors. The project named GLEANER is a reinvention because removes drawbacks of an invention made by Vaino Ronka and described in US patent 3,614,600. Attached is the invented by Ronka block diagram where several blocks are renamed by (R)EMI group according terms used in amateur radio. Here is a short explanation of block diagram and idea for its improvements:

                  DESCRIPTION for Fig. 5
                  1. Radio Frequency Amplification
                  The RFA is formed by ferrite rod antenna 12, opamps 68 , 72 and subtracting amplifiers 100. All received signals are compensated in the input of RFA by an ABC (Automatic Balance Control). This allows the RFA to operate with extremely high gain because there is no AIR&GND signal to saturate RFA . The gain is limited only by input interference and noise generated in resistors and semiconductors. However there is no AGC (Automatic Gain Control) to maintain the maximal possible gain of RFA (when its output starts to saturate).
                  2. Automatic Balance Control
                  The ABC uses two sine waves in phase quadrature to compensate all input signals with TX frequency. Both compensating waves are generated by carrier recovering section. For this purpose, an additional ferrite rod antenna 14 receives AIR signal. Opamps 80, 84, 88 and 90 produce also two square waves in phase quadrature. They are used as Re and Im reference voltages for synchronous demodulation. Two P-I controllers use demodulated by 106 and 108 signals to control electronic attenuators (potentiometers) M1 and M2 until outputs of 106 and 108 become zero.
                  3. Target signals
                  Outputs 116 (11 and 117 (119) of controllers are used to obtain information for GND signal (because the apparatus is used for prospecting). This not suitable for metal detecting. The TGT signal appears as output of demodulators 106 and 108 (see the explanation below - point 2).

                  IDEA FOR IMPROVEMENTS: 1). AGC. Without AGC, the operator should adjust manually the maximal possible RFA gain according internal noise and environmental EMI in the region. An AGC can maintain the maximal possible RFA gain (near to saturation of its output).
                  2). Low noise RFA circuit. Ronka describes other method for signal subtracting in Fig. 4 with text in column 4 row 37. A 10 ohm resistor pos. 33 connects the cold lead of RX coil to ground. This allows to design low noise preamp connecting RX coil as bandpass filter formed with capacitor 32 to inverting input of opamp 30.
                  3). TGT signal should be taken from outputs of demodulators. Outputs 116 and 117 of controllers are not suitable to obtain TGT signal. This will be a motion type metal detector because P-I controllers maintain zero output of demodulators 106 and 108 and TGT signal exists in outputs of demodulators during setting time of controllers only. To avoid suppression of TGT signal, the controllers should operate slowly (with enough large setting time).
                  4). A twin loop RX coil is necessary to suppress GND signal and EMI.
                  5). No need of antenna 14 for receiving AIR signal because it is not the true carrier signal. The carrier wave is AIR&GND signal received by antenna 12 and it is phase shifted by its LC tank circuit. The TGT signal is shifted by LC tank with the same angle and this eliminates the need of phase stability attributable to conventional metal detectors.
                  6). No need of subtracting amplifiers 100 to eliminate AIR signal because P-I controllers eliminate it in RFA input.
                  7). No need of limiters 104 because this reduces sensitivity to small and deep targets. The limitation of received signal makes ABC and AGC useless.
                  Read also US patent 3,500,175.

                  My next post will contain GLEANER block diagram.
                  Attached Files

                  Comment


                  • Here is the reinvented block diagram of most sensitive metal detector.
                    Attached Files

                    Comment


                    • Please note that this gleaner thing is in effect exactly the same thing as a fine implementation of Costas loop in a metal detector. Actually brilliant solution, even for a IB detector without two box Rx and Tx separation. See the costas loop as a PSK demodulator, it draws only Im signal out at "Demodulated binary output":


                      To extract real part you'd need a lower branch output as well.

                      There is an interesting twist to a Costas loop used for PSK/QPSK demodulation that makes it a real 4-quadrant MD Rx candidate that would sort out coil phases by itself, hence being quite happy with differential coils, and it is configured as follows:


                      See the switch for choosing between PSK and QPSK? As in 2-quadrant/4-quadrant choice. This implementation has limiters, while gleaner has AGC ... same function.

                      I've noted the benefits of this approach some time ago, see http://www.geotech1.com/forums/showt...883#post144883 and of course there is an implementation already that may be radically rejuvenated. I think some soft limiters would provide much better performance than AGC over much larger signal level span. A simple anti parallel diode limiter in a feedback of an op amp nicely compresses over, say, 6 orders of magnitude.

                      Otherwise, yeah, nice catch

                      Comment


                      • Home made.Work.Click image for larger version

Name:	rel=.JPG
Views:	2
Size:	543.4 KB
ID:	341058

                        Comment


                        • In reality-Click image for larger version

Name:	rel1.JPG
Views:	1
Size:	227.4 KB
ID:	341070Click image for larger version

Name:	rel2.JPG
Views:	1
Size:	154.7 KB
ID:	341071

                          Comment


                          • pcb-Click image for larger version

Name:	pcb.JPG
Views:	1
Size:	268.1 KB
ID:	341072

                            Comment


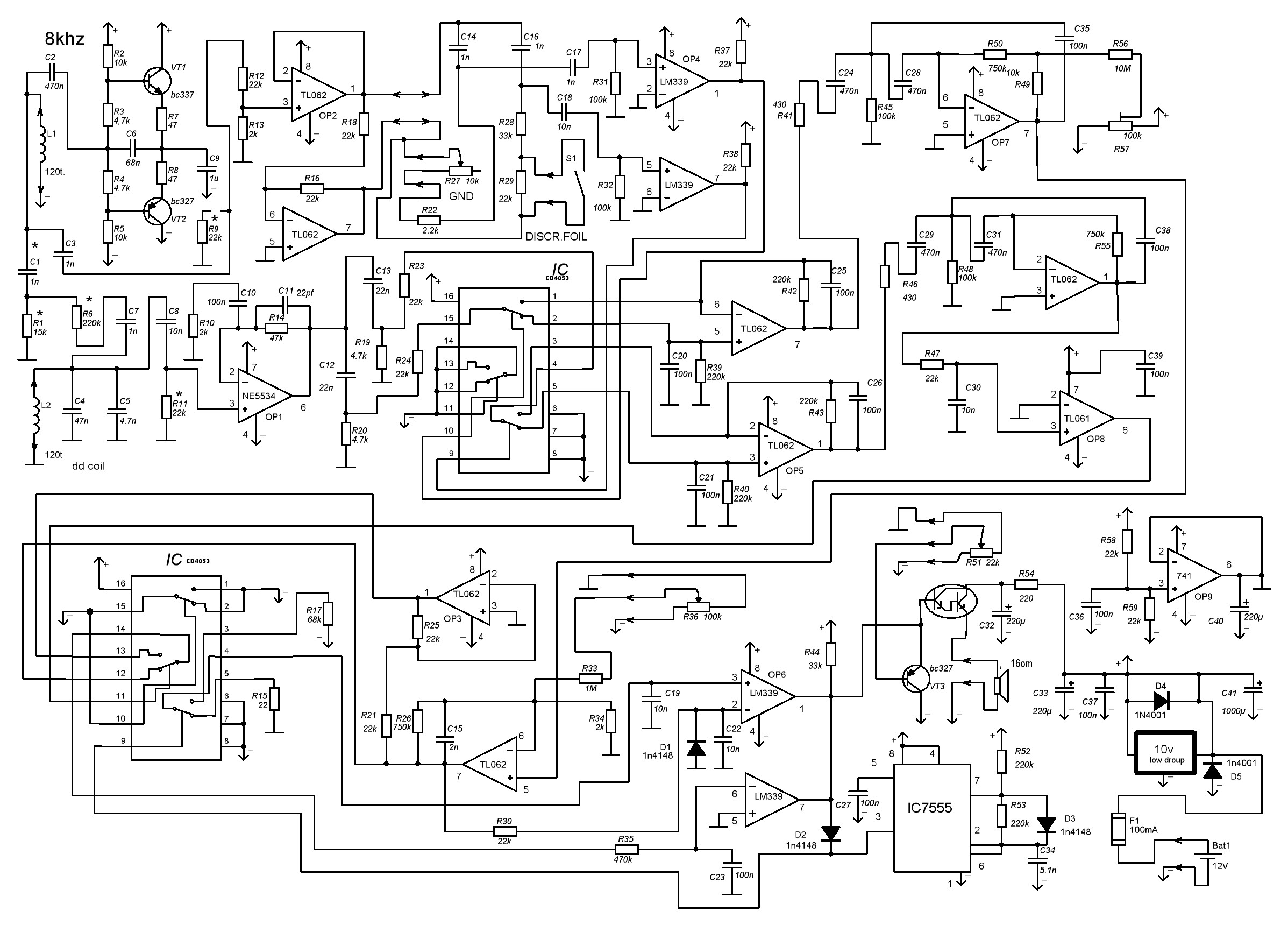
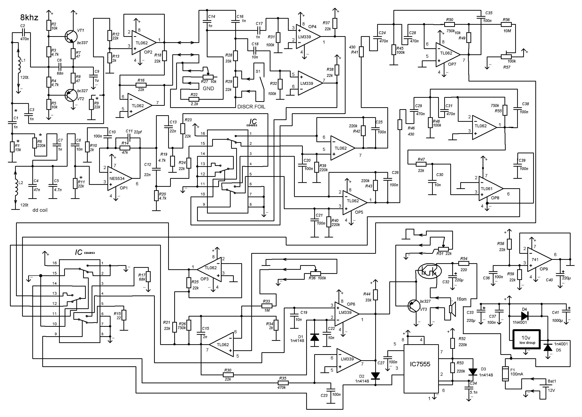
                            • Sacho, Click image for larger version

Name:	Sacho.png
Views:	1
Size:	124.6 KB
ID:	341078 Ok?

                              Comment


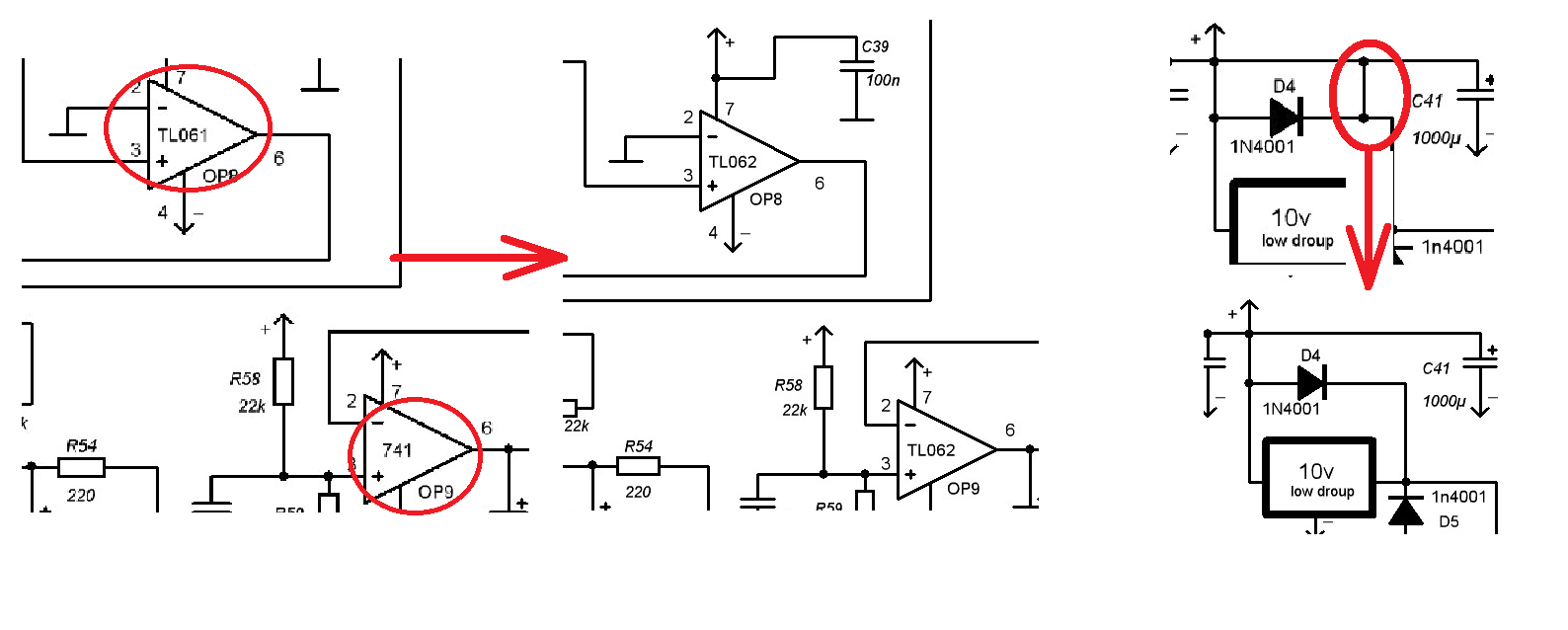
                              • I found only two schematic errors -z54 and C39 connections.
                                Corrected schematic-Click image for larger version

Name:	rel=c.JPG
Views:	1
Size:	421.8 KB
ID:	341079

                                Comment

                                Working...
                                X