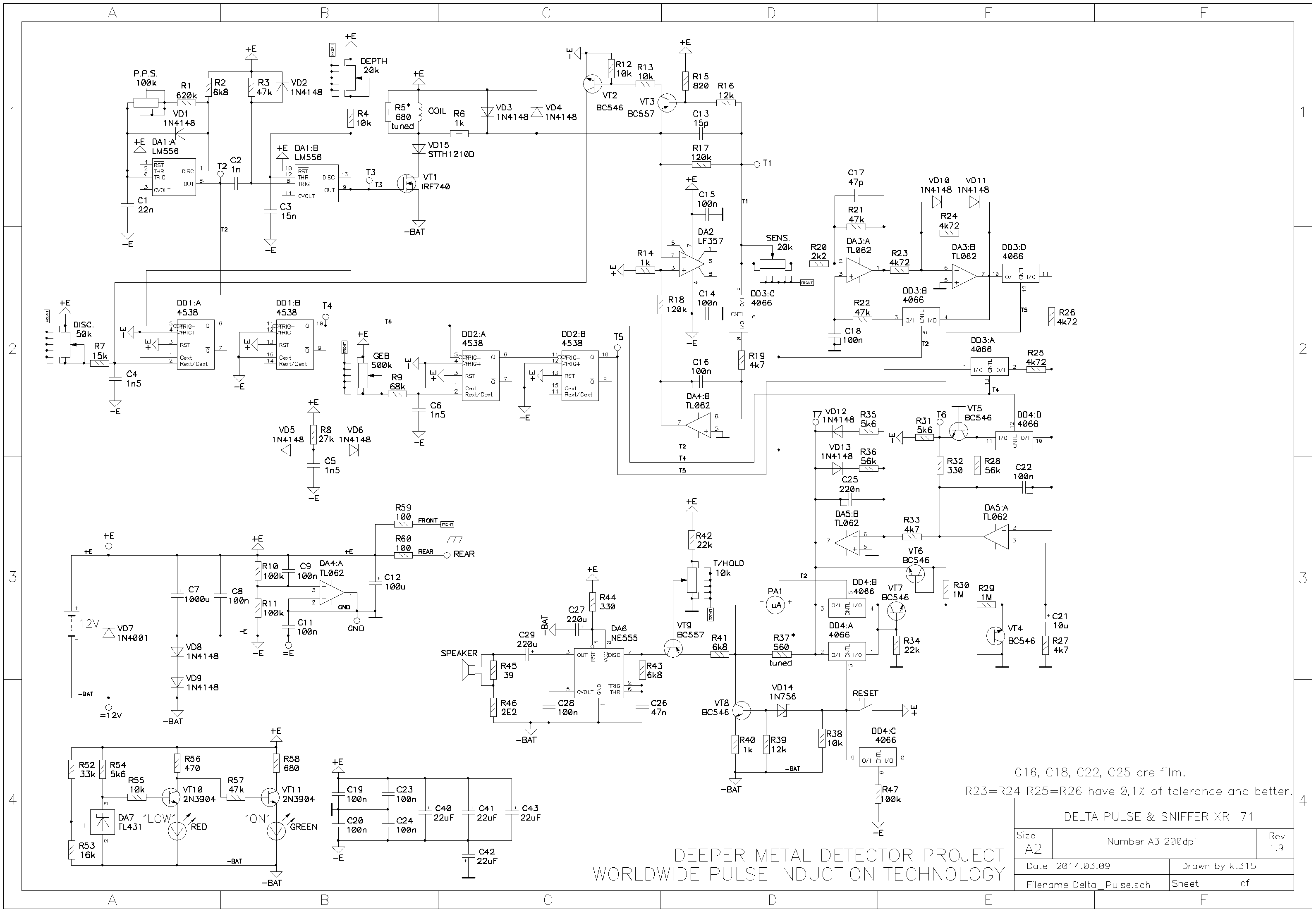
We have built up three detectors. One that SnifferXR71 with 45cm coil and the other two as DeltaPulse with large coil 1X1 m. All works absolutely perfect.
I personally instead of the lm556 I mounted two lm555cn circuits (CMOS) - thus increasing stability;
If you want maximum depth of 1x1 m coil then be supplied with two batteries of 12 V (24 V so) - it's basically just IRF powered by 24V - there is here a scheme Bulgarian pi powered at 24V / are a couple of changes.
Regards
I personally instead of the lm556 I mounted two lm555cn circuits (CMOS) - thus increasing stability;
If you want maximum depth of 1x1 m coil then be supplied with two batteries of 12 V (24 V so) - it's basically just IRF powered by 24V - there is here a scheme Bulgarian pi powered at 24V / are a couple of changes.
Regards

Comment