thank you very much mr kt315.please can you give me the (shematics +pcb for new board that you post .it seems to me easier tham i'm working on.
Announcement
Collapse
No announcement yet.
Announcement
Collapse
No announcement yet.
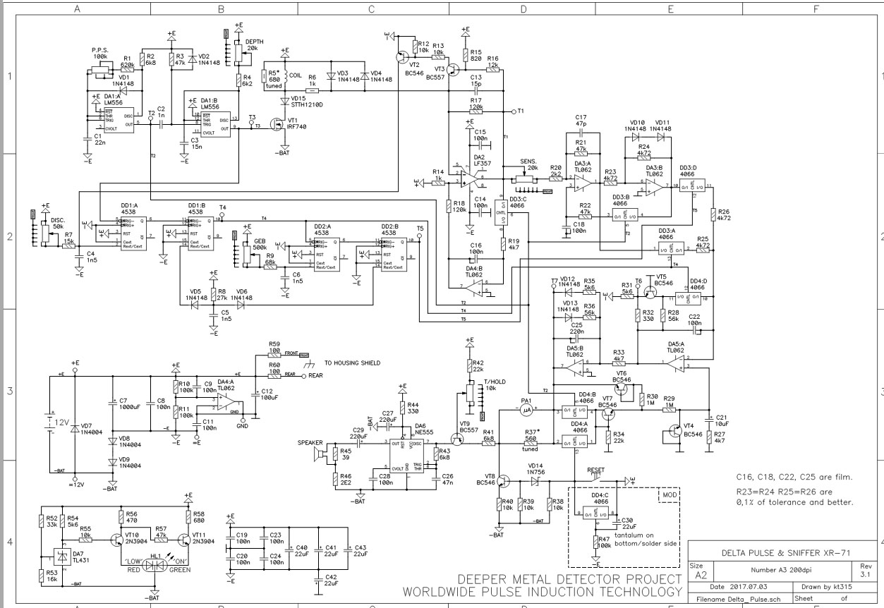
Delta Pulse
Collapse
X
-
the schematic is same left. new -
-- you can set 2 LEDs or bicolor one
-- sockets were changed on another 'pops screw style' type http://www.ebay.com/itm/50pcs-2pins-...gAAOSwpLNX~Lut
-- grid poligons, cause was hard to desolder in some places
-- transistors' position in voltage indicator was fixed
-- general optimization
Comment

Comment