I hate to keep asking small stuff but what is the band colors on the 2e2 r46 that's a hard one for some reason to find I only found 5000 at a time hopefuly I'm wrong.
Announcement
Collapse
No announcement yet.
Announcement
Collapse
No announcement yet.
Delta Pulse
Collapse
X
-
hiOriginally posted by kt315 View Posttry to GRIPE OUT WHAT SECONDARY DELAY makes for. the time. do not be so dummy you are not.
the pot I called also RANGE and now GEB (ground enhanced balance).
i set 500k on minimum ( i set it complete on left position ) . so for reject the ground should change sample delay (500k )to max ?
regards
Edit :
thanks Kt315 , i buy 22mikro and add to my board .and say us about the my result .
can you put here data for pin-pointer coil ?
regards
Comment
-
hi, not on maximum. you have to choice intuitively a position of SECONDARY SAMPLE DELAY, like when you are tuning GEB in VLF detector, at first you switching it in ALL-METALL mode, then you take up and down a coil above and to a ground moving GEB pot. for every position of PRIMARY SAMPLE DELAY you have to find OPTIMAL SECONDARY SAMPLE DELAY position correspondingly. these tunings of both pots will assign the ground balance. for low value of PRIMARY SAMPLE DELAY you will have also low value SECONDARY PULSE DELAY, and hight for hight.
will give pics of the pin-pointer coil tomorrow because have not good lighten conditions now at night.
Comment
-
thanksOriginally posted by kt315 View Posthi, not on maximum. you have to choice intuitively a position of SECONDARY SAMPLE DELAY, like when you are tuning GEB in VLF detector, at first you switching it in ALL-METALL mode, then you take up and down a coil above and to a ground moving GEB pot. for every position of PRIMARY SAMPLE DELAY you have to find OPTIMAL SECONDARY SAMPLE DELAY position correspondingly. these tunings of both pots will assign the ground balance. for low value of PRIMARY SAMPLE DELAY you will have also low value SECONDARY PULSE DELAY, and hight for hight.
will give pics of the pin-pointer coil tomorrow because have not good lighten conditions now at night.
i try like your guide tomorrow . i hope i can adjust it by GEB pot .i add 22mikro tantal and test it too .
regards
Comment
-
Ground Effect
hi kt315 and guru
i don't success reject ground effect , by only GEB pot . i take video and send here .
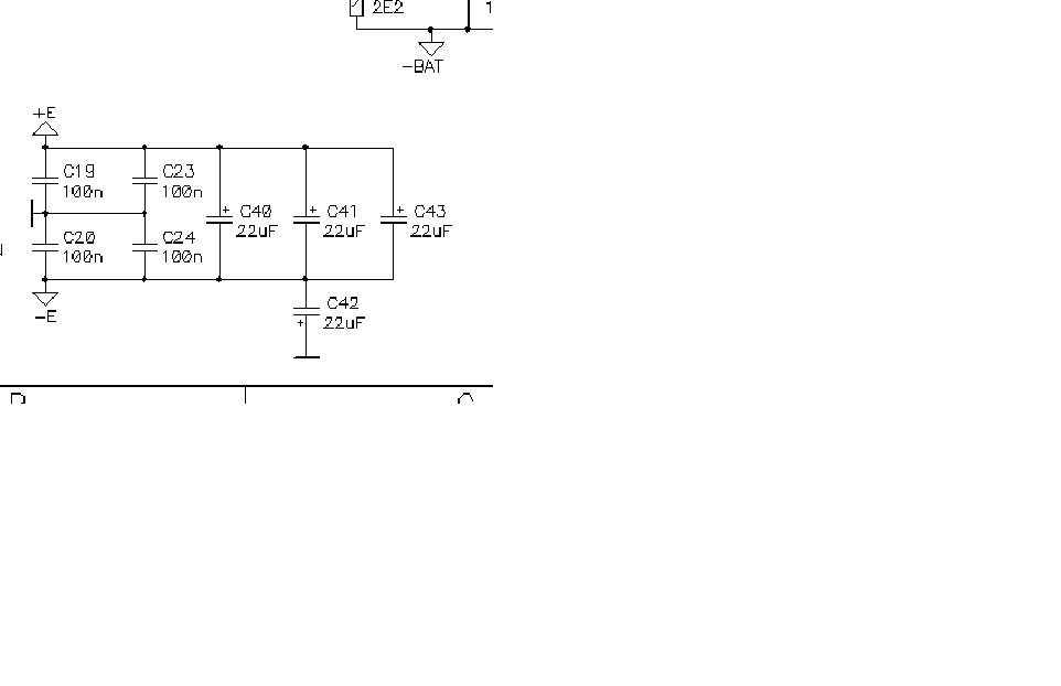
for tantalum caps i parallel tree and next series to one cap
( like schematic but i add like your image now ) , and i think add wrong C19 ,C20 , C23 and C24
.
Excuse form my English in video
http://p30up.ir/images/7vphmysxfesq1o2rfbnt.rar
regards
if possible for you certain these caps where add to PCB .
regards
Comment
-
Mohandes friendOriginally posted by mohandes View Posthi kt315 and guru
i don't success reject ground effect , by only GEB pot . i take video and send here .
for tantalum caps i parallel tree and next series to one cap
( like schematic but i add like your image now ) , and i think add wrong C19 ,C20 , C23 and C24
.
Excuse form my English in video
http://p30up.ir/images/7vphmysxfesq1o2rfbnt.rar
regards
if possible for you certain these caps where add to PCB .
[ATTACH]28787[/ATTACH]
regards
What most influences the ground effect, is the delay of the first sample (the first knob to the left)
Increase control delay, and reduce the gain slightly.
Thus, the detector will be less sensitive to the ground effect, but lose depth, will also be less sensitive to gold.
Hold the coil at 10 cm or more from the ground to lessen the effect.
It is a compromise solution.
The coil blindage, help slightly.
In the forum there is a lot of information on these issues, we must investigate with patience.
Regards, Jose
Comment
-
regarding your video... you did NOT the tuning at ground AT FIRST, because your coil hangs up in air, NOT ABOVE THE GROUND on distance 2-10 cm as in real hunting. so THAT IS YOUR BIG MISTAKE FULL NONUNDERSTANDING AND FULL FALLACY what is ground balance and for what. if DP is sensitive to hot rock so I had wrote what DP IS SENSITIVE REAL STATIC MODE MASHINE, it is NOT Hammerhead and not Surf PI low sens mashines -! DP is workind in REAL static self autotuning, advanced S.A.T.Originally posted by mohandes View Posthi kt315 and guru
i don't success reject ground effect , by only GEB pot . i take video and send here .
for tantalum caps i parallel tree and next series to one cap
( like schematic but i add like your image now ) , and i think add wrong C19 ,C20 , C23 and C24
.
Excuse form my English in video
http://p30up.ir/images/7vphmysxfesq1o2rfbnt.rar
regards
if possible for you certain these caps where add to PCB .
[ATTACH]28787[/ATTACH]
regards
tune on ground and DP cut out hot rocks, like you tune GB in VLF MACHINE GETTING UP THE COIL AND DOWN ABOVE THE GROUND on distance 2-10 cm, the sound does NOT raise and/or fall. if sound does NOT raise and fall THAT IS THE GROUND BALANCE DONE. that is WHAT I DID MEAN when I describe the GB tuning procedure -!
Comment
-
Hi Calebsone, to my sorry bulgarians did not give a data on type of the pots. they gave only bare schamatic. thinking all pots have to be linear...Originally posted by calebsone View PostHi KT one more small thing are the pots Lin or log or some of both I have all of them in both so its not a problem what type you suggest is better
Comment
-
Originally posted by kt315 View Postvideos I shared above I did without the caps on PCB. [ATTACH]28792[/ATTACH]
many thanks . OK i do wrong to set GEB pot .
OK i should put the coil on 2-10cm and next adjust by GEB pot and reject ground effect.and i understand your means thanks .
so , detect brick is natural ?or can reject it too ? or we should adjust DP like that you say me ?
excuse for my English.
i add all caps under pcb , but i add it like you , are you add 100n caps (C19 ,C20 , C23 and C24 ) on your board ?
i take photo and past here
regards
Comment
-
your testings are absoliutely wrong. do you see in my videos I keep a target, gold ring, in my hand?? NOT. your hand, your body is an antenna,so , detect brick is natural ?
it accumulates electrostatic charge around everywhere, it explorers electromagnetic field everywhere from electric nets, some kinda re-translator.
so you get a testing with the influence, that is unhonest testing.
Comment

Comment