Announcement

Collapse
No announcement yet.

Announcement

Collapse
No announcement yet.

Delta Pulse

Collapse
X
 
  • Filter
  • Time
  • Show
Clear All
new posts

  • #76
    Originally posted by okantex
    thanks Kt315

    I looked at schematics.
    this list is for delta.
    I still have questions.
    in schematic there are components like vd16,vd17,c30,c31
    where will we use them.
    will not we need them?
    this list just gives components on pcb ,am I right?
    can you give me full elements list that I have to buy from electronic store
    including potensiometers,current meter scala,on/off button and others
    Hi.
    VD16, VD17 are leds. One for power on and the other for low battery. C30 and C31 are electrolytics capacitors. You can use only one (no c31).

    Comment


    • #77
      Originally posted by okantex
      what is the value of Tr1?

      are PR1 and Tr1 both trimmer pot?

      I do not know what PR means
      Hi.
      Tr1 is a test point. Pr1 is a trimer for frequency regulate. I cant see any trimmer or pot with name Tr1.

      Have a nice day.

      Comment


      • #78
        Detectorman... Esta mejor si tu escribas en inglés y tambien en español. Los gringos no intienden lo que tu dices. Si tu escribes en inglés y español, entonces todo entenderá. Tu hablas muy buen inglés. Todos pueden entender lo que tu dices.

        English version:
        Detectorman... It is better if you write in english and also in spanish. The gringos don't understand what you say. If you write in english and spanish, then all will understand. You speak good enough english for us to understand.

        Comment


        • #79
          se entiende o no mi ingles, como he estado hablando , j player? dime..

          un saludo detectorista

          detectoman

          Comment


          • #80
            geo: one question for you., maistro, what is the mejor detector diagram? delta pi?
            and the most little diagram also effective for build

            geo una pregunta para ti, maistro de los detectores, jejeje un abrazote, ahora pregunto, cual es el mejor diagrama facil y conseguible en la red, es acaso el delta pi, o hay otro? y te pregunto si existe un sencillo diagrama ruso o ingles, o del que sea ,que siendo pequeño y facil de construir sea muy efectivo? cual viene siendo?

            nos vemos brother
            detectorista detectoman

            Comment


            • #81
              Hi Geo

              I did not mean TR1
              there are test point called TR1, TR2 ,TR3 .....but Tr1 is different.it has connection to VD9 look at your post (component layout) in page 2 of this thread.
              in xr71 there are trimer-pot 250k and trim-1K
              in delta there are PR and this Tr1
              but value is not given
              thanks to everybody

              Comment


              • #82
                Originally posted by detectoman
                geo: one question for you., maistro, what is the mejor detector diagram? delta pi?
                and the most little diagram also effective for build

                geo una pregunta para ti, maistro de los detectores, jejeje un abrazote, ahora pregunto, cual es el mejor diagrama facil y conseguible en la red, es acaso el delta pi, o hay otro? y te pregunto si existe un sencillo diagrama ruso o ingles, o del que sea ,que siendo pequeño y facil de construir sea muy efectivo? cual viene siendo?

                nos vemos brother
                detectorista detectoman
                Sorry but i dont understand what you mean. Maybe someone can translate from spanish.

                Comment


                • #83
                  Originally posted by okantex
                  Hi Geo

                  I did not mean TR1
                  there are test point called TR1, TR2 ,TR3 .....but Tr1 is different.it has connection to VD9 look at your post (component layout) in page 2 of this thread.
                  in xr71 there are trimer-pot 250k and trim-1K
                  in delta there are PR and this Tr1
                  but value is not given
                  thanks to everybody
                  Hi okantex.
                  VD9 is D9 and TR1 is the transistor T1 (IRF740).
                  Pr1 is a trimmer 200-250K. No need other trimmer. The trimmers and resistors with xx value no needing. We can use them for fine reg with the other potensiometers. So we must experiment with the values.
                  Regards.

                  Comment


                  • #84
                    hi geo , my question is: what is the best diagram in little size, of you experience ,on pi detectors ,avaliable in internet for i build , i am one begginer not expert on complex pcb

                    best regards
                    detectorista

                    Comment


                    • #85
                      Hi Geo

                      what do you think about 1N4001
                      both in xr and delta schematic ,there is one.but in delta component list of kt315 there is no 1N4001.is it important?

                      Comment


                      • #86
                        Originally posted by detectoman
                        hi geo , my question is: what is the best diagram in little size, of you experience ,on pi detectors ,avaliable in internet for i build , i am one begginer not expert on complex pcb

                        best regards
                        detectorista
                        Hi detectoman.
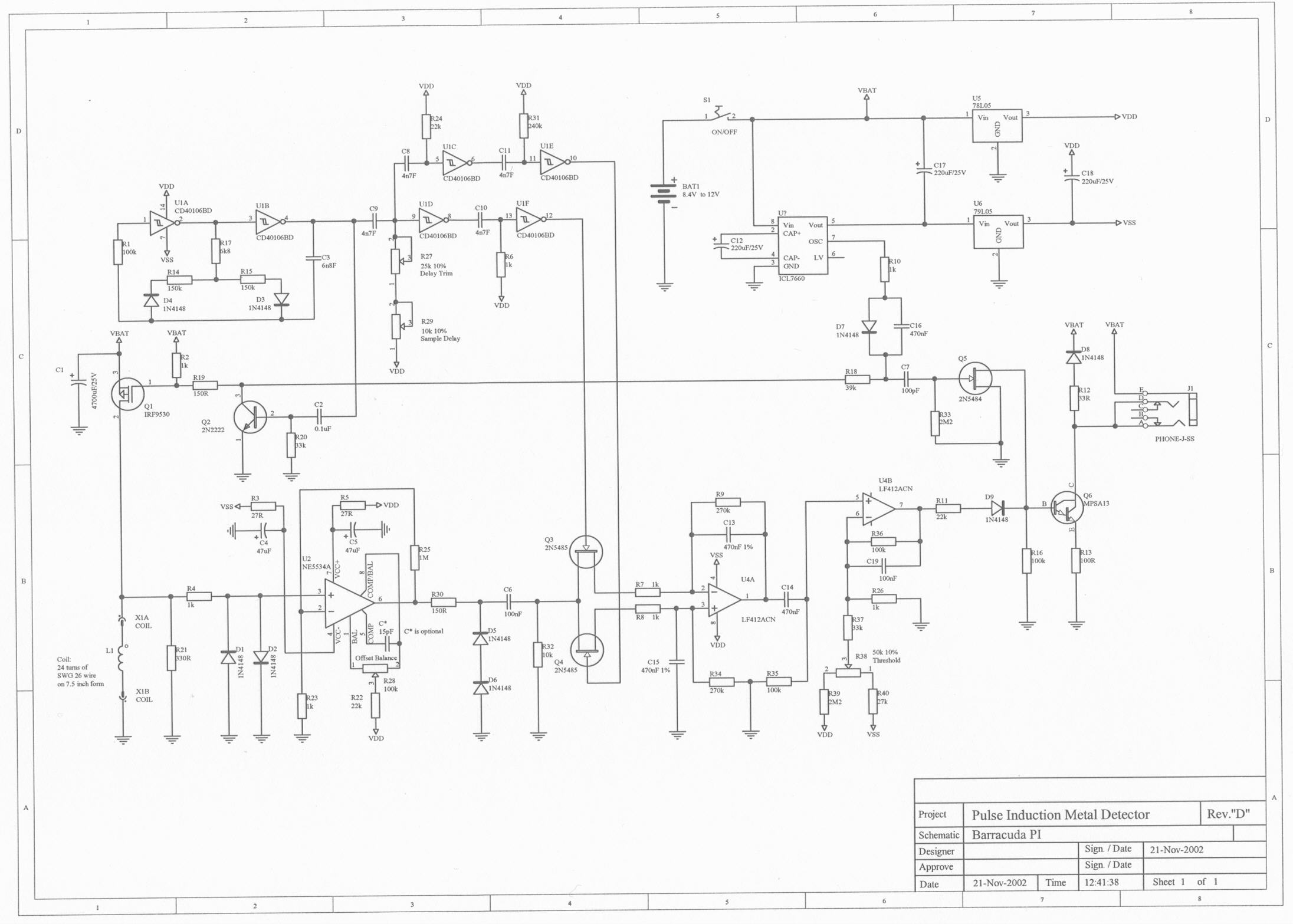
                        You can build the Barracuda PI detector. It is one of the best detectors, simple and with common components.

                        For Okantex.
                        D7 (1N4001) is not important.
                        It needing to protect the detector from reverse supply.

                        Regards
                        Attached Files

                        Comment


                        • #87
                          Hi Geo

                          according to your layout picture in page two ,
                          what is the exact size of that lay out.what size board do I have to buy for this pcb?
                          And Do I have to use sockets for TL entegres(IC) as in your XR71 which eric sent you.would they get harm while mounting because of heat.
                          thanks

                          Comment


                          • #88
                            Originally posted by Alexis
                            ... and fix it with epoxy glue it is very important NOT to use silicon compend because it generate a corrosive vapor bad for your connexion.
                            What is the purpose for epoxy glue?
                            Just to keep coil in fixed position/inductance etc?
                            I wonder can the maximum range be reached in testbench before the coil is glued?
                            What about the coil winding tightness?

                            Comment


                            • #89
                              thanks brother geo for these diagram gime to me, is the barracude deeper? is stable? i think the ics of barracude ,are very hard avaliable , ok geo you read the panel faraday shield, of coils, i put one information well for you of my invest
                              ok best regards geo
                              till tomorrow
                              detectoman

                              Comment


                              • #90
                                thanks brother geo for these diagram gime to me, is the barracude deeper? is stable? i think the ics of barracude ,are very hard avaliable , ok geo you read the panel faraday shield, of coils, i put one information well for you of my invest
                                other diagram is the mini plus detecor ,you tink these is best?

                                ok best regards geo
                                till tomorrow
                                detectoman

                                Comment

                                Working...
                                X