Originally posted by kt315
View Post
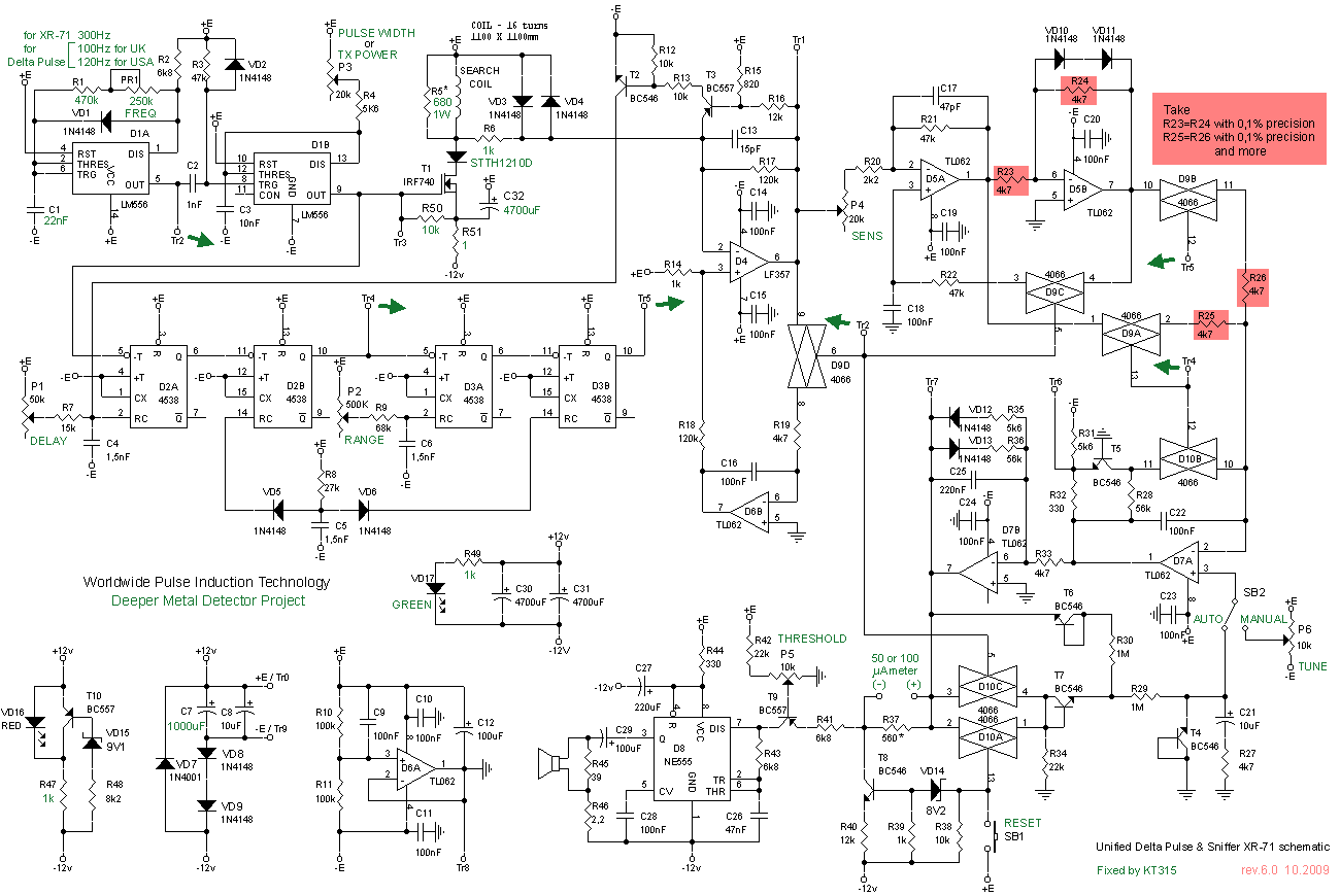
please explaine more about "precision resistor" have you found error in my project? ===> im using this coil just for testing i will make tested coil later
br!

i will tay to find resistor with 0.1 %precision 

Comment