Announcement

Collapse
No announcement yet.

Announcement

Collapse
No announcement yet.

Delta Pulse

Collapse
X
 
  • Filter
  • Time
  • Show
Clear All
new posts

  • Delta Pulse

    My friend KT315
    thanks for reply.i will check ur opinion.
    i hope solve my problem
    thank u again and goodluck

    Comment


    • folks,

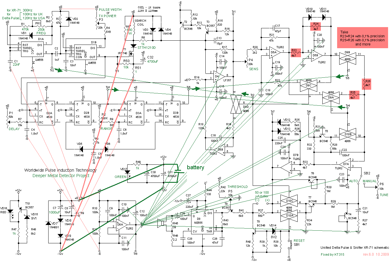
      you ask me about to sell you the PCB in PM... I did not order PCBs but I have a contact with someone who has them now for release. so please you can request PCB via address [email protected], his name is Sergej. here I attach his PCB. it is new traced one by him, not classic I used of.

      trully
      Attached Files

      Comment


      • hi i maked double side bord by triti without battry checker but delta pulse note workng at all after making test i found that the ground isnt connected to negative of battery are this normal br!

        Comment


        • salim, the Ground/Zero of the schematic is output of D6A. it is kinda a power supply voltage splitter. you are misleading. DO WHAT YOU SEE AT SCHEMATIC AND DO NOT TURN UP YOUR FANTASY HERE

          Comment


          • sorry kt315 i maked simple side pcb succefuly but double side make me creasy i will check all track again plz delate FANTASY post thanks br!


            Comment


            • check all according this plan
              Attached Files

              Comment


              • hot winter photos from today testing.
                Attached Files

                Comment


                • problem

                  Good Pic KT315

                  My delta pulse not work . beeping ....................................
                  Attached Files
                  Last edited by Belief; 03-09-2010, 02:35 PM. Reason: problem

                  Comment


                  • Hi all

                    My delta pulse is beeping with out coil .

                    what is the problem ?

                    can i use 9 volt battery for my delta pulse ?

                    Thanks .....

                    Comment


                    • D. PULS


                      Hi KT315! What are the parameters of the diode SITH121 OD ? I can not find it in the catalog.
                      G.L!

                      Comment


                      • Delta Pulse Sniffer

                        Hello,
                        Can i use 1,2nF,2,2nF instead 1,5nF ...on C4 C5 C6 ? Also can i use to test my unit using a PC supply 12V ..10A DC..??
                        Thank you
                        Regards
                        Marius

                        Comment


                        • Originally posted by georgi.g.zhelev View Post
                          Hi KT315! What are the parameters of the diode SITH121 OD ? I can not find it in the catalog.
                          G.L!
                          thinking you gives unright search data. STTH1210D
                          Attached Files

                          Comment


                          • Originally posted by steaua581 View Post
                            Hello,
                            Can i use 1,2nF,2,2nF instead 1,5nF ...on C4 C5 C6 ? Also can i use to test my unit using a PC supply 12V ..10A DC..??
                            Thank you
                            Regards
                            Marius
                            yes, certainly you can use 1,2-2,2 nF and the PC power supply. I use power supply from a modem for test and battery charge, with -5 and +12 V output.

                            Comment


                            • Originally posted by Belief View Post
                              Hi all

                              My delta pulse is beeping with out coil .

                              what is the problem ?

                              can i use 9 volt battery for my delta pulse ?

                              Thanks .....
                              not, you can not use this 9 volts 170 mA*h battery. it has the too tiny capacity and small loadind current for DP working.

                              Comment


                              • Delta Pulse

                                thank you kt315...
                                when i"m done i will post results...
                                regards
                                Marius

                                Comment

                                Working...
                                X