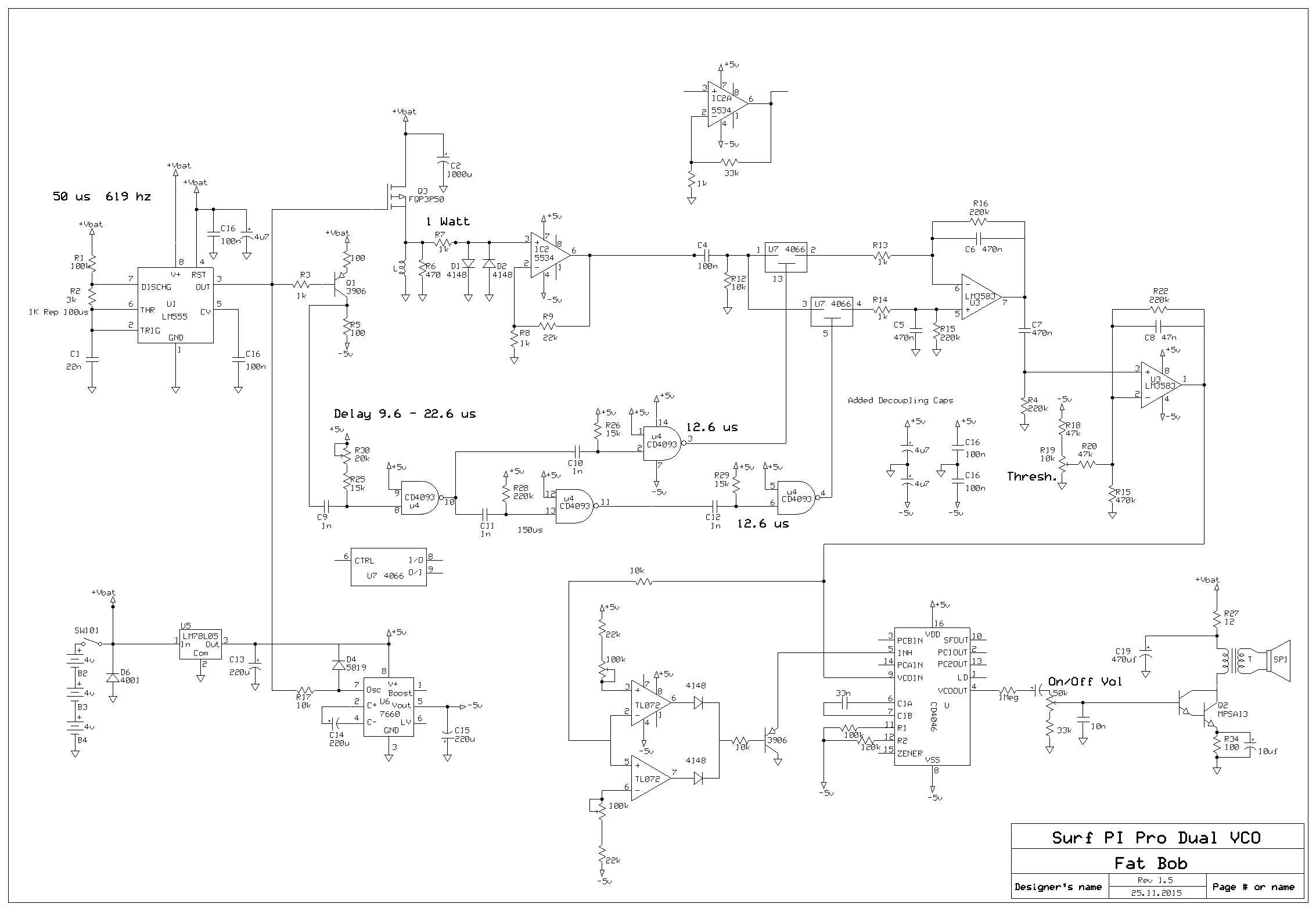
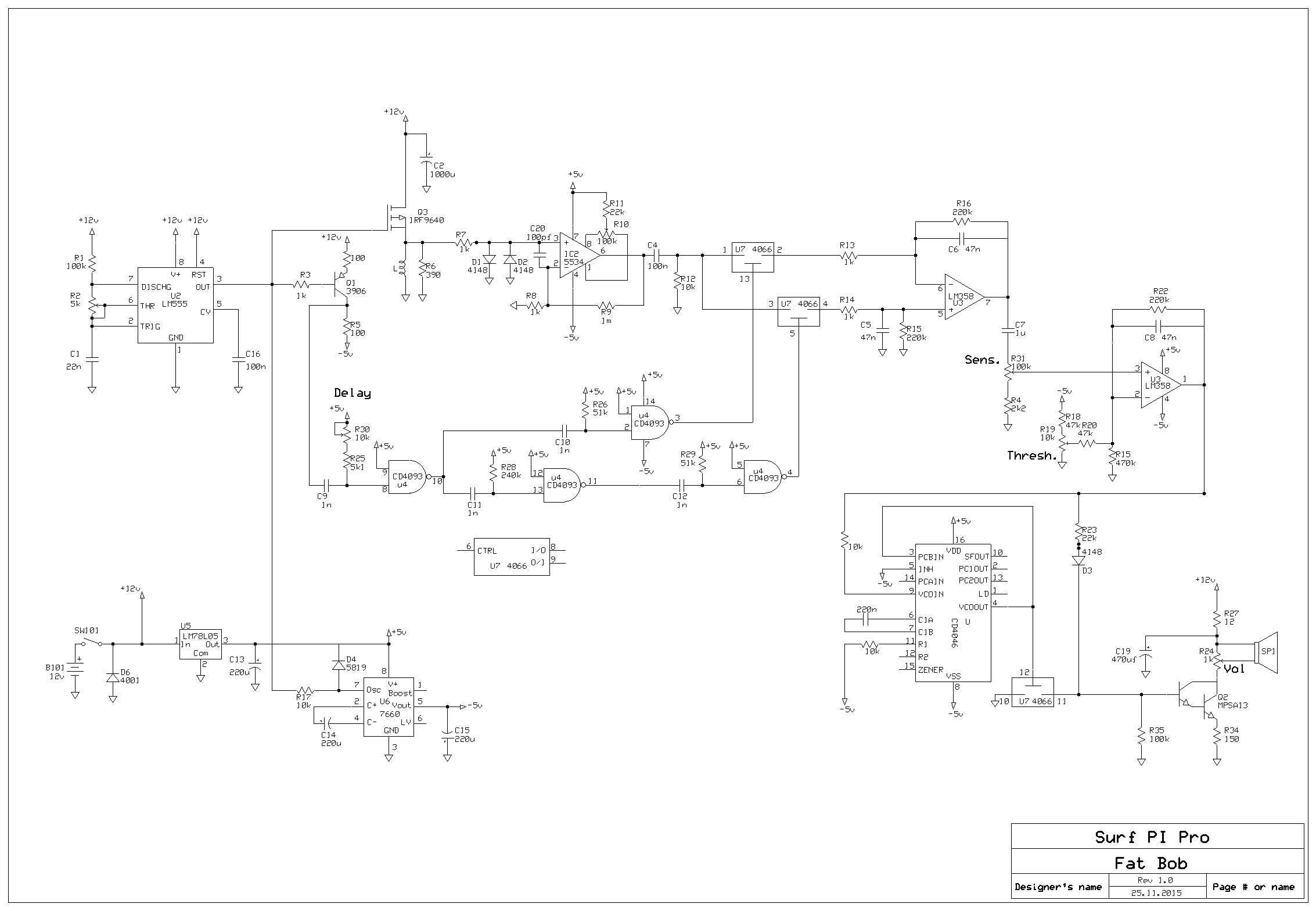
i use Sprint Layout for the scale. only fit image you load as a 'shablon' (template) on any IC pins, decrease or increase
it before getting full overlap knowing a pins step is 2,54 mm. then after you can sure measure the size.
it before getting full overlap knowing a pins step is 2,54 mm. then after you can sure measure the size.

Comment