Announcement

Collapse
No announcement yet.

Announcement

Collapse
No announcement yet.

TESORO GOLDEN SABRE

Collapse
X
 
  • Filter
  • Time
  • Show
Clear All
new posts

  • ...

    Originally Posted by Ultimate_Haze
    Hello,
    So you miss something again!
    I need 2 X 10k lin. whit switch sens and noth
    2 X 2 pole 2-way switch allmetals/discr ; accept/reject
    This give 4 switches!!!
    But how to conect I will draw a new schema and will post it!
    Thanks
    Originally Posted by Leto
    Potentiometers are all Linear.
    Disc 100K
    Sens 10K
    Notch 10K
    you need also 4 switches

    Only one double pole switch is needed!

    Comment


    • to Leto

      Hello,
      now I confuse even more~!!First 4 switches,now Only one double pole switch?
      Please explain???
      Attached Files

      Comment


      • I am noob,but I see that there are two 10k potentiometers with switch!
        Noth and Sens!This mean two switces!
        And
        ALLMETAL/DISC switch!
        AND when in DISC : NOTH ACCEPT/REJECT!
        This realy are 4!
        As I look at other tesoros:they have two ,two dimension switches and as here sens with switch and noth with switch!But its conected when in ALLMETAL mode to use NOTH ACCEPT/REJECT switch as PINPOINT/BATTERY CHECK????
        Am I right and if not PLEASE EXPLAIN the simplyest way!
        Thanks
        p.s.can you see the paint picture and tell me how to conect?
        This Y point is not marked?

        Comment


        • I asked same question before ..

          ultimate please write about test..
          erol

          Comment


          • Light or diet?


            O.K.
            I already made two G.Sabre's and two S.Sabre's so far.Wanted to know how those are working.
            Also made few coils for those. Already posted some of experiences with coils.
            I want to "establish" one and only good schematic and from now one to make only that.
            Much experiments so far. After dozen different projects i choose Tesoro Golden Sabre to be
            my favorite detector to build. Why? Simply, all real functions that prospector need on
            field G.Sabre already comprehend. Discrimination is so good, it can fully discriminate
            foil, iron.....what man can wish more?
            Depth is great! Maybe i had luck to calculate and make quite proper coil for it, but my
            experiences are so good...much better than some posted previously on this forum. Already
            made few identical coils, just to check if i can make those as standard....It was not lucky
            guess or coincidence, yes i got it for good!
            Also noticed that G.Sabre is for real much better than S.Sabre. Greater depth even 30%.
            Solution with 4024 turns to be more effective than 7660...? Why, i dont know. It seems that
            all stages in device are better synchronized if dependable on main oscillator frequency.
            So i rearranged schematic and cut out "notch" part, so pcb would be as smallest as possiblle.
            I also rechecked schematic and previous pcb...? Except those 2 resistors(4k7) in chopper and
            one missvalued capacitor(15pF) i dont see any other mistake. 4148 diode at LM393 output
            ("Sense" stage) is not reversed??? I think somebody claimed here that it is reversed.
            I never tried to reverse it and see....Made my detectors according to posted pcb and those are
            working good.
            So here is Golden Sabre "light" schematic. I hope it is accurate. Checked few times....
            Next step is to draw small, one-sided pcb for it....Why one-sided? I prefer one-sided pcbs.
            No conditions for metalized holes in pcb's so i mostly do one-sided..
            Also most of my pcb's i draw manually with thin marker.It is much easier to draw single-sided.
            But there is another problem! Huge problem! Mountain problem!
            I do have DXP,Eagle,ExpressPCB,SprintLayout....but still do not have enough paraxis and knowledge
            to draw good pcb with those..Already learned to input schematics.But when comes to pcb i
            really do not have nervs to torture myself with those software. Already tried hundred times and
            at the end, my final pcb's sucks! DXP is very strange! Making its own nets and connections from
            time to time. Eagle is even more stupid. ExpressPCB is simple and stupid, almost like drawing
            manually....To many parameters to input and to be considered. Lost eneormous time even for
            simple designs. At the end final draw is not what i wanted - not perfect.Many lacks.
            That's way i decided to give up of those and let more conversant people to do the job.
            I fully recomend this project to everybody interested.
            No need for "high phylosophy", no need for "high tech" projects.At the end all those are very
            close when comes to performances. This schematic associate all merits which one good detector
            must have...


            Attached Files

            Comment


            • i dont see any other mistake. 4148 diode at LM393 output
              ("Sense" stage) is not reversed???


              mine vision, what must be here.
              regards
              Attached Files

              Comment


              • ... and there must be certainly loading resistor parallely to the diod.

                Comment


                • Coil details, please?

                  Hello Ivconic- You have given so much to these forums already and I'm glad to hear of so much good luck with Golden Sabre - but I am wondering: I read before where you were swearing by results of OO coil. Is that what you are still using?

                  Some details were a little vague - for instance - you said to use no ground connection to coil at the receiver.

                  Q: Is receiver coil totally floating (I can see why that would work because of differential amplifier U101a), or, is connection to ground made within search-head?

                  AND, about cable lead-ins: Do you use differential cable run - twinax or dual coax to receiver, or is lead-in a single coax?

                  Then, there's the Faraday shielding (but I don't want to wear you out).

                  These are tricky and contentious issues so I'm sure any details you can give will be much appreciated and digested over and over.
                  Thanks!!

                  Comment


                  • Originally posted by ivconic View Post

                    O.K.
                    I already made two G.Sabre's and two S.Sabre's so far.Wanted to know how those are working.
                    Also made few coils for those. Already posted some of experiences with coils.
                    I want to "establish" one and only good schematic and from now one to make only that.
                    Much experiments so far. After dozen different projects i choose Tesoro Golden Sabre to be
                    my favorite detector to build. Why? Simply, all real functions that prospector need on
                    field G.Sabre already comprehend. Discrimination is so good, it can fully discriminate
                    foil, iron.....what man can wish more?
                    Depth is great! Maybe i had luck to calculate and make quite proper coil for it, but my
                    experiences are so good...much better than some posted previously on this forum. Already
                    made few identical coils, just to check if i can make those as standard....It was not lucky
                    guess or coincidence, yes i got it for good!
                    Also noticed that G.Sabre is for real much better than S.Sabre. Greater depth even 30%.
                    Solution with 4024 turns to be more effective than 7660...? Why, i dont know. It seems that
                    all stages in device are better synchronized if dependable on main oscillator frequency.
                    So i rearranged schematic and cut out "notch" part, so pcb would be as smallest as possiblle.
                    I also rechecked schematic and previous pcb...? Except those 2 resistors(4k7) in chopper and
                    one missvalued capacitor(15pF) i dont see any other mistake. 4148 diode at LM393 output
                    ("Sense" stage) is not reversed??? I think somebody claimed here that it is reversed.
                    I never tried to reverse it and see....Made my detectors according to posted pcb and those are
                    working good.
                    So here is Golden Sabre "light" schematic. I hope it is accurate. Checked few times....
                    Next step is to draw small, one-sided pcb for it....Why one-sided? I prefer one-sided pcbs.
                    No conditions for metalized holes in pcb's so i mostly do one-sided..
                    Also most of my pcb's i draw manually with thin marker.It is much easier to draw single-sided.
                    But there is another problem! Huge problem! Mountain problem!
                    I do have DXP,Eagle,ExpressPCB,SprintLayout....but still do not have enough paraxis and knowledge
                    to draw good pcb with those..Already learned to input schematics.But when comes to pcb i
                    really do not have nervs to torture myself with those software. Already tried hundred times and
                    at the end, my final pcb's sucks! DXP is very strange! Making its own nets and connections from
                    time to time. Eagle is even more stupid. ExpressPCB is simple and stupid, almost like drawing
                    manually....To many parameters to input and to be considered. Lost eneormous time even for
                    simple designs. At the end final draw is not what i wanted - not perfect.Many lacks.
                    That's way i decided to give up of those and let more conversant people to do the job.
                    I fully recomend this project to everybody interested.
                    No need for "high phylosophy", no need for "high tech" projects.At the end all those are very
                    close when comes to performances. This schematic associate all merits which one good detector
                    must have...


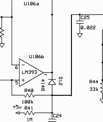
                    Hi Ivconic,

                    I believe there is an error in your schematic in the Ground Balance and Discriminator sections (U102a and U102b). Both R21 and R24 should be connected to the positive supply rail and not 0V. The LM393 is a comparator with an open-collector output. Note that you do have U106a and U106b connected correctly, with the outputs wire-OR'ed and tied to +5V via R41.

                    Comment


                    • FET pull-ups

                      Hello Qiaozhi-

                      I'm already here so let me resond. If CD4066 were used to gate the signal to x and r channels a pull-up to +5V would be required. Instead, these JFETs will turn on with zero volts on the gates, and use an "active low" to turn off. I think it's kind of neat how that works out! The FETs are actually pulled up from -5V, to 0V.

                      Comment


                      • Originally posted by porkluvr View Post
                        Hello Qiaozhi-

                        I'm already here so let me resond. If CD4066 were used to gate the signal to x and r channels a pull-up to +5V would be required. Instead, these JFETs will turn on with zero volts on the gates, and use an "active low" to turn off. I think it's kind of neat how that works out! The FETs are actually pulled up from -5V, to 0V.
                        Thanks. After I posted the reply I noticed that all the other Golden Sabre schematics (except one) were also tied to 0V.

                        Comment


                        • Parts replacement and coil construction

                          Hi ivconic, today a got almost all components for golden sabre.
                          Only need to get 4.7 uF caps and LM308N.
                          Do you know if there are any replacement for LM308N.

                          About the coil, i´m thinking on using audio cable with shielding on it (3 cables). What do you think, is this correct?
                          In advance many thanks
                          Regards
                          Nelson


                          Originally posted by ivconic View Post
                          Here some photos...

                          Comment


                          • Previus post

                            Hi Ivcoic, again i was reading other electronics post that talks about LM308 replacements. One, the TL071 seems to be correct, but don´t know if i have to rerouted on the PCB.
                            There is another replacement that needs to by rerouted.
                            Please teke a look to the following posts.

                            Are you modifying a stock pedal or is this a DIY build? If it is a stock pedal you should just go back to the LM308 or use an LM071 with the compensation cap removed, you can't really do any rerouting with the PCB.

                            Otherwise, the LM308 pins are as follows:

                            1- Compensation
                            2- IN -
                            3- IN +
                            4- V- (GND)
                            5- NC (No connect)
                            6- OUT
                            7- V+
                            8- Compensation

                            The NE5532P is:
                            1- OUT1
                            2- IN1-
                            3- IN1+
                            4- V-
                            5- IN2+
                            6- IN2-
                            7- OUT2
                            8- V+

                            Basically, if you were going to reroute things, you'd have to use only one half of the NE5532P, and map pins as follows, LM308 to NE5532P:
                            6 - 1
                            2 - 2
                            3 - 3
                            4 - 4
                            7 - 8

                            And remove the cap connecting pins 1 and 8. Not an easy job. You'd really have to design it to use that OA.


                            Yes the pins would be different for a 5532 dual and a 308. I used 741 and it sounded pretty good which ignored the compensation caps.

                            You can"t use any of those 3 Opamps in place of the LM308...You need a Single Opamp not a Dual opamp and all of the Opamps you have bought are Dual opamps...A good replacement might be a OPA134 (You bought a OPA2134 which is a Dual opamp) and the LM833 which you bought is a 1.5w dual Power Amp IC which isn"t suitable either and the RC4558 is also a Dual opamp.....

                            Look for a OPA134 or a TL071 or a NE5534 , These are all Single opamps and there are Literally Hunderds of different types that could also work but also thousands of others that won"t work....

                            You should spend some time reading the Datasheet specs of these Opamps so you know what to look for when you need to replace them.....


                            Cheers

                            This post can be found on
                            http://www.diystompboxes.com/smfforu...2733.msg399102

                            My english is not so good, but has i understood, TL071 will fit my needs.
                            Thanks and best regards
                            Nelson


                            Originally posted by nelson View Post
                            Hi ivconic, today a got almost all components for golden sabre.
                            Only need to get 4.7 uF caps and LM308N.
                            Do you know if there are any replacement for LM308N.

                            About the coil, i´m thinking on using audio cable with shielding on it (3 cables). What do you think, is this correct?
                            In advance many thanks
                            Regards
                            Nelson

                            Comment


                            • ???


                              Took another look at it, and...YES! KT315 is right! I traced pcb again.
                              Yes KT315 you are right! How i missed that!!!??? I have few different
                              schematics here....I payed attention on wrong one...Shhheeeeeesh!!!
                              Bravo KT315 and thank you!
                              But about loading resistor you mentioned...? I am not sure? Yes i can agree
                              with you, there must be loading resistor...but it is not there? And device is
                              working excellent!?
                              I corrected schematic and here is now; i really hope complete and accurate!
                              Porkluvr....Yes double O coil showed best results so far...but i gave up of those!
                              Why? I am gonna explain why; not so suitable on terrains i've been visitng lately.
                              There are a lot of bush arround,tree roots all over arround, high density opsticles
                              and OO coil is not just suitable enough to approach to every spot;under some tree or
                              between some stones...when coinshooting. I do that mainly...coinshooting.
                              So i made hard compromise and switched back to DD (double D) coils, again...
                              Double D shape is much more suitable for that kind of prospecting than double O.
                              But if you prefer leveled terrains than i suggest you to make OO coil cose a bit
                              greather depth than DD coil.That was my only reason to leave OO coils for now...
                              No i didnt say "...no gnd connection on RX..." !? Yes there is gnd connection on RX!
                              Must be! But not at pcb. That's why i didnt draw gnd connection in schematic.Not to
                              confuse somebody who might decide to draw pcb according my schematic...Later should
                              scratch or cut that piece of pcb to correct mistake...
                              GND connection at RX should be made in coil.
                              Pay attention on cable lead which connect coil via R13 to pin 6 of U101a!That lead must
                              be connected to gnd in coil!
                              I am using cable with 3 separate leads and common shield. Shield and 1 lead are connected to
                              faraday cage at both coils...all togather in coil housing. The other 2 leads i am using for
                              TX and RX....Simple as that. No twisted pair effect,no hums,interferences...no false signals!
                              I experimented with any other combination and this one is best.
                              Nelson, no you can not use only 3 lead cable....Shield and 3 leads yes! It makes 4 leads at
                              the end.
                              LM308 is hard to replace...beleive me! Only replacement i would use is TL081a...
                              About Bipolars....i never used those. I connect 2 ordinary 10uF cpacitors like this;
                              + -- + and used those instead...
                              No, Nelson...if you using TLxx1 no need to reroute pcb; pin to pin compatible...
                              About NE5532...i am not sure...why dont you try NE5534? I never tried it...
                              OK. Again there is (i hope) very correct schematic...at the end. Take another look.
                              If something wrong let me know...
                              Anybody migh have good will to draw pcb for it? One-sided,small...C'mon....
                              Attached Files

                              Comment


                              • ???

                                Hello,
                                Ivconic~!
                                Are you shore that I can change LM308N with TL081?And will this afect the preformance?
                                Also I cant find LF353 any Ideas?
                                Did you use 10 mF TANT or you used normal electrolithic?
                                Thanks

                                Comment

                                Working...
                                X