Originally posted by tiktak
View Post
Announcement
Collapse
No announcement yet.
Announcement
Collapse
No announcement yet.
TESORO GOLDEN SABRE
Collapse
X
-
hups hello brothers
one question for ivconic or max and others
these md tgsl discrimin masses? what messure?
discriminate big object of iron of big paper foil?
discrimin aluminium? yes or not?
i am build one prototipe whit only one ic for discriminate i can? maybe yes
a m in investigations thanks in advance
thankssssssssssssssssssssssssssssssssssss
detectoman mexico
Comment
-
...
If you want to gain same resistances(i dont see reason for that) than you should make your coils on same former as mine....Wire gauge and number of turns are not enough...Thats why i posted last picture of coil....others to see shape of both coils and way they overlaping...
Detectoman, yes discrimination is perfect. It can fully discriminate iron,foil,nickel...anything you want...That's disc pot is for...
Regards!
Comment
-
2
No Max, not yet. You mentioned some lack of stabillity than? Is it noticeable much? I will change 22nF to 1nF and see.
Most iportant thing at detectors for me is stabillity - not depth...I would rather sacrifice some depth due more stabillity...thats why i idore this TGS so much...it is deep and stabile at the same time...
I made 12 TGSL's so far.All working nice! But have noticed minor differences among them; some of them can produce ocassional,very short false signals....all checked with same coil...It is not coming from coil but from device itself?? What should be a problem. I lost myself in soldering all those pcb's....Need hint on which stage should pay most of attention about stabillity....
Any hints?
Bye!
Comment
-
3
BTW i took TGSL on the field with me,several times. It is real coinkiller!
I noticed ocassional short false signal but couldnt dig what should be problem? It is not so often and not disturbing much, man can work with it just fine. But i would like to understand whole problematic and be awared of it, further to correct it and make it calm and stabile more...
It has nothing to do with coil itself, it is coming from machine? I tested it very detailed, lower coil of the soil, down it, smack it, push hard and press to soil...? Whenever i want to provoce false signals it doesnt produce it at all???
But, during prospecting ocassionally it hapening....i just cant establish rule by which is occuring???
All the time Sense pot is at highes level...Sense is high..Disc is at "2"....
But when lowering Sense to 60% those short false signals disapears.....
Same thing was with Musketeer Colt in the past. Isimply couldnt work with it if Sence was full turned on...I had to lower it to 60-70% to make it calm and than to work...Why is that so?
Lowering Sense at both detectors doesnt affected much depth...maybe few percents...maybe 5, in some cases...so it is not big problem at all. TGSL is even better in this than Musketeer Colt...Less false signals at same Sence point..
But, again i would like to better understand this, any explanations?
Regards!
Comment
-
Hi Ivconic,Originally posted by ivconic View PostNo Max, not yet. You mentioned some lack of stabillity than? Is it noticeable much? I will change 22nF to 1nF and see.
Most iportant thing at detectors for me is stabillity - not depth...I would rather sacrifice some depth due more stabillity...thats why i idore this TGS so much...it is deep and stabile at the same time...
I made 12 TGSL's so far.All working nice! But have noticed minor differences among them; some of them can produce ocassional,very short false signals....all checked with same coil...It is not coming from coil but from device itself?? What should be a problem. I lost myself in soldering all those pcb's....Need hint on which stage should pay most of attention about stabillity....
Any hints?
Bye!
I've TLC2262 instead of TL062 cause TL062 is too noisy for my taste. When I had it on circuit I noticed lot of erratic beeps/cracks at max sens: now it's perfect, no sound at all at max sens... also using the R55=1M mod accross D12, tested it and works so good, strong and loud sound even for small and far targets, just crack at uncertain zone above max disc... for about 1cm then no sound at all if target is far away.
Detector is exceptionally stable, yes, and not only about silence when no metal but also stable as performances, always at top.
In other models, even fully motion, I cannot find the same thing.
I think the noisy spots in TGS are related to
-TL062: avoid it and use at least TL072 or TL082, or better a TLC2262, in original schematic was LF442
then
-LM358: I have them on circuit but noticed that some of these happen to be more noisy so you have to select them or when e.g. when make many detectors use all from same stock parts.
-last LM393: you have to use AN version or select a good N one
LF353 and LM308 seem not involved in erratic noise, even if they are not state of the art of modern ICs.
Kind regards,
Max
Comment
-
Hi,Originally posted by ivconic View PostWhat do you mean by stronger NF signal?
If you mean on that 1M resistor.....it is not only about stronger audio.
Answer is yes, noticeable better sensitivity...
I'm not sure what that NF is... but maybe he means RF signal (at tx coil). The way of getting more depth, pumping e.g. 100Vpp on tx
but then detecting even grass.
Who needs 100Vpp at TX ? I don't !
Best regards,
Max
Comment
-
VCO again...
Max take a look at this;
could this be used on TGSL? I am wandering....
Took it from "gradiometer".....??? Already asked KT315 to translate some Russian words about this..."pitanie"...
Attached Files
Comment
-
...
About previous post...?
I dont understand... But for sure i do not suggest strong TX either...To many drawbacks and few benefits..Like i said before; better is to sacrifice some depth due more stabillity on real field..
Many constructors here never left workshop and tested their detectors under real conditions - huge mistake! I bet they will be very disapointed when see how hard is to work with unstable detectors on real soil, in real conditions.
Respecting this i always first perform tests on real field than make some conclusions, later post some experiences....
It is not rare to see reports about great "depths" aka distances gained in workshop, on the desk....Huh! Than when tested on the ground.......terrible results - nothing! When grounded good....all of the sudden no depth at all!?
If grounding ever possible on those detectors....Heh,heh,heh!
Real beauty is one single transistor in TX output....2N2907,BC327 or simillars....and than to make it work calm,stabile and to detect single coin over 30cm....Thats what i call good detector...
Bye!
Comment
-
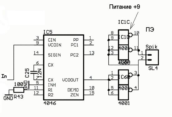
Originally posted by ivconic View PostMax take a look at this;
could this be used on TGSL? I am wandering....
Took it from "gradiometer".....??? Already asked KT315 to translate some Russian words about this..."pitanie"...
Hi,
I think it's a VCO with buffers that directly drive the speaker (probably piezo like in table phones). Buffers are logic gates of 4001 (4x 2 input nor-gates).
Result is a like square-wave at speaker like in some distorting push-pull end-stage.
It's similar to what I meant for a good VCO, with common easy to find (4046) still today and cheap IC (around 60-70 eur-cents).
The interesting part are external components used (cap. and resistor) for selecting the hi-frequency limit.
Best regards,
Max
Comment
-
Hi,Originally posted by tiktak View PostHi,
Max.
Thanks for starting batteries tread.
Can you told me what were the values for this 12cm OO coil that you have made?
TX=?;RX=?;
wire 0,25 without varnish/0,27 with varnish/
Until I get good suply I will make coils..... ha-ha-ha.
I've explained that all is in Ivconic's posts... read them all.
No secrets, no magic numbers.
Best regards,
Max
Comment

Comment