Announcement

Collapse
No announcement yet.

Announcement

Collapse
No announcement yet.

TESORO GOLDEN SABRE

Collapse
X
 
  • Filter
  • Time
  • Show
Clear All
new posts

  • Yes,
    I am using the last version.

    Comment


    • Originally posted by simonbaker View Post
      Hi Ivconic -

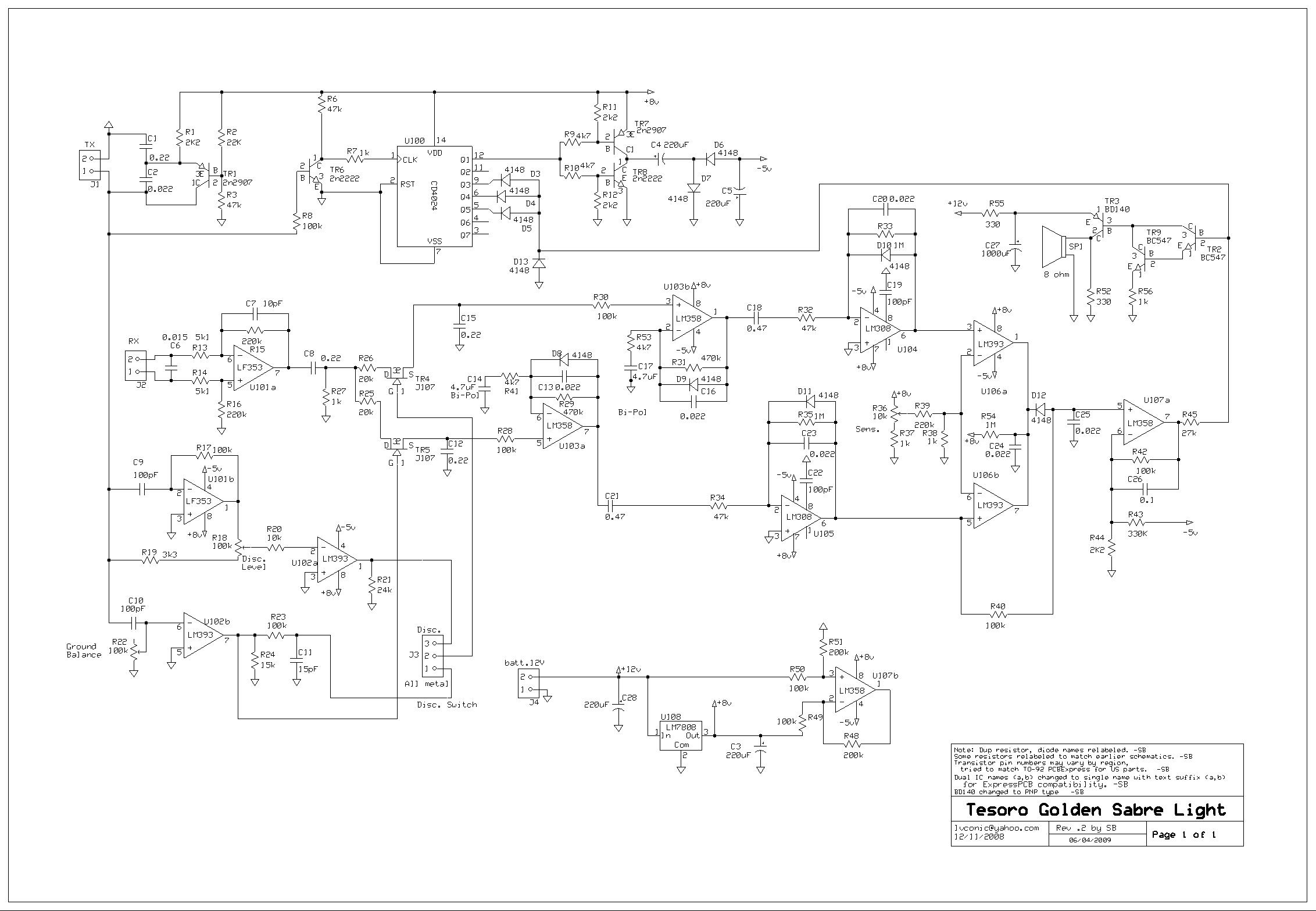
      Referring to your "TGSL Final" schematic audio amplifier section:

      1. Did you try using an MPSA13 or other Darlington in place of the two BC547 transistors? Or is there a good reason to have the two BC547?

      2. Why is emitter of TR3 (BD140) connected to +V, instead of collector? The circuit seems very unusual, how did you decide on it?

      Regards,

      -SB
      Hi Ivconic:

      Can you comment on audio circuit questions? Also on simpler way to disable inputs on unused u107b I mentioned previously?

      (I'm still trying to make a final PCB that is simplest and fits my components -- glaciers move faster...)

      Cheers,

      -SB

      Comment


      • Originally posted by Ultimate_Haze View Post
        Hi,
        My probe is X10.
        So its OK.
        First I tought that I should count the devisions and multiply.
        Now its clear.
        What next?
        Then use tx signal to trigger the scope (channel1) and get rx signal at output of preamp (on channel2): you'll spot the phase between tx and rx signal when no metal near... that's interesting measuring phase angle to know if your coil is made properly and you can disc the correct way...

        Kind regards,
        Max

        Comment


        • Hi,
          Max.
          You can see this in post #3546 picture 2!
          This is for my test coil #3.
          I will make some more pictures.
          The coil disc good.Only sensitivity is poor.
          Thanks for your attention.

          Comment


          • Referring to your "TGSL Final" schematic audio amplifier section:

            1. Did you try using an MPSA13 or other Darlington in place of the two BC547 transistors? Or is there a good reason to have the two BC547?

            2. Why is emitter of TR3 (BD140) connected to +V, instead of collector? The circuit seems very unusual, how did you decide on it?

            Regards,

            -SB


            Sorry i missed that question!
            1. No i havent tried MPSA13 or any simillar there.
            2. Ha,ha,ha,ha! Guys from Cscope decided that much more before me!

            Comment


            • "...Also on simpler way to disable inputs on unused u107b I mentioned previously?..."

              For example it may be used as battery monitor. Or...it may be "neutralised" simply as on pic...
              Attached Files

              Comment


              • Originally posted by ivconic View Post
                Referring to your "TGSL Final" schematic audio amplifier section:

                1. Did you try using an MPSA13 or other Darlington in place of the two BC547 transistors? Or is there a good reason to have the two BC547?

                2. Why is emitter of TR3 (BD140) connected to +V, instead of collector? The circuit seems very unusual, how did you decide on it?

                Regards,

                -SB

                Sorry i missed that question!
                1. No i havent tried MPSA13 or any simillar there.
                2. Ha,ha,ha,ha! Guys from Cscope decided that much more before me!
                Thanks for answers.

                I don't want to bother you, but can you check the CScope schematic? Because it really looks like the collector and emitter should be interchanged, according to normal circuits.

                I could not find any circuit (common base, common collector, common emitter) where the emitter points to the +V supply like that -- just looks like mistake ?

                Cheers,

                -SB

                Comment


                • Originally posted by simonbaker View Post
                  Thanks for answers.

                  I don't want to bother you, but can you check the CScope schematic? Because it really looks like the collector and emitter should be interchanged, according to normal circuits.

                  I could not find any circuit (common base, common collector, common emitter) where the emitter points to the +V supply like that -- just looks like mistake ?

                  Cheers,

                  -SB
                  Ok, I think I see problem.

                  BD140 is drawn on schematic as NPN transistor, but is really PNP, right?

                  I'll fix schematic and upload if you think that is correct.

                  Regards,

                  -SB

                  Comment


                  • BD140 is PNP, yes. Did i used wrong symbol there!????
                    Let me see.....YES I DID!?!?
                    Sorrrrrryyyyyy! My mistake!

                    Comment


                    • Originally posted by simonbaker View Post
                      Thanks for answers.

                      I don't want to bother you, but can you check the CScope schematic? Because it really looks like the collector and emitter should be interchanged, according to normal circuits.

                      I could not find any circuit (common base, common collector, common emitter) where the emitter points to the +V supply like that -- just looks like mistake ?

                      Cheers,

                      -SB

                      I thought it was obvious from where i took that part..
                      Attached Files

                      Comment


                      • Originally posted by ivconic View Post
                        I thought it was obvious from where i took that part..
                        Thanks, that explains it -- I knew circuit worked, but couldn't see why!

                        Thanks also for posting original circuit, it's useful to see it.

                        I will update the ".sch" ExpressPCB file that I uploaded before and upload it again with the PNP style transistor.

                        Cheers,

                        -SB

                        Comment


                        • Updated TGSL Final schematic with BD140 PNP

                          Here is updated schematic for the record.

                          Changes: TR3 BD140 transistor changed to PNP (was NPN).

                          -SB
                          Attached Files

                          Comment


                          • audio transistors

                            Hi Ivconic and others:

                            Is BC547 special for audio circuit in TGSL, or would 2N2222 work OK too?

                            Regards,

                            -SB

                            Comment


                            • Originally posted by Max View Post
                              Then use tx signal to trigger the scope (channel1) and get rx signal at output of preamp (on channel2): you'll spot the phase between tx and rx signal when no metal near... that's interesting measuring phase angle to know if your coil is made properly and you can disc the correct way...

                              Kind regards,
                              Max

                              Hi,
                              Max.
                              So,TX sin is ok, p-p is ok.
                              You can see here TX/RX.Is this ok?
                              The coil disc good.Only sensitivity is poor.Why?Where I have to look for problems?
                              Thank you very much.
                              Attached Files

                              Comment


                              • Originally posted by simonbaker View Post
                                Hi Ivconic and others:

                                Is BC547 special for audio circuit in TGSL, or would 2N2222 work OK too?

                                Regards,

                                -SB
                                Don't change much... same stuff I think.

                                Comment

                                Working...
                                X