Originally posted by kt315
View Post
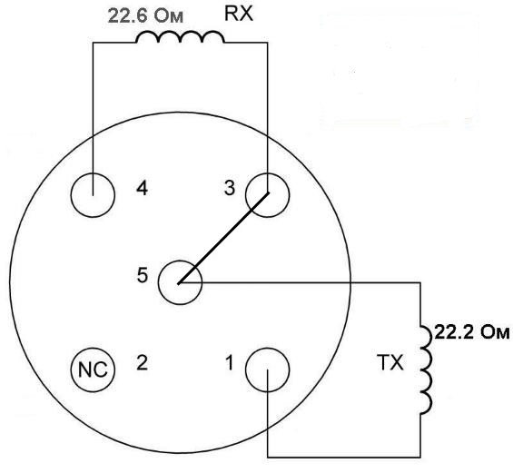
Maybe the coil is fake, anyway, below is the wiring I used:
I noticed a green wire and just leave it disconnected.
The part I marked in red ( the dotted line between pins 3 and 5 ), I don't understood well for what it is so I'm doing nothing with it.
Thanks!

Comment