Announcement
Collapse
No announcement yet.
Announcement
Collapse
No announcement yet.
TESORO GOLDEN SABRE
Collapse
X
-
The only one I know is ok is this one ->Originally posted by mostafalesnar91 View Postwhich version is best?????
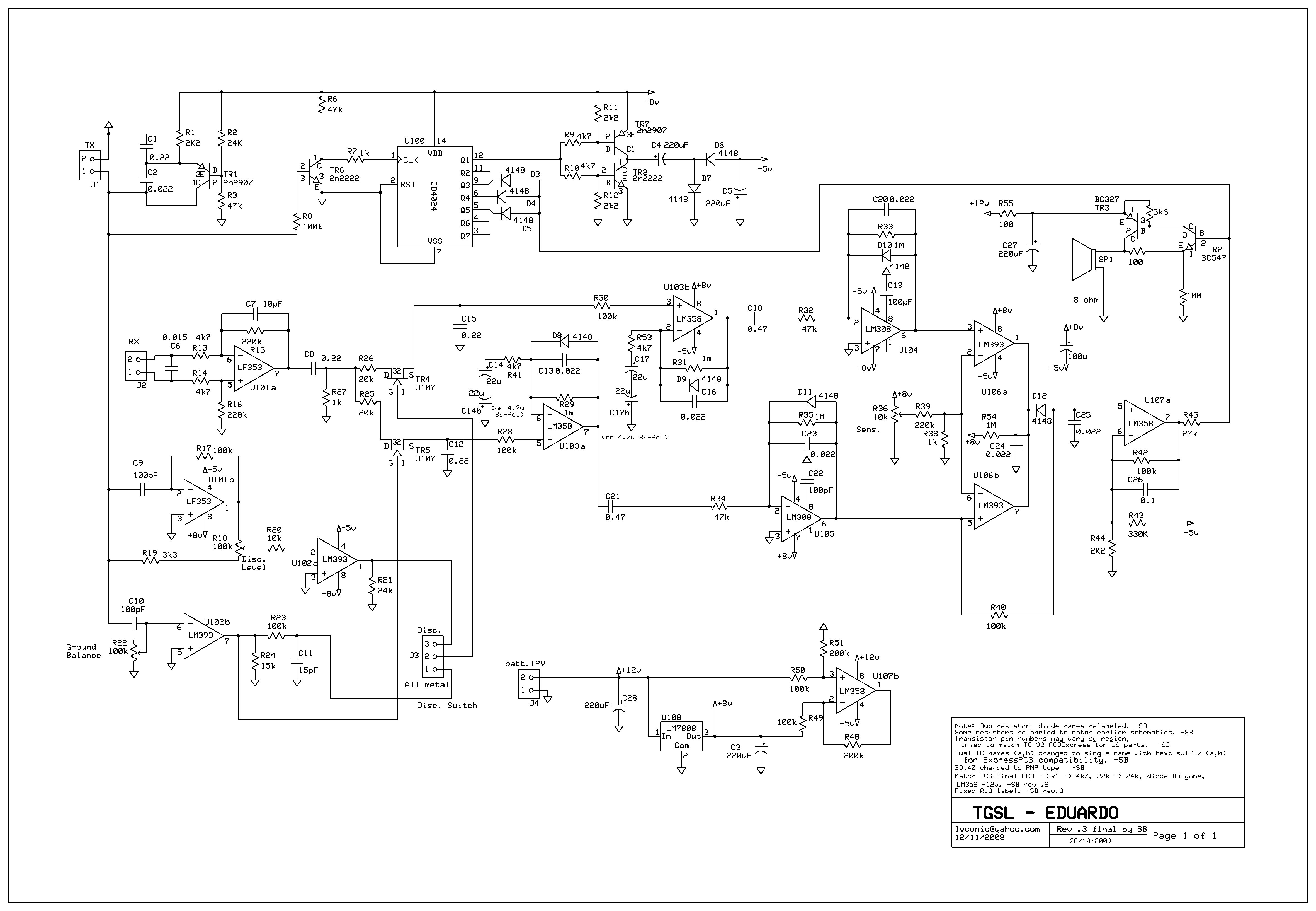
[ATTACH]56790[/ATTACH]
[ATTACH]56791[/ATTACH]
[ATTACH]56792[/ATTACH][ATTACH]56793[/ATTACH]
[ATTACH]56794[/ATTACH]
[ATTACH]56795[/ATTACH]
https://diydetector.co.uk/store/inde...roller=product
Comment
-
It's really not possible to buy where I am. Please have someone send me a PCB picture. Thank you.
[email protected]
Comment
-
Originally posted by mostafalesnar91 View PostIt's really not possible to buy where I am. Please have someone send me a PCB picture. Thank you.
[email protected]
[ATTACH]56800[/ATTACH]
https://www.geotech1.com/forums/show...mplete-Details
Comment
-
I want TGSL-EDU version!!!!!!Originally posted by waltr View Post
unfortunately is not here!!!!!!!!!!!
Comment
-
Get the dimensions from here!Originally posted by mostafalesnar91 View Postthanks!!
tell me size of pcb?????Attached Files
Comment
-
I just mounted everything in place of my TGSL and now I noticed that the coil causes the detector to beep when I touch it:
https://youtube.com/shorts/F4RoJS4dsro?feature=share
Im using a Tesoro widescan coil, all works great but it is sensible to touch. Someone has an Idea of what could cause this?
Thanks!
Comment
-
imo a fake coil, without the shielding. typical. if there is not the shield inside. KT315.Originally posted by cristiano.sar View PostI just mounted everything in place of my TGSL and now I noticed that the coil causes the detector to beep when I touch it:
https://youtube.com/shorts/F4RoJS4dsro?feature=share
Im using a Tesoro widescan coil, all works great but it is sensible to touch. Someone has an Idea of what could cause this?
Thanks!
or... your connection of board to coil pins is not right.
Comment


Comment