Announcement
Collapse
No announcement yet.
Announcement
Collapse
No announcement yet.
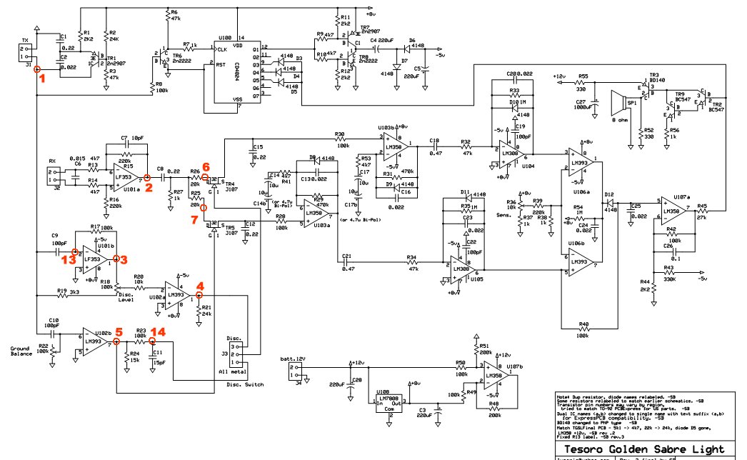
TGSL Tuning & troubleshooting
Collapse
X
-
How much Volts needs the Colpitts Oscillator at the input (24k Resistor).
I have only 0,758V there and nothing is oscillating.
I think the problem is here and i can trace it until i gonna find the error without disassembling the whole board.
And how can somebody get about 16 Volts at the TX testpoint? Is this the battery Voltage with a stronger battery?
Comment


Comment