Announcement
Collapse
No announcement yet.
Announcement
Collapse
No announcement yet.
IDX-PRO+VDI
Collapse
X
-
I made this board using the Modified Mask here to Etch the Boards.Originally posted by golfnut View PostIs this one you made or a kit from silverdog?
I am finishing a second board in the next day or 2.
And that Attachment that you just posted is a Board image and Not ther MASK.
Also, it does not include FREQ connector.
Comment
-
And, below is the Coil :
Questions:
I find my MPSA13 overheats and the 2-inch range drops out to zero often.
Which Caps need to be Poly or Mica ?
- I only see directions for the 1uF Caps as Poly
- but Board Images seem to use all be Poly or Mica Caps ...
- I have only used Ceramic Caps so far - with intention to replace as needed.
Comment
-
You have clearly worked hard on this so far and Im sure one day you will get going.
The images are not good enough for anyone on here to help you.
Capacitor choice isnt based purely on IDX contsraint, rather just putting the right type for the job - in line with capacitor types and what they are best for.
from memory - dont quate me
Polypropylene, Polycarbonate nF range - all rounders below 10MHz, reasonable price
PPE - Very low loss below 1MHz, pricey, high end filters, surface mount can be tough to solder reliably, as they can melt
Silvered Mica - pF range often wax dipped, good long term stabilty, more for RF to VHF, take high volts well
Electrolytic - almost a small battery, 1uF-Farads good at reducing ripple on rails, - down side is they only go in one way
Electrolytic - non polarised - can handle a.c. signals will pass audio frequencies well, use in low freq filters etc
polyester, - small values, pF, low nF, signals to low RF used to be cheap and small. Poor mans silvered mica.
Ceramic - small values, pF,nF take volts well, not really for audio, mainly used in decouplng rails, bypassing, emi filtering, cheap
I would suggest getting a board from Silverdog and follow the silkscreen or my shematic in post 2401
Comment
-
-
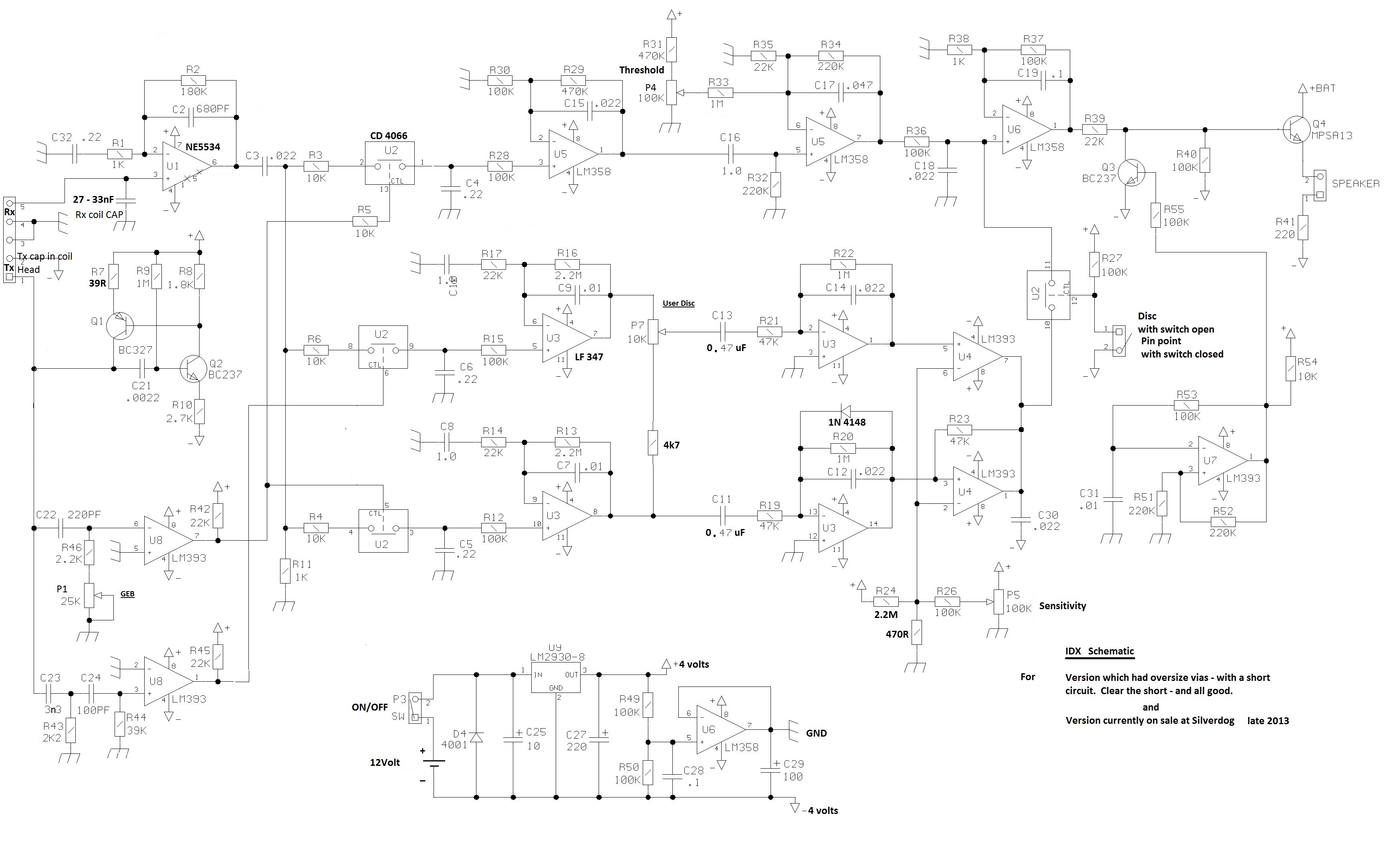
hi dear golfnutOriginally posted by golfnut View PostThis is the best schematic there is to the current pcb.
[ATTACH]29668[/ATTACH]
[ATTACH]29669[/ATTACH]
you send before these image here , and so why these values are diff ?
and about CC coil , can you teach us , please.
regards
Comment
-
MSPA13 should be cold. Wrong component short or wrong orientation. Had a quick look at your photos lot of work there but can't see enough detail to check for youOriginally posted by ampirate View PostAnd, below is the Coil :
[ATTACH]29684[/ATTACH]
Questions:
I find my MPSA13 overheats and the 2-inch range drops out to zero often.
Which Caps need to be Poly or Mica ?
- I only see directions for the 1uF Caps as Poly
- but Board Images seem to use all be Poly or Mica Caps ...
- I have only used Ceramic Caps so far - with intention to replace as needed.
Comment
-
Okay, found 1 problem:
- Speaker was plugged into GND instead of 220R resistor - which overheated the MPSA13 and drained my batteries.
- I did not realize it; the mistake was assuming the diagram was correct.
- see: Page 30 Posting #734 -
IDXPCBFRONT-1024X768.JPG
But, I still only get about 2-inch range.
I carefully adjust the coil to a hum,
then a Coin waved within only 2-inch range - causes a Buzz and Beep.
While all the Pots still seem to have no effect high or low: DISC, SENS, OFS, GEB.
Comment
-
for your attachment you can use 2.7zener just turn it 180 deg.Originally posted by ampirate View PostOkay, found 1 problem:
- Speaker was plugged into GND instead of 220R resistor - which overheated the MPSA13 and drained my batteries.
- I did not realize it; the mistake was assuming the diagram was correct.
- see: Page 30 Posting #734 -
IDXPCBFRONT-1024X768.JPG
But, I still only get about 2-inch range.
I carefully adjust the coil to a hum,
then a Coin waved within only 2-inch range - causes a Buzz and Beep.
While all the Pots still seem to have no effect high or low: DISC, SENS, OFS, GEB.
and if you have problem check all part and careful dont have short circuit . print of your pcb in paper then check with multimeter , it can help you more.
excuse for my English
Comment
-
-
Originally posted by mohandes View Posthi dear golfnut
you send before these image here , and so why these values are diff ?
and about CC coil , can you teach us , please.
regards
Adding the trimmer gives user flexibility to cope with variance in coils - try this if you like
The pcb/schematic in 2401 is as supplied in the kit
both work, neither is wrong, you choose.
Comment
-
Golfnut,Originally posted by golfnut View PostDo you have osilloscope?
You need to measure Tx coil ac peak to peak volts...This is start point or non can work - in range 10 to 20 V pp
My scope is showing me from TX pins (with COIL and Cap 1uF) clearly a SIN at about 300Hz of 2V pp.
I am using Q1 BC327 and Q2 BC547 - this should follow spec.
Comment

Comment