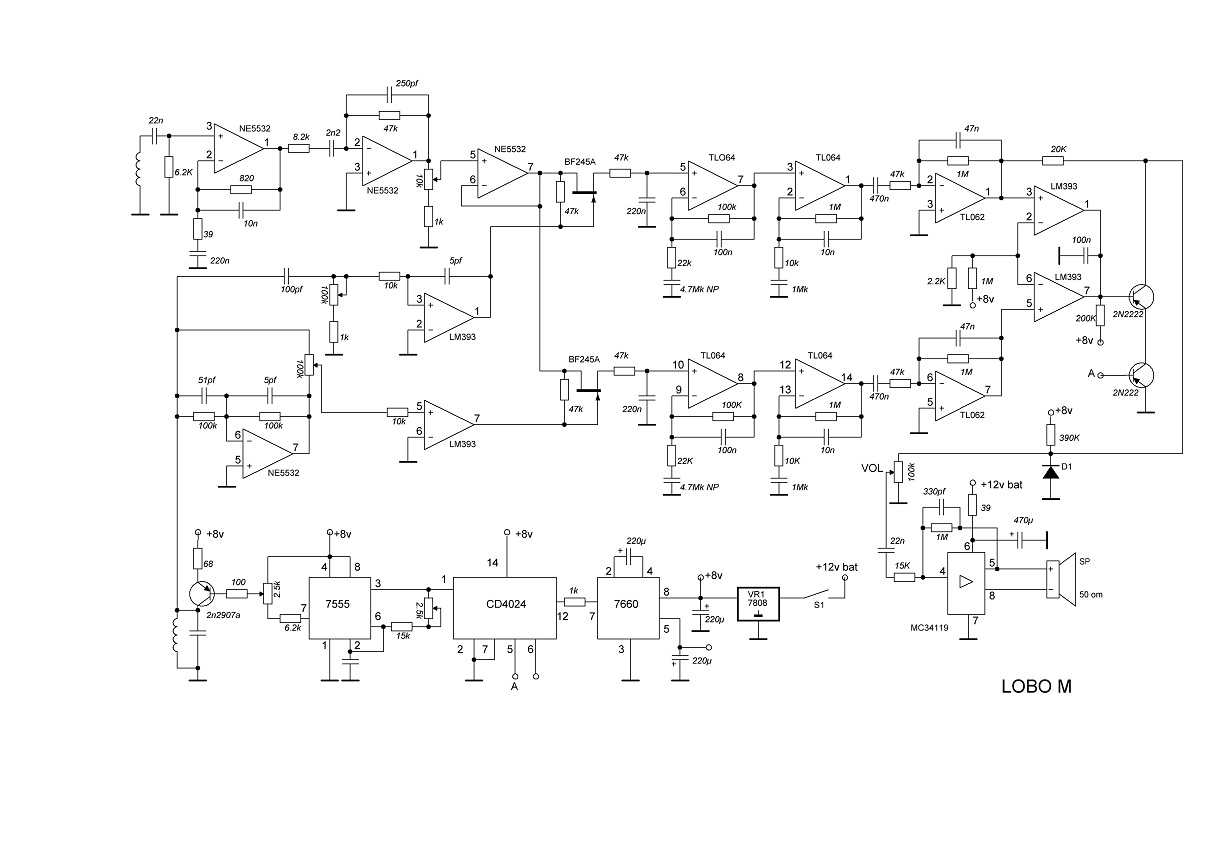
With the IB VLF if the Rx is tuned to the Tx weird things abound. To make these usable the Rx coil must resonate a little away from the Tx..
often the Rx coil and cap is chosen to resonate at about ~66% of the Tx freq
often the Rx coil and cap is chosen to resonate at about ~66% of the Tx freq

Comment