Announcement
Collapse
No announcement yet.
Announcement
Collapse
No announcement yet.
Delta Pulse
Collapse
X

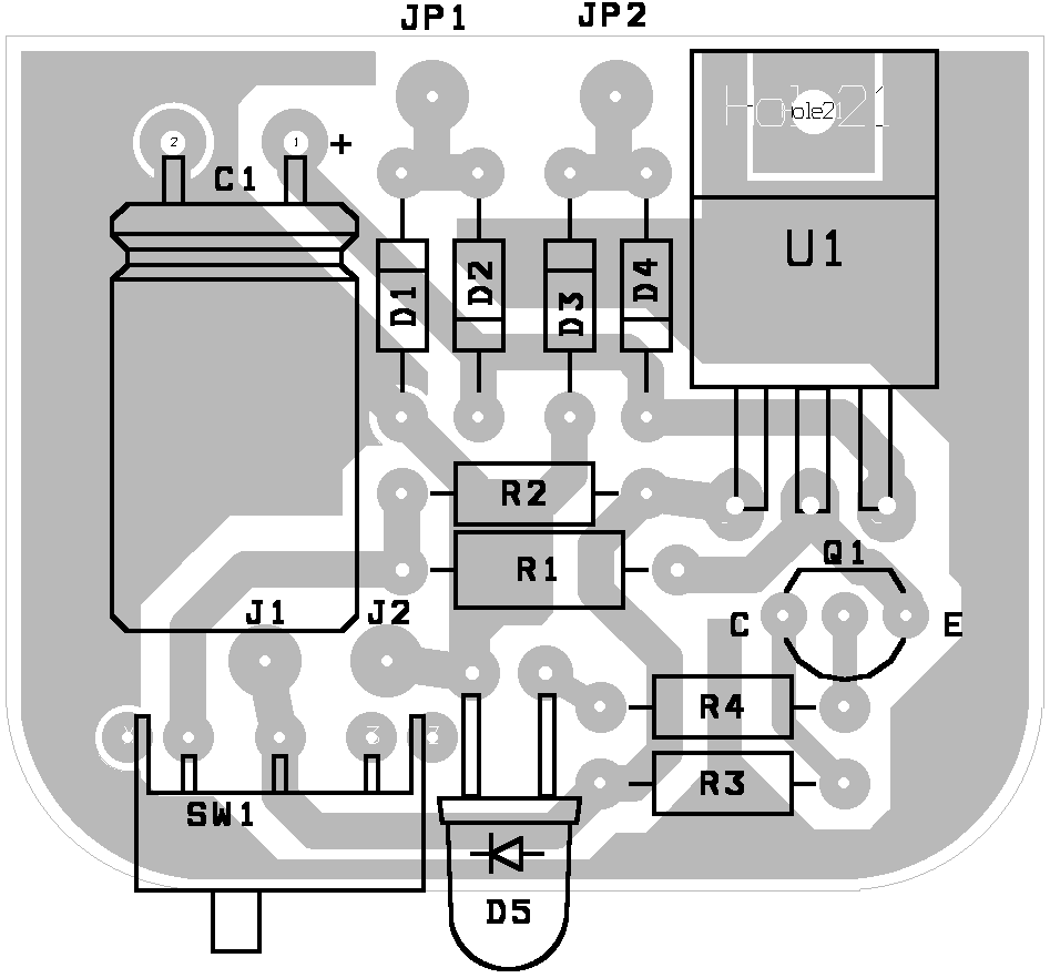
[ATTACH]22468[/ATTACH]
Comment