hi kt315
update circut this work and I can detect GOLD with this timing
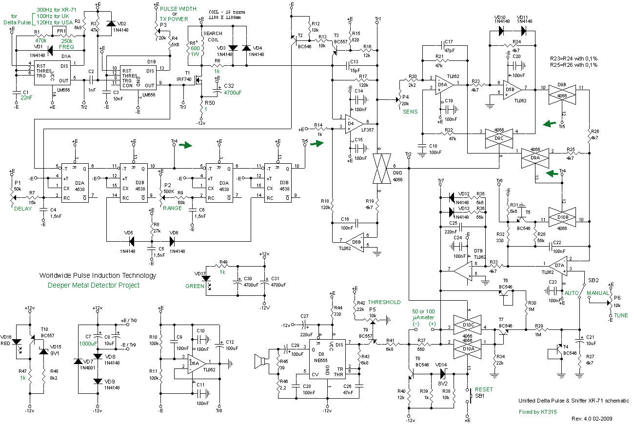
TIMING:
Frequncy = 1001.5 Hz
PW(ON PULSE) = 101.25us
delay= 15us
first delay = 45us
interdelay = 198.75us
second delay = 45us
OFF PULSE = 592.5us
update circut this work and I can detect GOLD with this timing
TIMING:
Frequncy = 1001.5 Hz
PW(ON PULSE) = 101.25us
delay= 15us
first delay = 45us
interdelay = 198.75us
second delay = 45us
OFF PULSE = 592.5us



Comment