Originally posted by porkluvr
View Post
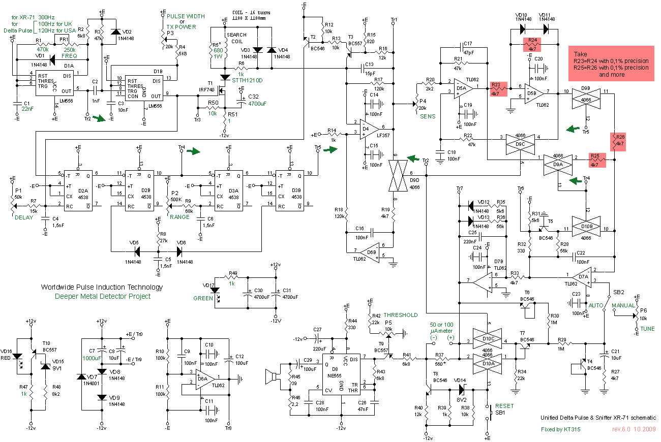
lol I have my hand on STTH1210D where to put it.? and have they used 1n4001 as replacement for stth ?


good scheme for good people
Comment