Announcement
Collapse
No announcement yet.
Announcement
Collapse
No announcement yet.
Delta Pulse
Collapse
X
-
1. Look for loose wires inside your circuit, if they are needed, make them as short as possible and try to place them far away from noise sources like T1 or D1 or other semi conductors. Every bit of noise will decrease sensitivity!Originally posted by vourvon View Postnick_f,
Thanks for the reply. Yes I'm sure to the reading of my VOM ( analog ) bcoz I checked to the other VOM ( digital ) almost read closely, No not measure a high resistance when I reduced the no. of turns from 16 with 5.5 ohms to 8 with 2.7 ohms.
akademiker,
Thanks for the reply, I don't have a osciloscope but in my company have many osciloscope and I can go entered the units but without coil, can I check the signal to osciloscope without coil.
Same question:
1. What parts should be possible damaged and need to change
2. I need 1m X 1m coil, I have available #24 awg, How many turns I need or need to change the # of wire.
Additional.
3. What is the minimum and maximum resistance of the coil.
vourvon
2. 1m x 1m 7 turns of #24
3. Not less than 2,5Ohm and not more than 3,5Ohm
And please dont test your 1m x 1m coil inside your house or it will detect mainlines. When deltapulse detects something it tries to supress the signal when the object doesnt move. When it supresses too much it doesnt detect as usual.
Comment
-
akademiker,
And thank you also for answering my question and I will follow your instruction regarding the arrangement of loose wire and not testing inside the house instead outside and thank you also for the information of the min. & max. resistance of 1m x 1m coil.
vourvon
Comment
-
Hi,
I double check my electronic parts vs schematic diagram and found out that I interchange the value of R9/56k & R28/68k and I corrected. I replaced also the slightly burned R5/2.2k and R6/680 1watts and the resistance of slightly burned R5 & R6 are not change. Also I found that I used NE556 instead of LM556 is this create a problem on poor detection.
vourvon
Comment
-
NoNoNo not a wire with 8 cores and just one turn, this is not how a coil works!Originally posted by vourvon View Postraff33,
Thanks for the advised, you mean 1 turn only of ADSL cable with 8 wire inside, ok I try it once I buy the wire. Can you give the approximate size of the object you detected in 2.2m.
vourvon

Its like a racecar: Driving 8 laps or driving 8 cars simultaneously one lap is not the same!
It is strange, that R6 burned in the circuit. Even when you connect it directly to 12V only 5,4mA will flow (Current= Voltage/Resistance), which creates 65mW of heat dissipitation. A 1/4W resistor should handle that without problems, but maybe you used a SMD or very miniature resistor.
"I replaced also the slightly burned R5/2.2k and R6/680 1watts"
You mean R6=2,2k and R5=680? If not, according to schematic R5=680 1W and R6=1k/2,2k
LM556 or NE556 wont make a difference, because they are just used for creating the hearable sound. LM556 is just slighty better when creating very high frequency, which a human could never hear.
Btw: ADSL cable is very thin afaik and should not be used. I recommend simple braided wire, which is used for electro installations of mainlines. It is cheap and common.
Comment
-
akademiker & raff33,
Thank you again for the info.
Hi,
Here is the picture of my DP assemble, please check if I have a problem coz the unit until now is not working. 1st when I switch on the power I heard sound ( full volume control knob ) then after a sec I push the reset and start the low pitch of the sound then after adjustment of threshold and noise knob the sound became silent but never detect a metal. Thanks in advance for the advice.
vourvon
Comment
-
hey you there... say why you do want use an radiator? on big PULSE WIDTH 300...400...500 usec MOS-FET is like hottie omelet. DELTA PULSE is NOT ORDINARY PI, like Surf PI for example, it works on huge PULSE WIDTH value... desolder MOS-FET. put on stand alone radiator. I will not again repeat why you have to do it.
Comment
-
kt315,
Thank you for sharing and I know that is one requirement to put a heatsink, soon I will used when already have but now I'm not encountered overheating of MOSFET only warm maybe because I don't know the setting of knob also the PULSE WIDTH for 300...400...500, Can you explain how to get the pulse width and how to work the:
1. Noise = I think to remove the noise
2. Signal = ???
3. Sense = ???
4. Gain = ???
5. Threshold = ???
6. Volume = to loud the sound
Thanks in advance.
vourvon
Comment
-
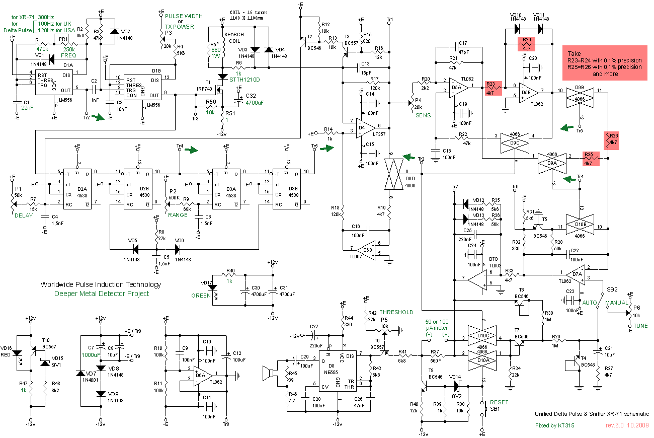
where you see "NOISE" "SIGNAL" "GAIN" on the schematic here?
WHERE????????
Attached Files
Comment
-
kt315,
I used this schematic. Anyway to align to your post schematic here is the controls:
1. Pulse Width or TX power = ???
2. Delay = ???
3. Range = ???
4. Sense = ???
5. Threshold - ???
Thanks in advance.
vourvonAttached Files
Comment
-
vourvon, build your device, hunt with your DP one year and more, get full experience and come back in forum. I will wait you here... with your new experience and trial.Originally posted by vourvon View Postkt315,
I used this schematic. Anyway to align to your post schematic here is the controls:
1. Pulse Width or TX power = ???
2. Delay = ???
3. Range = ???
4. Sense = ???
5. Threshold - ???
Thanks in advance.
vourvon
good luck, my friend.
Comment

= 3.5 ohms it detect big object at 2.20 m .
Comment