diodes ultra fast recovery
hi all
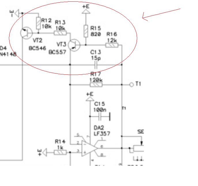
is that I can change the two diode 3 and 4 1n4148 diodes in delta pulse with ultra fast recovery?
thank you
best time
hi all
is that I can change the two diode 3 and 4 1n4148 diodes in delta pulse with ultra fast recovery?
thank you
best time

Comment