Max Qiaozh
Dear max qiaohz please help
Ivconic became so tired with and telling to buy a new MD where?????
i live in a bloody country Iraq we have nothing that is why i need your help.
My problem is
i have made Ivconic last TGSL but when tested i hear i countinuse sound
also when nulling coil i hear countinuse sound with some cracks
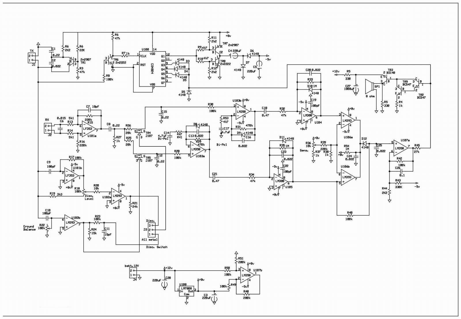
i have changed everythng no use when disconnecting the diode by LM393 the sound stops but very bad depth say 1-2cm for coin but when connecting its depth good but countinuse sound

all LM358 LM393 LF353 voltage are -v6.1 pin4 and 7.9 on pin8 so what is the problem please TX gives nice sinewave coil i test with Gift pack is ok
so please
TX freq is 14.4khz
please help
best regards
Dear max qiaohz please help
Ivconic became so tired with and telling to buy a new MD where?????
i live in a bloody country Iraq we have nothing that is why i need your help.
My problem is
i have made Ivconic last TGSL but when tested i hear i countinuse sound
also when nulling coil i hear countinuse sound with some cracks
i have changed everythng no use when disconnecting the diode by LM393 the sound stops but very bad depth say 1-2cm for coin but when connecting its depth good but countinuse sound


all LM358 LM393 LF353 voltage are -v6.1 pin4 and 7.9 on pin8 so what is the problem please TX gives nice sinewave coil i test with Gift pack is ok
so please
TX freq is 14.4khz
please help
best regards


Comment