Announcement
Collapse
No announcement yet.
Announcement
Collapse
No announcement yet.
TESORO GOLDEN SABRE
Collapse
X
-
Don,Originally posted by dfbowers View PostRats.. Sorry about the wasted disk space
I've only made that mistake three times this week so far..
It is most certainly not a waste of disk space.
Thanks again for all of the hard work you put in that will make the quest for building a metal detector a lot easier for a lot of people.
Jerry
Comment
-
Thanks DON
All positive input is greatfully received, you have put alot into this project and its been noticed by all of us.
Dont know why maybe its the ground over here in the UK but still get better results by grounding the RX at the front end as per Tesro spec.
Im just starting round coil 12" coil 5.7/6.2mh, Let you all know how it goes
Regards
Dave
Comment
-
I did model this and the difference in loss was actaully very small.You could try an LTSpice simulation to see if you could demonstrate a significant advantage to locating the cap near the coil.
Again I wonder if one advantage of putting the cap on the PCB is to filter out some cable noise.
There could be some advantage to putting a high-Q TX coil-cap tank in the search head to minimize the driving current in the cable -- that is, if you ever wanted to play with high-Q TX tanks, which may have some disadvantages such as ground sensitivity.
I guess its because a parallel tuned ctt is a high impedance cct and only small currents flow.
If cap/coil were in series then there would be more currents flowing and more copper losses.
steve
Comment
-
I think with parallel tank small currents flow from the driving source (not to be confused with the coil being part of the oscillator like the TGSL), but fairly large currents can slosh back and forth from the capacitor to the coil with a high-Q tank. That was the point about putting the cap in the coil head, to avoid all that current going up and down the cable.Originally posted by golfnut View PostI did model this and the difference in loss was actaully very small.
I guess its because a parallel tuned ctt is a high impedance cct and only small currents flow.
If cap/coil were in series then there would be more currents flowing and more copper losses.
steve
-SB
Comment
-
Just thinking with my fingers here but maybe putting the cap and also an impedance transforming circuit like a preamp or follower circuit in the search head will make it so the cable shielding is not so critical in picking up unintended noise. Much the same reason for using low impedance microphone's vs high impedance mic's on a sound system.Originally posted by simonbaker View PostI think with parallel tank small currents flow from the driving source (not to be confused with the coil being part of the oscillator like the TGSL), but fairly large currents can slosh back and forth from the capacitor to the coil with a high-Q tank. That was the point about putting the cap in the coil head, to avoid all that current going up and down the cable.
-SB
Jerry
Comment
-
You were reading my mind.. I have been thinking about the benefits of doing that for some time (Preamp in the search coil). I was trying to find a schematic but I think that one of the Minelabs had a rectifier in the search coil, and generated the power for the Rx pre-amp right off of the Tx signal.Originally posted by Jerry View PostJust thinking with my fingers here but maybe putting the cap and also an impedance transforming circuit like a preamp or follower circuit in the search head will make it so the cable shielding is not so critical in picking up unintended noise. Much the same reason for using low impedance microphone's vs high impedance mic's on a sound system.
Jerry
As far as the cap in the search coil, I'm wondering if manufacturers do that just to ensure that the coil will tune the same on any detector.
Comment
-
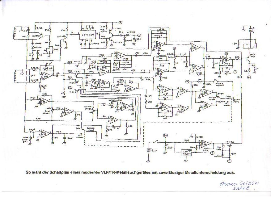
The schematic in the PDF TGSL_101 _PART1.pdf seems not quite correct, the output of U107b goes nowhere so it serves no purpose. Just curious. Compare it to the schematic in this post concerning the area mentioned. While it would add more wires to the cable between the search head and the control box I can see the improvement putting blocks 1,4 and 9 in the search head (coil assembly). Obviously block 9 because it is part of a dual IC in block 4. Block numbers being named in the PDF mentioned.
Also in answer to a question here the capacitors C1,2 and 6 should be at the coils in the search head for maximum TX and RX signal. This would aid operation in more than one way. Increasing the Q of the LC (+R) in both not only narrows the BW of the signal it also increases the resonant rise in the RX signal improving sensitivity and depth, as well as increasing the strength of the TX signal. As an added bonus the S/N ratio will improve for the processing circuitry, giving greater noise immunity overall. I have read much talk on shielding but no consideration to eddy currents set up which would reduce depth by interfering with the field of the TX coil. It appears most shield the entire coil assembly yet the TX coil is not the one needing it. By not shielding the TX coil an increase in radiated field would be seen increasing detection depth since eddy currents in the shield will not be interfering with the TX field strength.
To me shielding only the RX coil while considering the type of metal used as well as it's thickness is a good place for improvement. So is picking a metal very slightly diamagnetic such as silver foil for the RX coil shield. However expense likely rules this out. Pb is toxic, Be both toxic and too hard, Bi and Cu are too diamagnetic, Ag too expensive, so I would have to say Zn foil is just right. Cheap and not too diamagnetic, given a thin foil which is just enough to shield noise but not interfere with alternating magnetic fields at 15 KHZ. Has anyone tried these ideas?Attached Files
Comment
-
Hi
I been mounting the TX/RX caps in the head end for the quite sometime, the reason been so its possible to make multiple coils to fit the TGSL.
Far as performance in real terms ie ground tests not noticed any difference.
I tryed just screening RX in the early days of this project with various metals like mylar,kitchen foil even lead and copper, not sucessful in the UK as screening both RX/TX coils.
Theres a interreaction between both TX/RX which seems to pick the crap up from the TX coil but to date cant answer the reason why and im not sure anyone else can, but it is there and its a pain the *** because im sure depth is lost due to the TX screening.
The TGSL 101 posted does work ok built from the earlier postings together with various mods to improve performance.
Warm regards
Comment

Comment