Originally posted by johnsmith77
View Post
The detection distance is now about 33cm, but the tone is still faint and short.
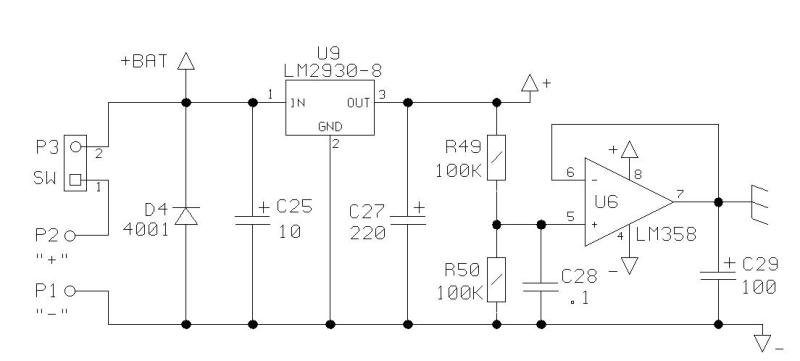
All voltage rails are now quite clean: the 14.5 kHz ripple is below 2mVpp while it was 40mV before modifications.
There's total of 10 pieces of 330nF capacitors, soldered between the + rail and ground, where they are close enough for a SMD capacitor to reach them. I think these capacitors are not needed if the minus voltage is taken from a separate battery.
I will next try to get the tone loud and long, as it is up to 20cm distance for a 2 euro coin. If successfull, then I conenct the TR7 back and install some bypass caps more. It is not convenient to have two batteries.
I think that even if the spikes are synchronous with the sampling FET, they still mask the detection, as the coin movement across the coil is not synchronous and the voaltge it creates, is much lower than the 40mV forest of spikes. I'll take some pictures and add later.


Comment