>Are you measuring the TX or RX signal as reference (your scope screen says RX)?
>Most useful to start with is measurements vs the TX signal.
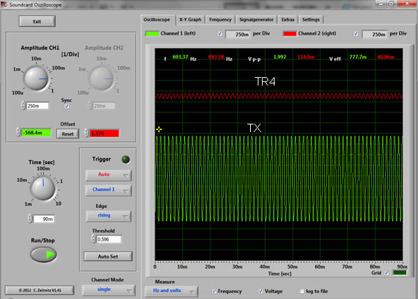
that is TX graph sorry ... it was early in the morning
typo in photoshop...
>Have you tried moving the cable in different configurations, touching it with your hand, etc. to see effect on beeping?
tried varius combination of wires in USB cable... it is not responsive to touch
>Do you have some RCA audio cables you can try as a substitute?
to separate TX from RX... OK will try that also
STP - UTP ?
>Probably not easy to help you troubleshoot without good equipment. Obvious ideas are to double-check your solder joints; make sure >no solder across traces; clean resin off PCB.
cleaned few times... MD works with more overlap ... no disc. mode
>I would still want to see all signals I mentioned compared to TX, to get phase relationships,
>although the PC scope may be interfering somewhat.
will post rest of them today...
>Most useful to start with is measurements vs the TX signal.
that is TX graph sorry ... it was early in the morning
typo in photoshop...>Have you tried moving the cable in different configurations, touching it with your hand, etc. to see effect on beeping?
tried varius combination of wires in USB cable... it is not responsive to touch
>Do you have some RCA audio cables you can try as a substitute?
to separate TX from RX... OK will try that also
STP - UTP ?
>Probably not easy to help you troubleshoot without good equipment. Obvious ideas are to double-check your solder joints; make sure >no solder across traces; clean resin off PCB.
cleaned few times... MD works with more overlap ... no disc. mode
>I would still want to see all signals I mentioned compared to TX, to get phase relationships,
>although the PC scope may be interfering somewhat.
will post rest of them today...

Comment