Here is an updated parts list. The original one was distributed by Silverdog, see post #335. I have updated the following: R2 100k->180k, U2 CD4016 -> CD4066, D3 1N4148 -> 1N5223. Especially D3 gave me some trouble, with the 1N4148 iron discrimination did not work. I hope this is of help to someone.
Announcement
Collapse
No announcement yet.
Announcement
Collapse
No announcement yet.
IDX-PRO+VDI
Collapse
X
-
how it doesnt work with 1n4148? this diode work with be but in inverse direction of 1n5223 which is zener diode?Originally posted by joop View PostHere is an updated parts list. The original one was distributed by Silverdog, see post #335. I have updated the following: R2 100k->180k, U2 CD4016 -> CD4066, D3 1N4148 -> 1N5223. Especially D3 gave me some trouble, with the 1N4148 iron discrimination did not work. I hope this is of help to someone.
can i use LF357 Instead of ne5534?
Comment
-
Quick question on using the IDX. Jiggle coil over target you get a broken iron tone, jiggle at a different angle and you get a very nice tone. Every time I dig one it's a rusty nail. Am I safe to ignore this type of signal or can it sometime be non-ferrous
Comment
-
I get broken tone if target is big or very rust as well. Seems pretty consistent. What I was wondering is if I get a broken tone in one direction and the swing across the target at 180 degrees and get a good tone should I dig as every time I have its been a nail. Following on from "some non ferrous give broken tone if it weak or deep" it's probably worth digging if it's a week signal and ignore if it's on the surface few inches.
Comment
-
Could be looking at this wrong. I take my scrap home. Dug seven of these little pieces of iron not all the same size but all long and thin. Not ajusted my setting on the MD and retest with them loose on the ground. Not a single one gives a good tone. If I swing at 90 no tone at all. If swung along the length then there is a very slight crackle. But originally in the ground I was getting a nice strong consistent beep when swung in one direction?
Comment
-
here is my part list, see in a thread a post #6. I hope this is help to someone.Originally posted by joop View PostHere is an updated parts list. The original one was distributed by Silverdog, see post #335. I have updated the following: R2 100k->180k, U2 CD4016 -> CD4066, D3 1N4148 -> 1N5223. Especially D3 gave me some trouble, with the 1N4148 iron discrimination did not work. I hope this is of help to someone.
http://www.geotech1.com/forums/showt...&highlight=IDX
Comment
-
Strange... maybe you need to play with your GEB pot. See if that setting cancels the iron signals when detecting over ground.Originally posted by Koala View PostCould be looking at this wrong. I take my scrap home. Dug seven of these little pieces of iron not all the same size but all long and thin. Not ajusted my setting on the MD and retest with them loose on the ground. Not a single one gives a good tone. If I swing at 90 no tone at all. If swung along the length then there is a very slight crackle. But originally in the ground I was getting a nice strong consistent beep when swung in one direction?
Comment
-
If you made a kit try this before you take it outside.
Set up coil head away from metal objects and electrical noise.
turn on, set Disc to all metal end of pot travel, put the sens and thrsh in mid travel for now
Get a peice of Ferrite - the AM radio rods are good for this, use about a 1" bit. Also the clamp around mains emi filters are good.
Wave the ferrite at about 4" away from coil. Rotate the GEB pot a little, retry, do again, ... Do full pot travel from end to end pausing the travel for the wave.
You will find there is a portion of travel where the tone rings out. and a quiet area of travel. Set the position so that the tone is ringing on a wave. and back the pot off so you just reject the ferrite and you no longer hear it. This is the starting point for your testing for alloys. This is approx set for use on a lot of soils too. Not all. Not on wet grass either. Clean flat soil is the best.
You now need a range of alloys/ targets. Dont use ring shapes or sheet materials or washers. Do not use clad steel modern rubbish coins or some american ones which are clad. Dont use thick iron anything bigger than 1/2" section may give you no reject, as long time constant. Dont use heavy rust items.
I use about 4 targets.
1 Clean unplated machine screw, in steel, not stainless or bright zinc plate
2 old copper Farthing or a roman bronze
3 Gold watch back 12mm Dia
4 hammered silver coin 12mm dia
I conjunction with your ferrite about covers the range
Set the Disc pot to reject the Iron to a slight clip or snap that you can deal with in headphones, it will often be a one way snap. If you go beyond this reject point depth to real targets suffers too much. This is a reasonable setting to hunt in.
The Gold, bronze and silver should all ring out.
The silver response will probably be a little lacking compared to the bronze - this is because the silver phase response is later. We only have a Disc gate set at a particular time and cant be optimal for all phases. It does work and you will get silver.
Set like this, take it into the yard find some clean dirt/ soil move the sens and thresh to make it as sensitive to small targets as possible and as loud as possible without hearing continuous tone. Do not use the PP.
Bob the coil - dont need to touch the ground - and you either will or will not hear a tone burst on either the approach or the retract.
If silent sounds like you got lucky setting the GEB - test this by advancing the geb right up and bobbing you should now get the tone. Re adjust until tone just goes away.
If tone when BOB , then adust geb pot to kill the tone during bob.
When set your off.
Bury a nail, bolt, a lead ball 12mm, a silver blank, roman coin, in a bed and leave then there.
You can always come and try your GEB, and Disc on this repeatable test bed - Do a sweep to pull junk first!
With the nail you should not get more than a quick snap or a click, at worst a one way thin tone.
Some targets will give a double beep - this is when the target is on the surface - a huge phase pull that moves the Transmit phase is the cause of the double beep - handy to remember. These ones are no dig- you will get with them with probe on its side..
I can reject small nails. Some dont go completely and you may have to live with it. I find that as there is stubble, hay waste, shooting crops especially damp it becomes too noisey and I can dig junk. If you Rx tuning is well peaked you can start listening to the hole you dug - very annoying.
With clean flat earth or short dry grass these machines are reasonably effective for a home made.
Rusty nails are harder to reject. Often give a click or snap often it is a one way.
The orientation of the nail does give a difference. If I get a snap, and no tone I dont go back and turn the coils 90 deg and re sweep.
The fact I got the snap and no tone tells me its small iron and the Disc has done its best to reject it.
Small nails I can reject, it just means you need the Disc pot further over - you will still hear a snap or a one way tone or nothing. You need to recheck and see if you get a full 2 way clear tone. If you do..
Rusty nails are harder to reject. Often give a click or snap often it is a one way, some fool you and you dig them.
In this case it could be a large medieval rusty nail, as there is two things conspiring against you
1 Thick section of iron which has a long time constant and shows up where the Disc gating lives - so you get it. Happens on all, even GMP
2 Thick rust - often when wet appears to have a phase response these machine just see.
I guess there is so much variation between all of our builds we end up like this. The main source of variation has to be the coil and its phasing of Tx and Rx signals.
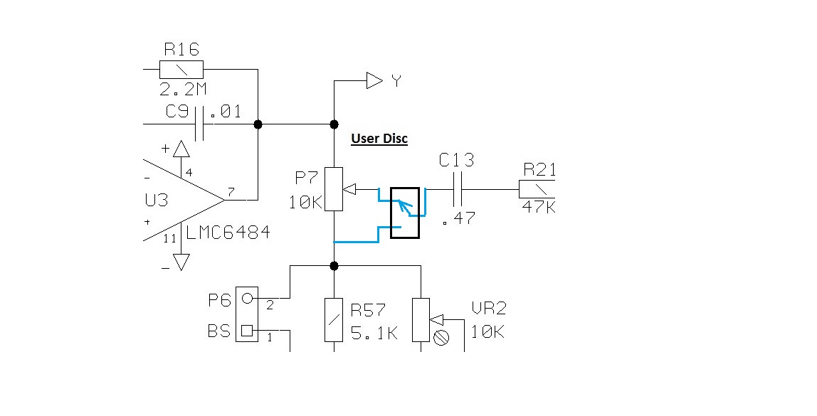
Try the trimmer between the x and Y channels - mine is best all one way over if you havent before.
Joop and I and others have posted some Scope traces of the signal phases on our kits.
They are different to Dons write up for the TGSL - mainly as the Tx circuit is not a colpitts type and the Tx voltages and currents are not the same.
If you got access to scope worth tallying yours and ours to get the pooled knowledge and discover where problems lie and extract the pattern of what the fail modes are with various buil attempts.
Regards
Steve
Comment
-
Excellent explanation on how to set the machine up thanks Steve.
"The orientation of the nail does give a difference. If I get a snap, and no tone I dont go back and turn the coils 90 deg and re sweep"
Thanks that what I need to know.
Orientation does make a difference on my MD very repeatable on the lower Disc settings.
"Try the trimmer between the x and Y channels - mine is best all one way over if you havent before. "
Forgot about this was playing with it when I another problem. What the best way to set this up I don't have the LCD. Is it just trail and error
Another thing I have found is if I but a small piece of iron on the ground and sweep over it with the disc set to reject completly then add a none ferrous target the detector see the target no problem even right up to the iron. If the iron is larger and gives a the large crack sound a sort of overload the detector goes blind for quite some time. With a normal sweep the detector is blind for well over 12" this is with a stock 8" coil. I this normal.
Comment
-
"What the best way to set this up I don't have the LCD. Is it just trail and error"
I did air distance test and tried it over full range a few times. It gave me more distance pot at one end and still good iron/ferrite reject and accept of gold silver and bronze.
All large iron is the nemesis it does all of the following...
Maxes the Rx chain and saturates the filter amps into compression especially the GEB Ch (which has the log amp diode function feedback) These have a recovery time..
The transmit phase and or frequency shifts about depending on the mass of the iron. This needs to settle after the kick.
The time response associated with large iron is huge so once energised it shouts back at you for ages - which means you see it from further off.
Currents flowing in ferrous create a magnetic field like an electromagnet so it is a royal pain.
I hear the massive BAM from large iron and you get to hear it on the appraoch and the exit, the tone appears drawn out and you can move your coil over it and nothing much changes - this is large iron.
I hunt in ALL metal, then toggle to DISC on a momentary action switch - If I get this large BAM, I back the coil away until I loose it, (to find its extent) edge the coil in until I just get it again and then go to DISC if I get a crack/snap/sharp blip - its Iron walk away
Also you will detect these from 12" in the air - walk on. GMP does this too. Just get feel for what it is then its less of a problem.
Most good targets will dissapear if the coil is 4" above the ground, so you sense the scale of the items quickly.
Try a toggle switch like this.. search all met then toggle to disc and see if it goes or stays the same.
Switch as drawn, is user defined DISC setting.
Switch down is ALL Metal - simples
S
Comment
-
Thanks again much appreciated for the help.
Some of it has been user error
Been practicing with items I have found. One mistake I have been making is swinging far too fast. By slowing the swing right down and sneaking up to a 6" rusty bolt that overloads the MD I can easy see 2 pound coin 2" away with a nice clean tone in disc mode.
Still don't understand the digging nails with good tone. None give good tone at home. Looks like someone spilt bag. The ground was grass and soil for the top inch or so and loose stones underneath. Cut around three sides of a square and turned the sod over. Rescanned the area and always good tone from the sod. On one target I turned the disc right up and still got good tone. Don't have a pin-pointer yet so wave handful of soil in font of the coil until I get a tone then keep halving till I find the target always a good tone. Now at home none give a good signal. Tried re-wetting the nails still silent in disc? Could it be some kind coating on the nails that's washed into the soil that's the problem? Might take them back and retry.
Comment

Comment