Is this the correct cct for the VDI ?
Announcement
Collapse
No announcement yet.
Announcement
Collapse
No announcement yet.
IDX-PRO+VDI
Collapse
X
-
IDX/VDI
I tested my IDX today out in the country, and I have to report good results. Discrimination is about perfect, ferrite rejection is perfect. Depth is better than my TGSL, with a nice strong signal in the phones and speaker. The VDI works better than I had hoped! I got a signal of about 38 on the VDI and I thought it was probably a penny. I dug up 2 separate targets and they looked like old steel,and I thought oh crap! I took the pieces in the house to wash off the mud and it turned out to be a brass hose end and a 1/2" copper pipe cap. So the VDi was not fooled! I then hit targets reading about -5 to +5 and they turned out to be steel.
I see Eduardo is getting nice results with a Whites coil. I am using a homemade DD coil and getting good results. I am now tempted to go back and finish fine tuning on my homemade quicksilver coil. Although I think Eduardos board is smaller than it needs to be, I think he did a fine job and I would highly recommend this board as it works very good! In addition Holyuser gets all the credit for the cool VDI! I love it. I put a switch on the VDI, so I keep it off til I hit a signal, then turn it on that way there is very little battery drain.
Comment
-
I have also done the DD coil of 27 cm and the detector goes even deeper.1€ coin to 47cm in the air. I have put this video for people who do not have the ability to manufacture its own DD coil and the people you have in your home an original coil Whites. The results are very good in both cases. Our friend Silver Dog and PCBs can be made if desired. Greetings to all.
Comment
-
Was that your MDs? Hibrid X? Very good and very deep detection. Was that the IDX-Pro circuit that you were using? Maybe before the LCD? (sometime in 2006 I believe....Originally posted by Orbit View Posthttp://www.youtube.com/watch?v=hnI1j...eature=related .Asto concerning a second display that works great.
I would be personally most interested to hear more details from you or the person concerned who calls himself "Wavefish" I believe on YouTube...
Regards
Andy
Comment
-
helloOriginally posted by eduardo1979 View PostI have also done the DD coil of 27 cm and the detector goes even deeper.1€ coin to 47cm in the air. I have put this video for people who do not have the ability to manufacture its own DD coil and the people you have in your home an original coil Whites. The results are very good in both cases. Our friend Silver Dog and PCBs can be made if desired. Greetings to all.
data can give your homemade coil
thanks
Comment
-
IDX/VDI
More field testing on the IDX/VDI today at two different sites, on sandy and black soil. The IDX/VDI was fooled by steel bottlecaps and large metal pieces just like the TGSL. I guess this problem is inherent to VLF's, and I will have to live with it. At least with a large piece you can tell by the size of the target response. Battery life has been better than I thought, so far today Ive had it running with the VDI on for 5 hours, and its still running. Well at least all the mosquitos were gone today
Comment
-
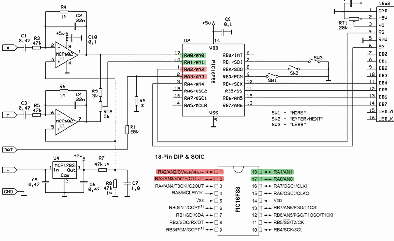
The P4 is the Threshold and this potenciometer is very necessary. This potenciometer must be put on the front panel of the metal detector. The Threshold influences the PIN-POINT and the detection in mineralized areas to eliminate false signals. The 1uF capacitor is not because the PCB is mounted inside the search coil with 33nF capacitor.Originally posted by Qiaozhi View PostThe 1uF TX tuning cap is not shown in the schematic.
Also, what is the purpose of P4?
Comment
-
Please explain again, thanks.
Hi Eduardo,Originally posted by eduardo1979 View PostThe P4 is the Threshold and this potenciometer is very necessary. This potenciometer must be put on the front panel of the metal detector. The Threshold influences the PIN-POINT and the detection in mineralized areas to eliminate false signals. The 1uF capacitor is not because the PCB is mounted inside the search coil with 33nF capacitor.
can you please explain that sentence for me as I simply don't understand (too long in Germany!) exactly what you wanted to say, sorry.
regards
Andy
Comment
-
I think he means the 33nF capacitor is inside the search head, and not on the PCB. Therefore it is not shown on the schematic. If I'm wrong, then Eduardo can explain further.Originally posted by der_fisherman View PostHi Eduardo,
can you please explain that sentence for me as I simply don't understand (too long in Germany!) exactly what you wanted to say, sorry.
regards
Andy
Eduardo - The P4 potentiometer is labelled "Freq" on the schematic, and it appears to be fine tuning the frequency of the TX oscillator. How is this related to the Threshold? I don't understand.Originally posted by eduardo1979 View PostThe P4 is the Threshold and this potenciometer is very necessary. This potenciometer must be put on the front panel of the metal detector. The Threshold influences the PIN-POINT and the detection in mineralized areas to eliminate false signals. The 1uF capacitor is not because the PCB is mounted inside the search coil with 33nF capacitor.
Comment
-
Originally posted by Qiaozhi View PostI think he means the 33nF capacitor is inside the search head, and not on the PCB. Therefore it is not shown on the schematic. If I'm wrong, then Eduardo can explain further.
Eduardo - The P4 potentiometer is labelled "Freq" on the schematic, and it appears to be fine tuning the frequency of the TX oscillator. How is this related to the Threshold? I don't understand.
The P4 in the scheme is to adjust the frequency as long as there are 2 metal detectors looking for the same type very close to each other. PCB is the Threshold p4. I did not know what you mean, a PCB or electronic schematics.
Comment


Comment