Announcement

Collapse
No announcement yet.

Announcement

Collapse
No announcement yet.

IDX-PRO+VDI

Collapse
X
 
  • Filter
  • Time
  • Show
Clear All
new posts

  • ok but I didn't understand this measurement of the null point it must be found the null point with the coils connected to the pcb and with the pcb connected to the 12v battery?
    and I have to measure the coils with the capacitors or without the capacitors

    Comment


    • The coil must be connected to the metal detector once turned on, the RX coil must be blocked and the TX must be superimposed as in the photo sent by you, the measuring instrument must be connected on the two RX wires, and by moving the tx slowly check the voltage in alternating current as low as possible.
      Once a voltage of 8 - 15 millivolts has been reached, also block the TX coil.
      The coil must have the capacitors connected and the idx turned on.

      Comment


      • Originally posted by dgm View Post
        The coil must be connected to the metal detector once turned on, the RX coil must be blocked and the TX must be superimposed as in the photo sent by you, the measuring instrument must be connected on the two RX wires, and by moving the tx slowly check the voltage in alternating current as low as possible.
        Once a voltage of 8 - 15 millivolts has been reached, also block the TX coil.
        The coil must have the capacitors connected and the idx turned on.
        good night I adjusted my coil at the null point it is at 8 millivolts it has improved the sensitivity a little bit it is taking a cell phone at about 20 centimeters but it still continued with the crackling sound like it was passing some object on the coil

        Comment


        • I noticed that removing the U4 lm393 integrated circuit from the board it stopped bibaring and it worked normally, but with little sensitivity
          picking up a cell phone from 20 centimeters I have already put another new lm 393 in its place, but when I put it on the sound starts to crackle again

          Comment


          • Hi good morning, I think it is a problem in the metal detector you have assembled, in my experience before soldering the components on the pcb you have to check them with a tool one by one both resistors and capacitors, just a different capacity or resistance can give problems. Now check again all the components you have installed, even the potentiometers that regulate the GB, the TH, the Sens and Discr .. One thing you didn't say the problem you have does it only in all metals or in discrimination?

            Comment


            • I think I put this capacitor wrong in the picture it shows 22 n this space means 220 n I think
              the correct capacitor is 22nClick image for larger version

Name:	20211016_121650.jpg
Views:	1
Size:	558.8 KB
ID:	362031

              Comment


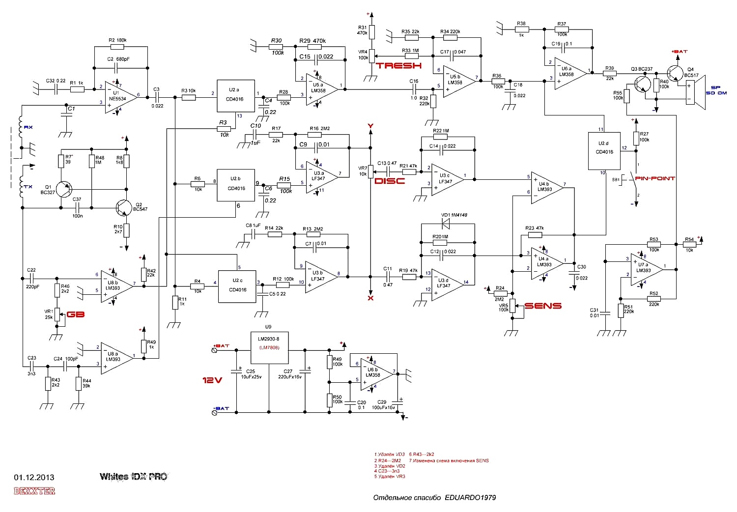
              • what is the function of the 10k VR3 on the board

                Comment


                • Originally posted by dgm View Post
                  Hi good morning, I think it is a problem in the metal detector you have assembled, in my experience before soldering the components on the pcb you have to check them with a tool one by one both resistors and capacitors, just a different capacity or resistance can give problems. Now check again all the components you have installed, even the potentiometers that regulate the GB, the TH, the Sens and Discr .. One thing you didn't say the problem you have does it only in all metals or in discrimination?
                  the problem is with all metals because I can't get any kind of adjustment

                  Comment


                  • Click image for larger version

Name:	20211018_074716.jpg
Views:	1
Size:	1.01 MB
ID:	362034
                    good morning I found 3 more wrong capacitors, these 3 marked in the photo I put 1nf and the project is 1uf I think this is the biggest mistake

                    Comment


                    • Originally posted by Uiliam950 View Post
                      [ATTACH]56175[/ATTACH]
                      good morning I found 3 more wrong capacitors, these 3 marked in the photo I put 1nf and the project is 1uf I think this is the biggest mistake
                      Can you post a copy of the schematic that you are using?

                      Comment


                      • Click image for larger version

Name:	20211018_125200.jpg
Views:	1
Size:	697.6 KB
ID:	362036

                        Comment


                        • Click image for larger version

Name:	20211018_130916.jpg
Views:	1
Size:	207.6 KB
ID:	362037
                          C8
                          C10
                          C16
                          they are 1uf capacitors and at the time of assembly I got confused and put 1nf capacitors

                          Comment


                          • After replacing the capacitors, is the board working again?

                            Comment


                            • I'm waiting for the order for the capacitors to arrive

                              Comment


                              • Whites Classic 3.Two tons of discrimination. It's easy. The three channels work together. Click image for larger version

Name:	whites two tone.jpg
Views:	1
Size:	196.5 KB
ID:	362041

                                Comment

                                Working...
                                X