DYNAMICS OF RESISTANCE ?
Announcement
Collapse
No announcement yet.
Announcement
Collapse
No announcement yet.
IDX-PRO+VDI
Collapse
X
-
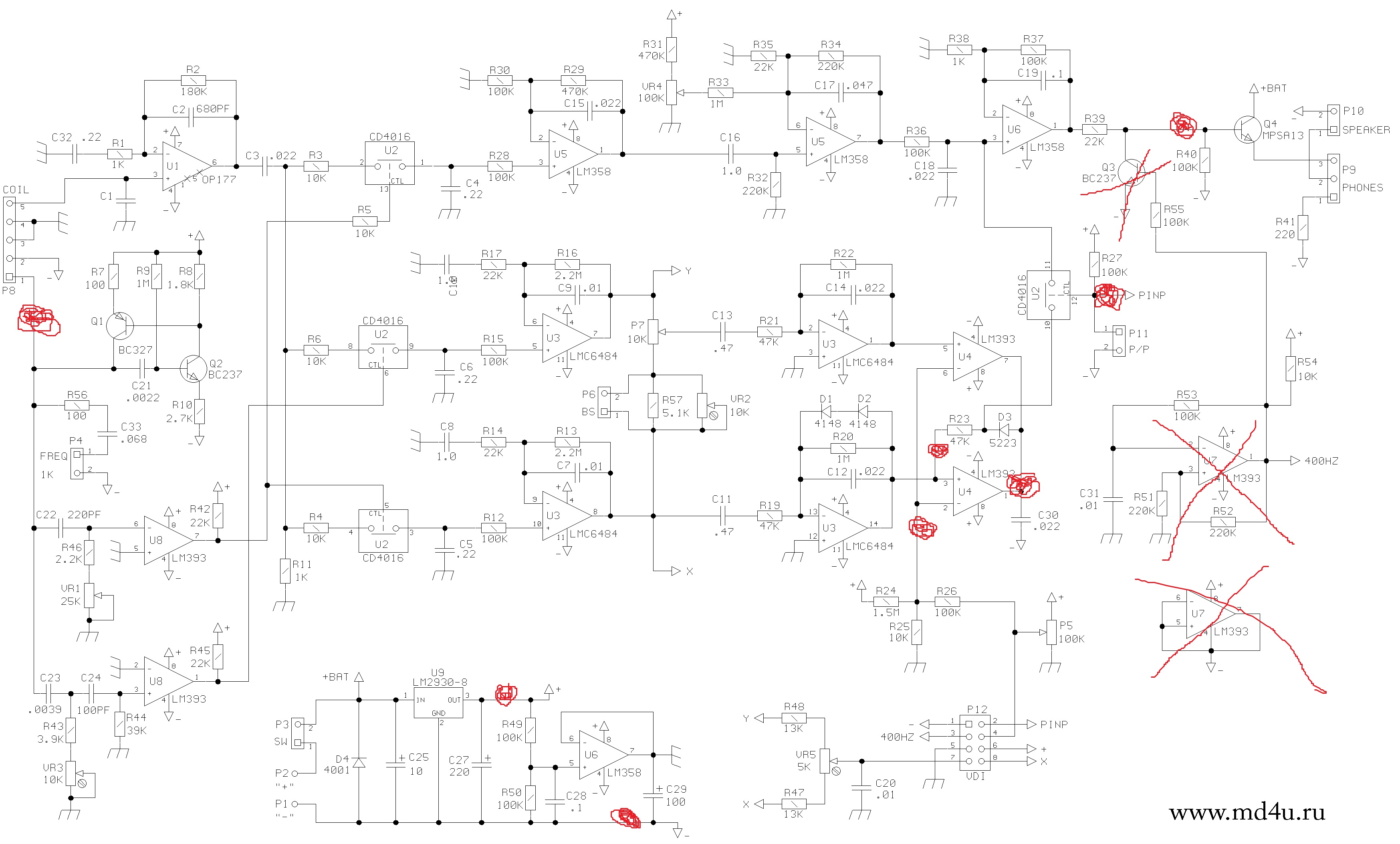
IDX pro two tones board
Eduardo could you please verify the connections on the 2-tones board especially the connection from pin 6 on the two tone board to the TX coil transistor Q1? is this correct?
My low tone is good, but my non ferrous tone is weak and broken. thanks
Comment
-
2 tones
Yes, that is exactly the way I have it connected. I used one BC547, and one BC547B transistor. I should have socketed the IC's for testing. My high tone on good metals is not working.Originally posted by eduardo1979 View PostHere are the points of connection with the PCB-2 TONES. U7 and Q3 is eliminated. Mine works very well as shown in the video. You have to respect the connections and everything will be alright. There are no mistakes in my PCB.Regards.
Comment
-
Originally posted by szucs_g View Posthello! I modified a little bit Your PCB (5x5). It's on right? :-)
Good! could be an option, but for me, PIC tracks are very close to each other in your design, PCB measures only 5x5cm!. But I guess it will be a matter of taste.
Best regards
Fabián
Comment
-
IDX 2 tone
I socketed the IC's, replaced all the semiconductors, still the same problem, static, good low tone, broken high tone. It also seems to change the way the discrimination control works. Would using ribbon cable to connect the 2 tone board to main board cause noise problems as opposed to using separate wires for connections? possible crosstalk? has anybody else actually built this two tone board?
Comment
-
How about to program a script for PIC for some VOICE or SOUND notification of VDI value?
IDX-PRO+VDI is absolutely great project. Thank you Eduardo !!!
How about to program a script for PIC for some VOICE or SOUND notification of VDI value? Because it is not so convenient to staring on LCD all the time.
Also ability to turn off signals for some ranges of VDI values would be great!
For example to turn off iron and coins signals (except nickel) if you hunt for gold jewelry.
I hope to make a very lightweight coil with fiberglass and/or carbon fiber because all Wites/Fisher coils are to heavy to sweep all day.
So proper coil winding data (10.5" Quciksilver for Fisher CZ) is a valuable asset.
Good Luck to Hunters !!!
Comment
-
As I promised, I did recompile the VDI using PIC16F690, specially by request of our friend reza2195 from Iran.
Attached Files
Comment

Comment