Announcement

Collapse
No announcement yet.

Announcement

Collapse
No announcement yet.

IDX-PRO+VDI

Collapse
X
 
  • Filter
  • Time
  • Show
Clear All
new posts

  • Originally posted by shansov View Post
    eduardo 1979 why such a low amplitude of 7.25 V? where to find the error?
    Without connecting the TX coil to the detector, you can not measure the amplitude. You have to connect the TX coil with a metal detector to measure either the amplitude.

    Comment


    • without coil DC 7,25 V constant, the coil TX1.5 V AC.

      Comment


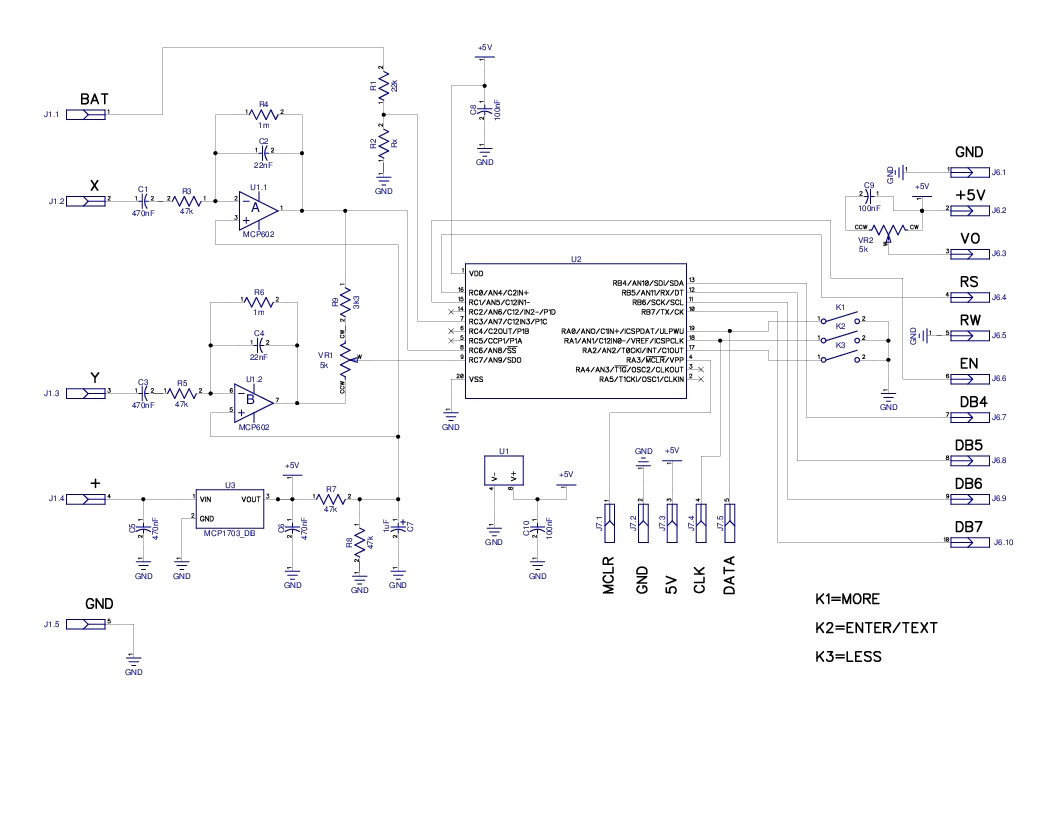
      • VDI 690 layout

        Hi all.
        I have done a layout for vdi 690 NB not built or checked.
        It features SMD for the 16f690 and the MCP1703 regulator. The other components being leaded. I post first schematic , Holyuser please check to see if it is correct and make comment. Your help greatly appreciated.
        If all looks well will post board layout.
        Regards
        Maurice.
        Attached Files

        Comment


        • Congratulations for hard work, but there are already published version of the VDI board based on SMD PIC16F690 here: http://www.md4u.ru/forum/download/fi...7f9b66a5964b33

          Comment


          • Hi Holyuser.
            Thanks for your reply and posting the link.
            It looks very good but I have to make my own boards with single sided PCB.
            They have a few links but everyboard is homemade.
            If someone needs my layout I will post.
            Best Regards
            Maurice.

            Comment


            • hello maurice

              please post yout layout thanks

              regards bend

              Comment


              • Originally posted by MAURICE View Post
                Hi Holyuser.
                Thanks for your reply and posting the link.
                It looks very good but I have to make my own boards with single sided PCB.
                They have a few links but everyboard is homemade.
                If someone needs my layout I will post.
                Best Regards
                Maurice.
                Excellent work Maurice! everyone who builds their own boards from scratch is well aware of how much work it takes to make a well layed out board that works. In my opinion , your work is greatly appreciated! thanks - please post layout.

                Comment


                • Originally posted by eduardo1979 View Post
                  TX amplitude=16V
                  eduardo1979 where to get the amplitude? I have AC 2.4 V TX.

                  Comment


                  • VDI layout

                    Hi and Greetings
                    Here is my layout. I have not made provision for a little heat sinking around the regulator. Perhaps a little tin profile soldered on may suffice.
                    This is my first time for using smd parts.(PIC and REGULATOR)
                    There are 8 links. Included in zip are:
                    top jpg
                    bottom jpg ( reflected image )
                    both
                    diptrace source files.
                    Any quires and I will be more than happy to help.
                    Attached Files

                    Comment


                    • Hello Eduardo which of the two coils are correct wire RX 0.15 - 270 coils or RX wire 0.18 - 270 turns

                      Comment


                      • Originally posted by verotopasera View Post
                        Hello Eduardo which of the two coils are correct wire RX 0.15 - 270 coils or RX wire 0.18 - 270 turns
                        TX=35 Turns-wire 0,70+1uF parallel capacitor.
                        RX=270 Turns-wire 0,18+33nF parallel capacitor.
                        For housing DD27cm.

                        Comment


                        • Last edited by Qiaozhi; 09-19-2013, 03:12 PM.

                          Comment


                          • Nulling the coils?

                            What is the target in nulling the DD coils? Do we need a minimum voltage at the input of the preamp, certain phase shift between TX and some point in the circuit or something else?

                            All hints appreciated.

                            Comment


                            • eduardo1979 on how to configure the frequency of TX RX?

                              Comment


                              • holyuser

                                Hi Can you give me the hex attempt to write Minen holyuser achtung Thank you for VDI

                                Comment

                                Working...
                                X