Announcement
Collapse
No announcement yet.
Announcement
Collapse
No announcement yet.
IDX-PRO+VDI
Collapse
X
-
Littered with Iron
I have some acreage of land to do.
Ive been tuning up my IDX and its ok.
Had a go on the land last night and the soil is red, (lots of natural iron - local Iron stone quarrying) So a challenge.
If that wasnt enough - the land in littered with iron slag from a local foundry.
Plus the usual uk farm iron mess plough blades, cast iron plaques, WWII bomb fragments in one area.
Its fair to say its a challenge.
My IDX seems to be able to geb reasonably on a rare clear patch. Then you notice the sensitivity go up.
In this state - normal use - with the disc set to not beep on small iron - - - During one sweep you can get slammed with iron three times and the recovery time in large iron is woeful on the IDX in these conditions.
Is there a few known fiddles to alleviate this.
I was thinking that if we have stages saturating hard against the supply rails - a minor improvement may be to have higher rails? 7.5v rather than 4v?
I run with the PP ch sen at min so Im using the GEB DISC ch's only.
Yes you can crank the PPP ch sens up but it doesnt disc - useles for me.
S
Comment
-
You can check my non-saturating solution for IGSL. IDX and IGSL share many details in gain stages. If you are interested, I'll send you my LTspice simulation of IGSL gain stages with discrimination, so you can adapt it for IGSL.
My IGSL mods were mostly with strong signal handling capability on my mind.
Comment
-
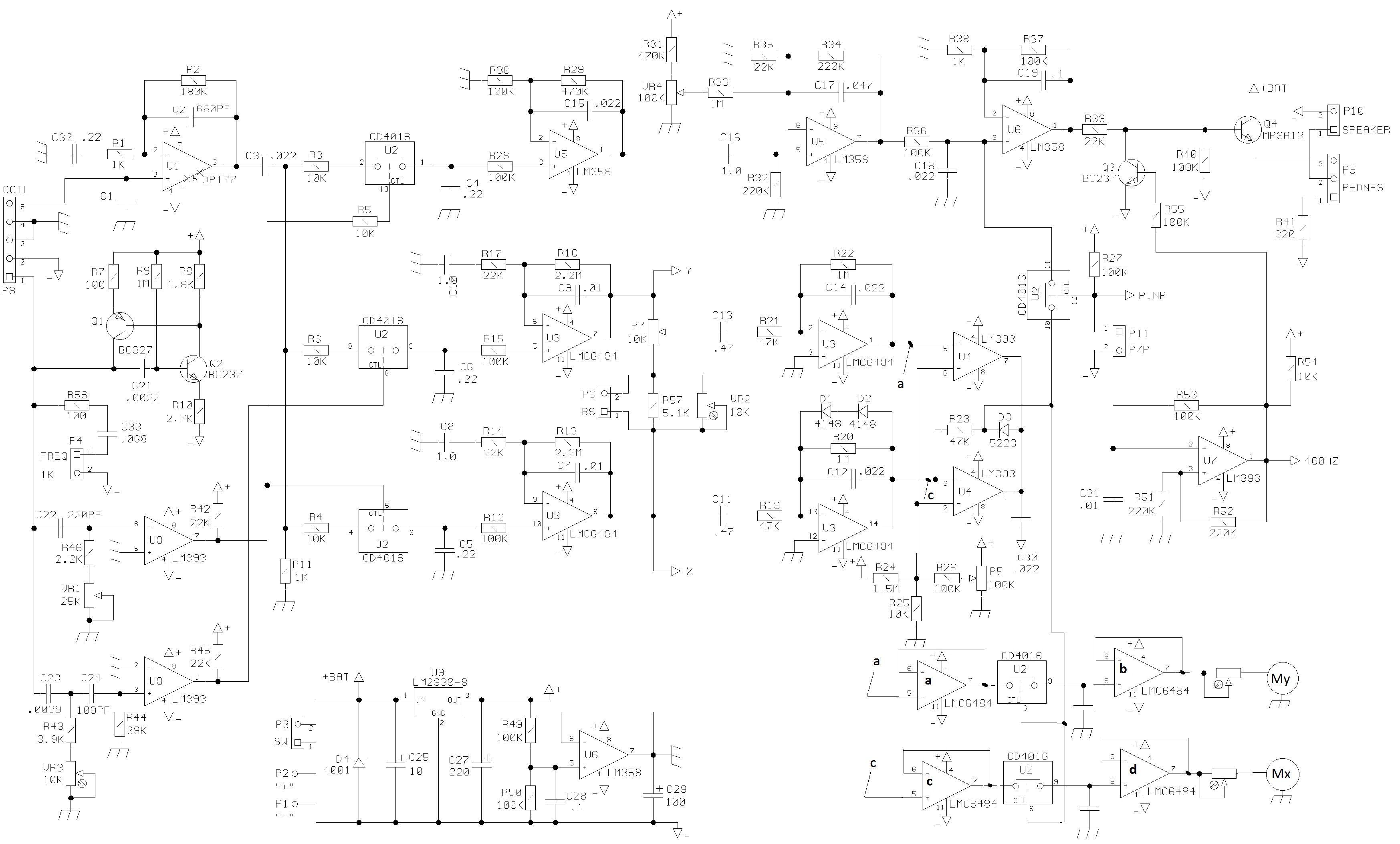
analog vdi
I need an easy, low cost VDI -- I need it fast as the land I have is about to be seeded.
I want to do it with kit I have laying around. The image is what I want to try.
Any sillies on here which render it useless. The idea is - at the moment you hear a tone - use the comparator output to sample the X and Y channels and sample and hold them..
Comment
-
-
oroginal head...
I took it to pieces original White's head. Rattled in him something. It turned out that there is not screening in him. GND the one on the plastic house 1x1 centimetre metal to a sheet he is soldered. That soldering released. The wire floated. This caused an off-key sign so often. Soldered. Now better. I turned the plastic lid, but the sensitivity did not change. The old one was left over 25 cm.
Comment
-
That should work fine. So basically your device suddenly became less sensitive, and you noticed that something was wrong with the coil. After fixing it you have it working, but not as good as before. Am I correct?
Perhaps your coil lost its perfect balance because of the bits and pieces being moved from their original position. You should check your coil balance, either on Rx coil or on the preamp output. If you find voltage to be too big, you should balance your coil first. In case you can't access the coil itself, you could balance your coil by a piece of ferrite. It is not complicated, you just move the ferrite hither and thither while you observe the voltage on your coil, and try finding a perfect spot. When you do, just glue the ferrite on that spot and you are done. It works, I tried it. I don't have a ferrite on my coil at the moment because it wasn't needed, but I'm happy to know that it truly works.
Comment
-
help
Hi friend Excuse me, I'm not too good Anplysym. Wanted me to send final files to IDX-PRO metal detector parts and pcb. Grateful. [email protected]Originally posted by eduardo1979 View PostHello everyone. I finally tried the IDX-PRO with the DD coil 27cm and is really incredible. 1€ coin to 60cm in the air. I'll post here the connections of potenciomeros because there are people on this forum I wonder how they connect private message potentiometers and everything else. Here everything is correct and guaranteed. Enjoy!
Comment

Comment