Announcement

Collapse
No announcement yet.

Announcement

Collapse
No announcement yet.

IDX-PRO+VDI

Collapse
X
 
  • Filter
  • Time
  • Show
Clear All
new posts

  • rust...

    Somebody noticed that the iron oxide, rust would give positive values with IDX?

    Comment


    • Testing

      I did some target work over the w/e with my IDX

      My main interest was small silver - I forged a coin blank in 99% silver 12mm dia.

      Depth 6"


      The aim was to try different Rx coil caps to peak sens at depth.

      I also replaced the .22 on preamp for .1uF to raise centre freq.


      Also I did this at 2 Tx freqs 8kHz and 11.5kHz.

      On Rx, I used a cap switch block with 1n to 10n to try for highest controlled sens.


      The best I got was at 11.5kHz with a suspect scratchy target signal - which was not repeatable. Sometimes it just got thru sometimes it didnt.

      General, Disc all metal pot at 9 oclock - Iron disc'd out at 12 oclock
      Gain/sens trvel/range perceivable but would be better with more range / action to it.
      Threshold - little use - range/span too small - cant up thresh to small targets

      Condition - Damp soil clay loam.

      Conclusion - I think single ended dets had their day in the 80's - we should not make another one. Lets go for a decent full wave type next time and get to 6inches plus on small non fe targets.

      Plus side - it works and very tolerant to coil variation.


      I say - dont air test metal detectors.

      S

      Comment


      • One more thing..

        With Sens on max you begin to loose the disc function.

        This is because the pinpointer channel is on all of the time - as you boost the gain / sens - you boost the all metal DC pinpoint channel which stomps over the top of the Disc CH.


        S

        Comment


        • Originally posted by golfnut View Post
          this
          1N5523 is a zener
          Just observe what happens at the comparators, and disregard the diode entirely. It could have been a resistor instead.

          Comment


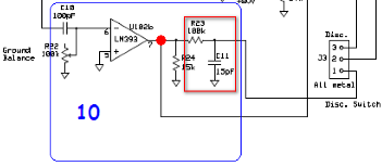
          • @Eduardo1979, @Golfnut :
            I've got an idea last night !
            Something was crawling in my brain since I've started with the TGSL.
            Do you think that the Tesoso's answer to the problem is this filter ?
            If you look closely, you will see that both (normal & delayed) channels are mixed in U106.
            The first for the Gnd, the second for the "wet" things.
            What do you think about it ?
            Regards,
            Hugo
            Attached Files

            Comment


            • Rx tuning on IDX

              My IDX has smaller Tx coil ~20turns 470nF cap gives 11.6kHz Tx.


              I flew blind on my Rx coil - I used 0.2mm and about 200 to 230 turns - I measured today and was 24mH. The cap I chose on my switch box during use is 3n3.



              Now I know my coil is 24mH with 3n3 my Rx would be centered at 17.9kHz or 6.6kHz above Tx.

              I had tried caps like 10n and 15n and had stability / Falses all the time (as Rx was tuned to Tx too close)

              I may try a cap which gives ~6kHz below to see if depth test in soil on small silver improves. It may, as the preamp is centered at 4kHx on mine. (Rather than 1kHz on original).

              S
              Attached Files

              Comment


              • Originally posted by hugo View Post
                @Eduardo1979, @Golfnut :
                I've got an idea last night !
                Something was crawling in my brain since I've started with the TGSL.
                Do you think that the Tesoso's answer to the problem is this filter ?
                If you look closely, you will see that both (normal & delayed) channels are mixed in U106.
                The first for the Gnd, the second for the "wet" things.
                What do you think about it ?
                Regards,
                Hugo
                We have to try to see if it really works. Maybe the problem can be solved by this filter.

                Comment


                • Dont forget my IGSL used to play up on wet grass too.

                  I dont think the rC filter pole highlighted is to help with wet grass

                  S

                  Comment


                  • @eduardo1979 :
                    We have to try to see if it really works. Maybe the problem can be solved by this filter.
                    I would say that "filter" is this case is not the proper term, it's more like a delay for the DISC channel which become a "wet' soil channel.

                    Comment


                    • Tune up

                      I tried going in low side on the Rx coil cap last night on my silver test bed.

                      Tx is 11.5kHz (a sensible number for European soil and expected target sizes for small coins)

                      Rx was 17.9kHz. Put bigger cap on to get 6kHz on the Low side - Bam could now get 12mm silver at 6" Tried values either side lots of permutations.

                      When I got to big cap sens dropped off
                      When I got smaller cap closer to Tx tones begin to clip and its all a bit un usable.

                      The best was 22n at 4.4kHz below Tx

                      Or Rx tuned 38% lower than Tx (which is ~7kHz Rx 15.5kHz Tx)

                      My preamp peaks about 4kHz rather than 1kHz in original design - I swapped the 0.22uF for a .1uF

                      There may be a little more to gain by raising the preamp peak closer to 7kHz - but Im getting board tweaking this. Im about to use it on my first Farm permission in southern UK - It a big one folks. Its been done by others in the past but surely there is something of interest left there!

                      S

                      Comment


                      • Hi Golfnut,

                        I'm still tinkering with the Fisher coil on IDX and am curious as to where you measure your RX khz at. I have been checking mine at pin 6 on U1 and am guessing this is wrong. I have it set up at 90 deg phase angle as image suggests. Set up like this air tests are great but when I hit the soil my Disc goes bad with coins being lost until disc is back off to almost ferrus. I have been setting GB with disc backed right off. The deeper the target the more skewed the disc. Maybe I need to set Rx feq. differently?

                        Cheers,
                        Max
                        Attached Files

                        Comment


                        • I noticed as I adjusted the Rx frequency my disc position did shift a small amount on the pot - so you may be correct.


                          You mention measuring Rx freq. What I did was a measurement of the the Rx coil at the five pin connector. I use a HP lab digital 'L' bridge at 10kHz - my Rx coils was 24mH.

                          I use

                          Rx frontend Frequency = 1/2xPIxsqrt(LxC) to get very close to what I want to try.

                          Then do real test bed testing to confirm depth, sens, disc function.

                          It does work ! Make the Rx coil cap combo resonate at ~40% below the Tx.


                          This will give stability and sens and usability in soil rather than air.

                          S

                          Comment


                          • This is my IDX-Pro


                            A képet a Képfeltöltés.hu tárolja. http://www.kepfeltoltes.hu


                            A képet a Képfeltöltés.hu tárolja. http://www.kepfeltoltes.hu


                            A képet a Képfeltöltés.hu tárolja. http://www.kepfeltoltes.hu


                            A képet a Képfeltöltés.hu tárolja. http://www.kepfeltoltes.hu

                            Comment


                            • very nice!

                              Comment


                              • Very nice!

                                Comment

                                Working...
                                X