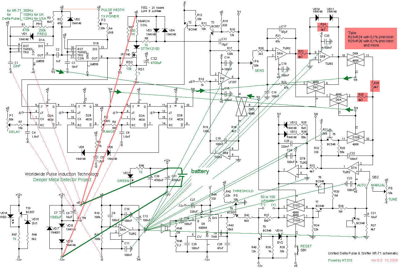
DA7 TL431
Am I wright in thinking this is just a battery charger indicator and that little bit could be (er) robbed and used on any battery device ?
Thanks
David
Am I wright in thinking this is just a battery charger indicator and that little bit could be (er) robbed and used on any battery device ?
Thanks
David

labtec, i promise you you will get the pcb FIRST!



you are NOT able to solder pins of the sockets at Top Side of board because that is impossible. in fabric made PCB all pinholes are METALLIZED but you fully ignore this fact.
Comment