Mohammed, LF411 is good for testing checking. however it is not good for using. low slew rate, 10V/us. what is strange you Moha fully being ignore all 100 pages in this thread and seems you wait something fantastic from your God Alla'h - the discrimination ferrous-nonferrous in DP3, un-bricks notch, depth 5 meters on gold mask. your eastern asiatics mentality is STRANGE AND CRAZY for me. i am in shock from your posts.
more fast matter discussed here hundreds times. I see for example OP42, low price, http://www.ebay.com/itm/1X-OP42GS-Hi...1#ht_728wt_922
and you can buy for them SO-8 DIP-8 adapter board http://www.ebay.com/itm/5pcs-SO8-SOI...#ht_3773wt_922
more fast matter discussed here hundreds times. I see for example OP42, low price, http://www.ebay.com/itm/1X-OP42GS-Hi...1#ht_728wt_922
and you can buy for them SO-8 DIP-8 adapter board http://www.ebay.com/itm/5pcs-SO8-SOI...#ht_3773wt_922

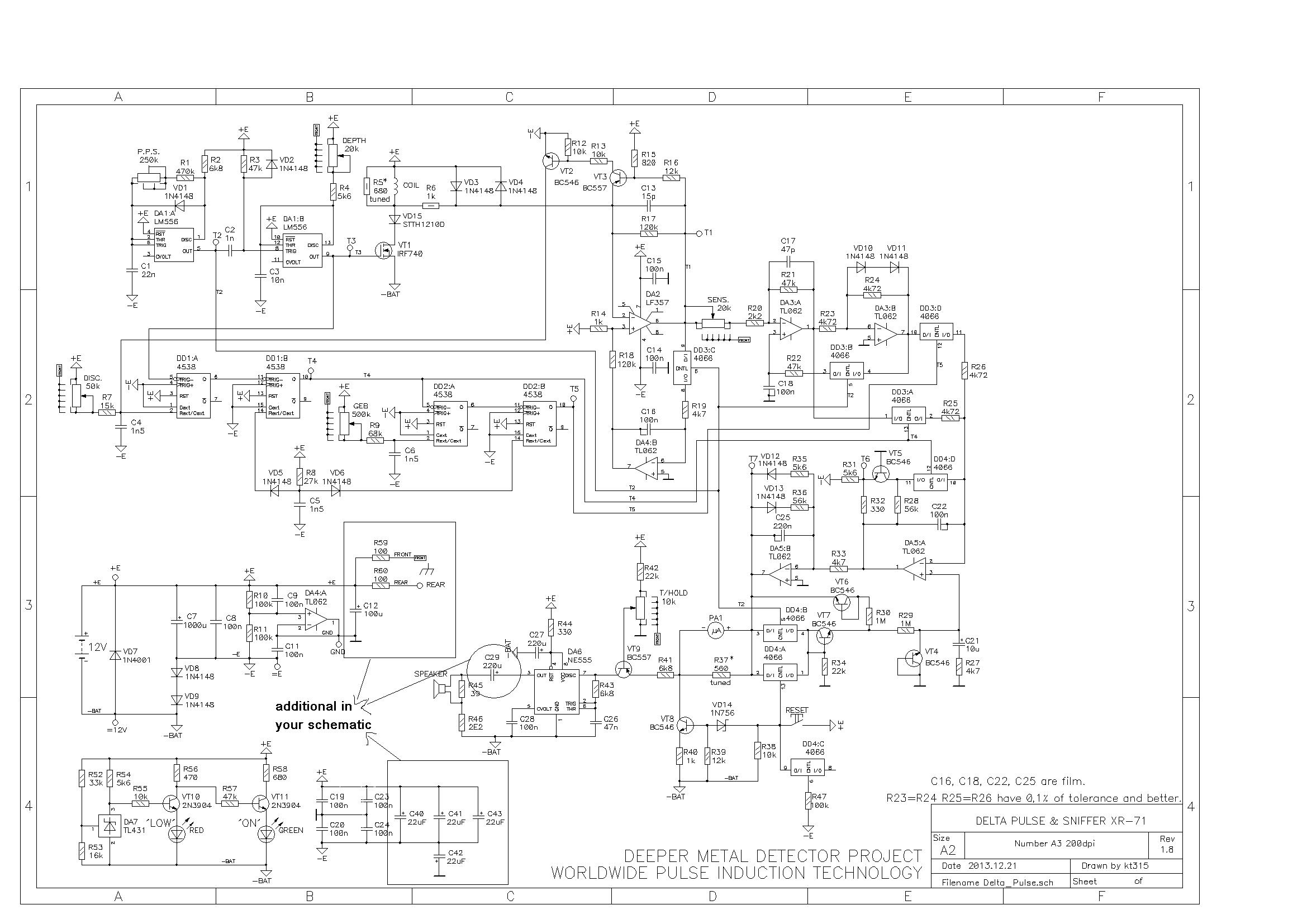
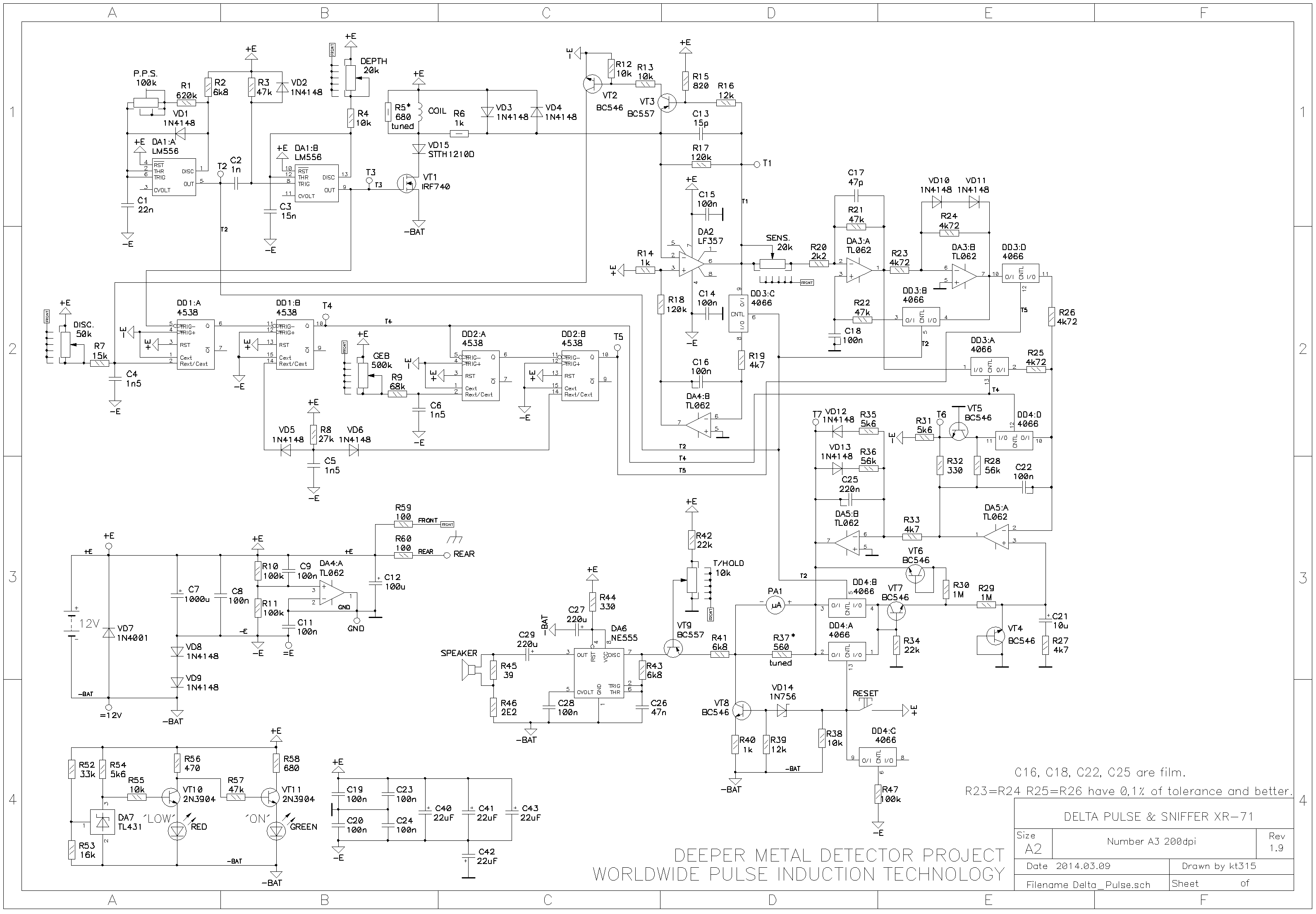
Comment