Announcement
Collapse
No announcement yet.
Announcement
Collapse
No announcement yet.
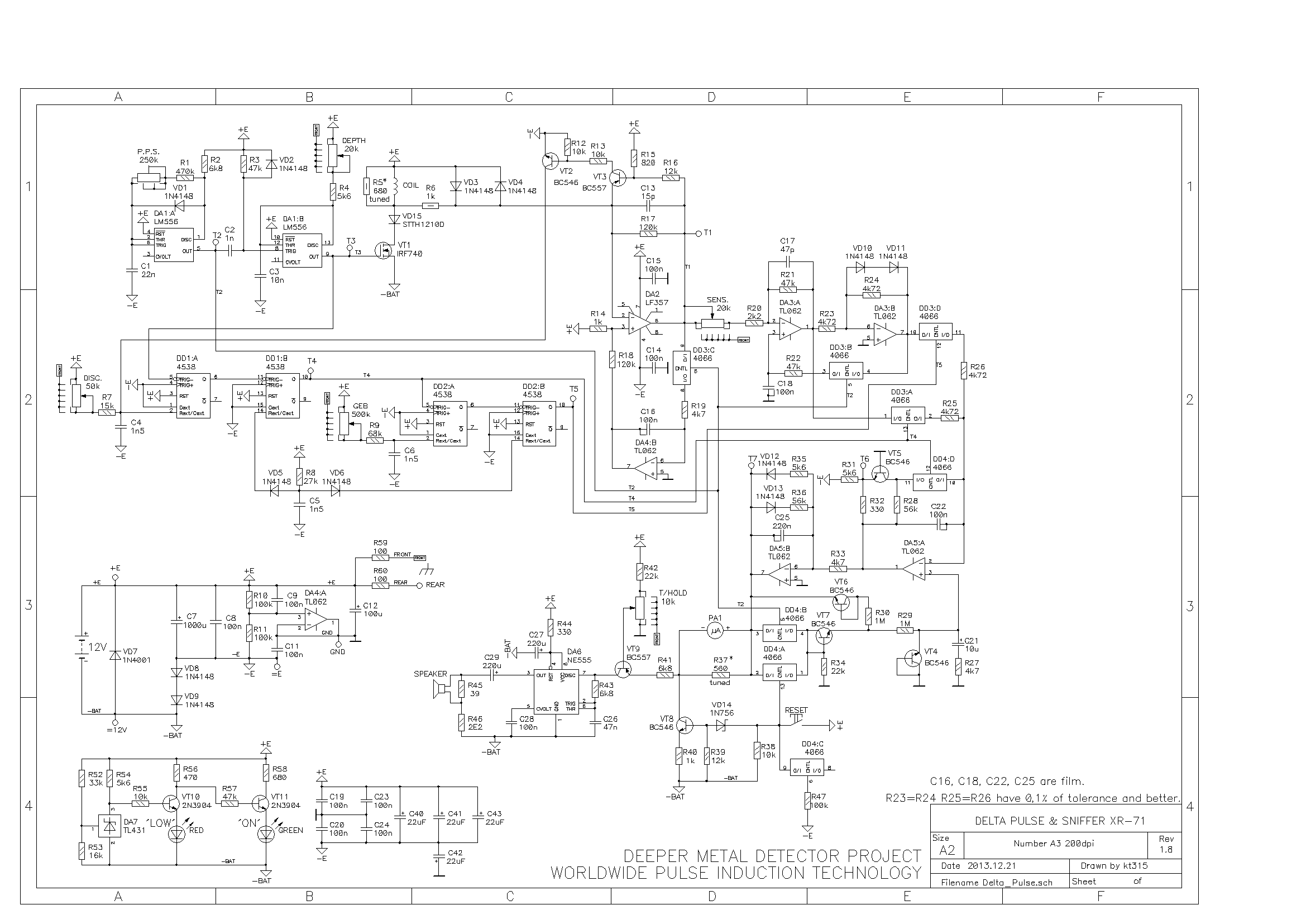
Delta Pulse
Collapse
X
-
-
thanks kt ! In some posts is japp allegedly put hex fail English version for discrimination at which thought
to change the welcome sign not the first and last name authors for example delta pulse as this is and as demo version I put hex code in which when pressed Home message lcd ,
but I was irritated which were allegedly put the English version I have changed hex cod that much more work .
and we have a way to hex cod working as the full version .
Comment
-
Hi OrbitOriginally posted by Orbit View Post[ATTACH]27558[/ATTACH]
It seems that your hex file cannot work in the the simulation program because there are incorrect checksums at the end of hexadecimal lines 7 down to line 18. So impossible to check if program will work as Demo OR Full (that is, without 200 on/off cycles).
Please upload the corrected Geotech Serbia English version that can work, otherwise it's a waste of everyone's time.
Thanks
Ciao
Speedy_G
Comment
-


Comment