Originally posted by Altra
View Post
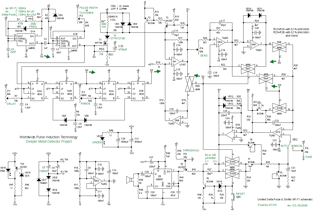
You're welcome and you're right about the diode role in circuit.
In the previous messages the diode was considered unnecessary and I wanted to get to a consensus, wether the diode can improve the results.
Regards,
Nicolae

Comment