TGSL
Dea Qiaozhi MAX Ivco
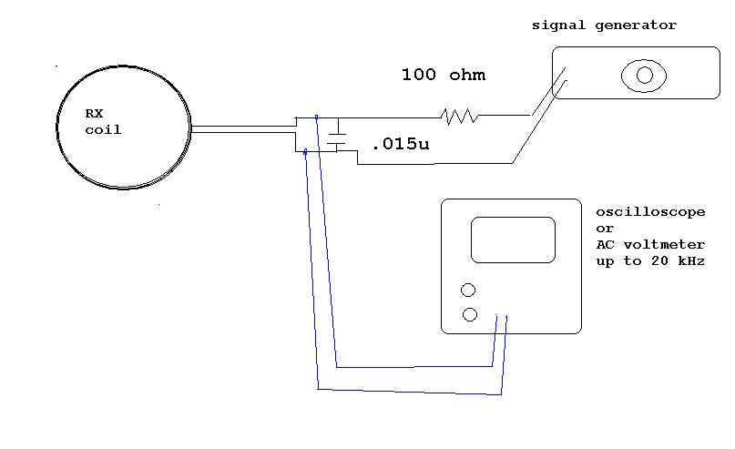
please how to measure RX frequency without capa and coil calculation
i mean with digital multimeter which has got frequency meter as well
thanks
Dea Qiaozhi MAX Ivco
please how to measure RX frequency without capa and coil calculation
i mean with digital multimeter which has got frequency meter as well
thanks


.




Comment