TO MR IVCONIC
DEAR SIR
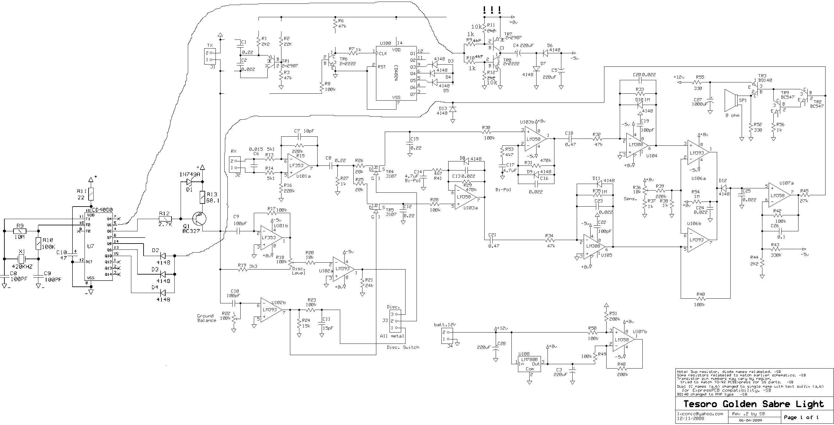
AS I PREVIOUSLY STATED,I HAVE ASSEMBLED A TGSL BY YOUR CIRCUIT,A FETLESS ONE.
I HAVE MADE TWO SETS OF COILS WITH LITTLE DIFFERENCES,ONLY FOR TRY-(I LIKE ANALYSIS)
I HAVE FINISHED ASSEMBLING,CONECTING COILS(OVER A WOOD TABLE)
AND WITH A PENNY USA,IN LESS THAN 30 SECONDS I GET ABOUT 22 CM.
I'M SHURE THAT IF YOUR EQUIPEMENT IS CAREOUSLY ASSEMBLED("BY THE BOOK"),IT HAS NO ANY PROBLEM.
IHAVE USED TL072 AND TL081
,I'M WAITING FOR THE ORIGINALS.
I ALSO ASSEMBLED A HH MONOCOIL,WITH INSTANT STARTING TOO.
I WORK IN AUDIO (MAKE SOME AMPLIFIERS MEDIUM TO HIGH QUALITY)
FOR SOME PEOPLE.
MY WORK IS CAREOUSLY MADE.ANYBODY THAT WORKS LOGYCALLY,CAN START YOUR DESIGN.
AND HH TOO.
.
IN LIFE LEARN IS A NONSTOP WORK. I LIKE VERY MUCH YOUR BULLDOZER
WAY.(I'M TOO)
.
PLEASE,RECONSIDER YOUR DECISION.TOO MUCH PEOPLE(NEWBIES AND NOT SO NEWBIES APPRECIATE YOUR WORK AND YOUR WAY)
I'M LEARNING ABOUT MD,AND YOU GIVE ME A BIG HAND WITH YOUR OPEN ANALYSYS.
YOU TEACH ALL TIME.THIS IS VERY GENEROUS.
I READ ALL YOUR POSTS.YOU HAVE A FAN HERE.MY LANGUAGE IS LIMITED.BUT I EXPECT THAT YOU UNDERSTAND THE OVERALL SENSE.
HAVE A GOOD NIGHT,AND BETTER WAKE UP
DEAR SIR
AS I PREVIOUSLY STATED,I HAVE ASSEMBLED A TGSL BY YOUR CIRCUIT,A FETLESS ONE.
I HAVE MADE TWO SETS OF COILS WITH LITTLE DIFFERENCES,ONLY FOR TRY-(I LIKE ANALYSIS)
I HAVE FINISHED ASSEMBLING,CONECTING COILS(OVER A WOOD TABLE)
AND WITH A PENNY USA,IN LESS THAN 30 SECONDS I GET ABOUT 22 CM.
I'M SHURE THAT IF YOUR EQUIPEMENT IS CAREOUSLY ASSEMBLED("BY THE BOOK"),IT HAS NO ANY PROBLEM.
IHAVE USED TL072 AND TL081
,I'M WAITING FOR THE ORIGINALS.I ALSO ASSEMBLED A HH MONOCOIL,WITH INSTANT STARTING TOO.
I WORK IN AUDIO (MAKE SOME AMPLIFIERS MEDIUM TO HIGH QUALITY)
FOR SOME PEOPLE.
MY WORK IS CAREOUSLY MADE.ANYBODY THAT WORKS LOGYCALLY,CAN START YOUR DESIGN.
AND HH TOO.
.IN LIFE LEARN IS A NONSTOP WORK. I LIKE VERY MUCH YOUR BULLDOZER
WAY.(I'M TOO)
.PLEASE,RECONSIDER YOUR DECISION.TOO MUCH PEOPLE(NEWBIES AND NOT SO NEWBIES APPRECIATE YOUR WORK AND YOUR WAY)
I'M LEARNING ABOUT MD,AND YOU GIVE ME A BIG HAND WITH YOUR OPEN ANALYSYS.
YOU TEACH ALL TIME.THIS IS VERY GENEROUS.
I READ ALL YOUR POSTS.YOU HAVE A FAN HERE.MY LANGUAGE IS LIMITED.BUT I EXPECT THAT YOU UNDERSTAND THE OVERALL SENSE.

HAVE A GOOD NIGHT,AND BETTER WAKE UP





Comment