Announcement

Collapse
No announcement yet.

Announcement

Collapse
No announcement yet.

TESORO GOLDEN SABRE

Collapse
X
 
  • Filter
  • Time
  • Show
Clear All
new posts

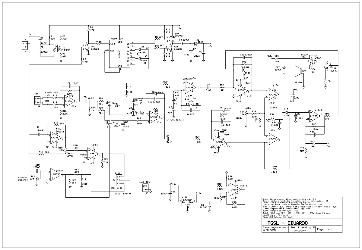
  • I have found: Sens 10k!

    Comment


    • Pot. Sens. 100K. 10K NO.

      Comment


      • TGSL_PCB_pot

        Originally posted by eduardo1979 View Post
        Pot. Sens. 100K. 10K NO.
        Hi Eduardo!

        Thank you, but on the PCB I see 10k!

        http://www.silverdog.co.uk/shop/imag...f-1024x768.jpg

        Then?

        And the ground extern pot? 100 k or 10 k?

        Comment


        • Schematic has GB 100K, Sens 10K ?

          Click image for larger version

Name:	EDUs.jpg
Views:	1
Size:	183.3 KB
ID:	333619

          Comment


          • Yes.

            Comment


            • Works best with 100K with the 10K. Tested.
              The capacitors C14a,b,and C17a,b,are 10uF. It works better.

              Comment


              • Originally posted by eduardo1979 View Post
                Works best with 100K with the 10K. Tested.
                The capacitors C14a,b,and C17a,b,are 10uF. It works better.
                Ok! Thank you!

                If I changed the C14a,b 22 uF, and C17a,b 22 uF capacitor for 10uF, and 100 k LIN pot for sens. then the TGSL works better?!

                Comment


                • Yes.

                  Comment


                  • Thank You!
                    Tomorrow I buy some pots and capacitors...

                    Comment


                    • 10 uF Capacitor

                      Originally posted by eduardo1979 View Post
                      Yes.
                      Hi Eduardo!

                      I buyed 4 piece 10 uF capacitor, but in the Store was just 50V capacitors in this range.
                      Is it problem?

                      Thank you!

                      Comment


                      • Originally posted by Biogas View Post
                        Hi Eduardo!

                        I buyed 4 piece 10 uF capacitor, but in the Store was just 50V capacitors in this range.
                        Is it problem?

                        Thank you!

                        No problem

                        Comment


                        • Thx brabra!

                          Comment


                          • Maybe - this is a stupid question and I am just very inconsiderate, but still ...
                            Where you can see TGS graph in format Protheus (fomat .dsn)? Thanks in advance!
                            Sure, I can do it myself, but if someone has done before me, why waste time in vain?

                            Comment


                            • hello all
                              i made this tgsl (posted page1).
                              but audio is poor and its parts (22 ohm and mpsa13)are hot when using an 12v power supply. will this problem empty the battery if use it?
                              a 100ohm resistor is in series with 8ohm speaker. how can use a piezo?

                              best wishes
                              M

                              Comment


                              • If your 22 OHM resistor and MPSA13 are getting hot then there is something else wrong. If built correctly duty cycle of the audio signal is normally very small.

                                Comment

                                Working...
                                X