Announcement

Collapse
No announcement yet.

Announcement

Collapse
No announcement yet.

Delta Pulse

Collapse
X
 
  • Filter
  • Time
  • Show
Clear All
new posts

  • Tnx

    Comment


    • Originally posted by mohandes View Post
      hi
      [ATTACH]32307[/ATTACH]
      Hi mohandes! I cannot open your file..i just want to know if your single sided pcb isthe same with the one on teknolojiekibi.com mark with 26.08.07 Duzenleme: 02.

      Comment


      • Originally posted by jladre View Post
        Hi mohandes! I cannot open your file..i just want to know if your single sided pcb isthe same with the one on teknolojiekibi.com mark with 26.08.07 Duzenleme: 02.
        try by this my friend
        Sprint-Layout60_Viewer.exe
        search in net and download it

        Comment


        • Hello everyone..i made one sided pcb board and that is working now.,my problem is im suffering a very low detection it only detect a 4x6 inches metal plate in 60 cm.. im using 45cm diameter coil with 940uH and 3.2 ohm and another coil is 30 cm, 435uH, 3 ohm.. what would be the cause of this problem?? ( i believe the board is working.

          Comment


          • Originally posted by jladre View Post
            Hello everyone..i made one sided pcb board and that is working now.,my problem is im suffering a very low detection it only detect a 4x6 inches metal plate in 60 cm.. im using 45cm diameter coil with 940uH and 3.2 ohm and another coil is 30 cm, 435uH, 3 ohm.. what would be the cause of this problem?? ( i believe the board is working.
            hi
            if all is ok and all pot in max position so you should detect that in near 80 to 100cm by 45cm coil but parameter not good .please test it outdoor and not in home(better).can you tell us about damping R??.and your 30 cm coil is correct and better than 45cm.try all coil between 400 to 500mkh and 2 to 4 ohm(3to4 ohm more better) and with this 30cm coil detecting in 60cm well.

            Comment


            • try to read more about Pulse Induction principles. learn them much. all you are able to find all is the info concerning relating to DP, because DP
              is classic PI detector, with classic PI detector architecture. without those basic knowledges nobody is not able to give you due the recommendations
              besause YOU ll not be able TO GET the info (the school child is not prepared and left the school to be idiot).
              except frequently replies 'set the knob SENS on max position for the max depth', that is absoliutely contra productive and does not give you the right way.
              at first step, learn the article of Carl Moreland on Hammerhead PI. for much things it will be sure enough for a people like you.

              Comment


              • Tnx mohandes my friend

                Tnx kt315.. im reading those article now

                Comment


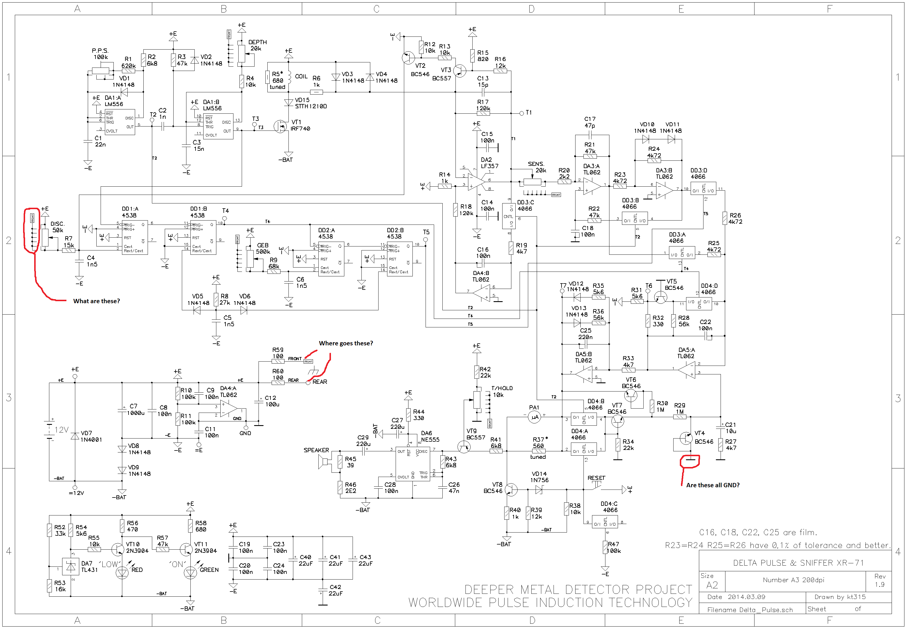
                • Click image for larger version

Name:	delta_pulse.gif
Views:	1
Size:	134.6 KB
ID:	342615
                  Hello, I have few questions about Delta pulse schematic(they are in picture).

                  Comment


                  • 2A - some kinda 'universal set place for many types of pots'. ignore them, it was need for P-CADing. those pins are mounting holes at pcb for the pots.
                    3C - points for to connect the wire to housing shielding layers.

                    Comment


                    • Hi! Has anyone her tried to use a enameled copper wire for 1x1 meter coil for delta pulse? How does it work?

                      Comment


                      • Originally posted by jladre View Post
                        Hi! Has anyone her tried to use a enameled copper wire for 1x1 meter coil for delta pulse? How does it work?
                        use cate5 and with 1.2m*1.2m.it will work .

                        about irf740 , what current is produce ? or better say what current coil need in max power (then irf740 produce it)?

                        Comment


                        • Hi mohandes can give more details on how many turn of the cat wire and how deep is the maximum detection for that coil..tnx

                          Comment


                          • Originally posted by jladre View Post
                            Hi mohandes can give more details on how many turn of the cat wire and how deep is the maximum detection for that coil..tnx
                            hi
                            i use cate 5 and series he wires , i can detect 50*50 metal plate in 3.20 cm in air.
                            regards

                            Comment


                            • cat 5 is not so good be cause a trasfer capacitance not low, but if you have not access to more good wire cat 5 may be decision.
                              for DP with big FIRST STROBE DELAY the cable's transfer cap maybe is not so important, but for gold nuggets for small coil and small FIRST STROBE DELAY
                              you have to use anything another wire (in fat isol with low cap and low inductivity).

                              Comment


                              • Originally posted by kt315 View Post
                                cat 5 is not so good be cause a trasfer capacitance not low, but if you have not access to more good wire cat 5 may be decision.
                                for DP with big FIRST STROBE DELAY the cable's transfer cap maybe is not so important, but for gold nuggets for small coil and small FIRST STROBE DELAY
                                you have to use anything another wire (in fat isol with low cap and low inductivity).
                                Thanks kt315...

                                Comment

                                Working...
                                X