delta pulse 2-HELP-
Hello!
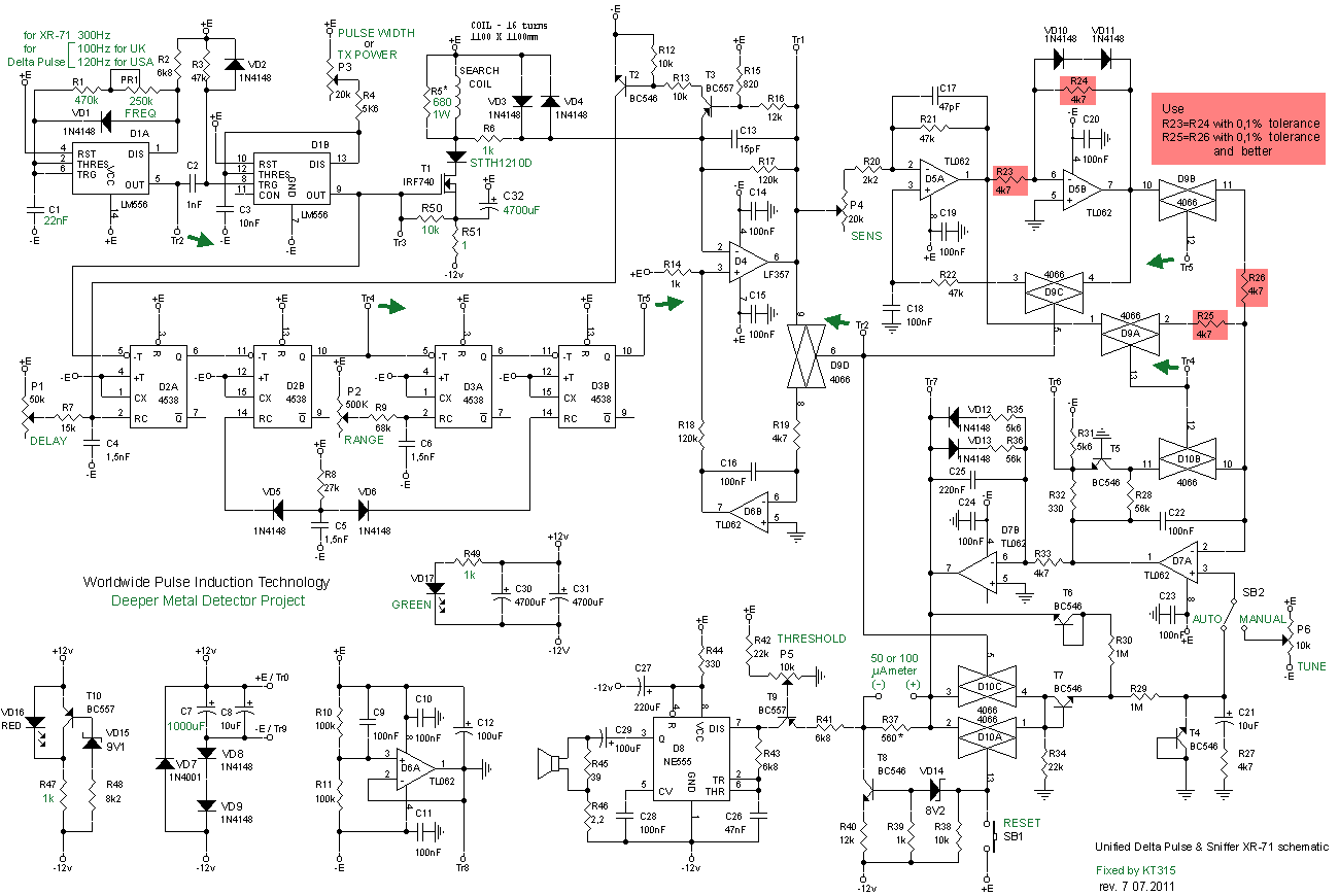
A friend built this detector at my request, but lacks some adjustments ...
Their efficiency is very small ... really need YOUR HELP .......
I understand very little about electronics all tips will go to my colleague ..
HELP
1 the LEDs of not funionam small plate (ferrous and non ferrous) ..
What are trimers (3) on the same plate?
2 ° I have to pass the ociloscópio in that part of the device and how?
What is the best fit?
Any help is welcome .....
Thank you for your attention and patience ...
Hello!
A friend built this detector at my request, but lacks some adjustments ...

Their efficiency is very small ... really need YOUR HELP .......

I understand very little about electronics all tips will go to my colleague ..
HELP

1 the LEDs of not funionam small plate (ferrous and non ferrous) ..

What are trimers (3) on the same plate?

2 ° I have to pass the ociloscópio in that part of the device and how?

What is the best fit?

Any help is welcome .....

Thank you for your attention and patience ...

>>>> can you add me in yahoo ..... 
Comment