Originally posted by Geo
View Post
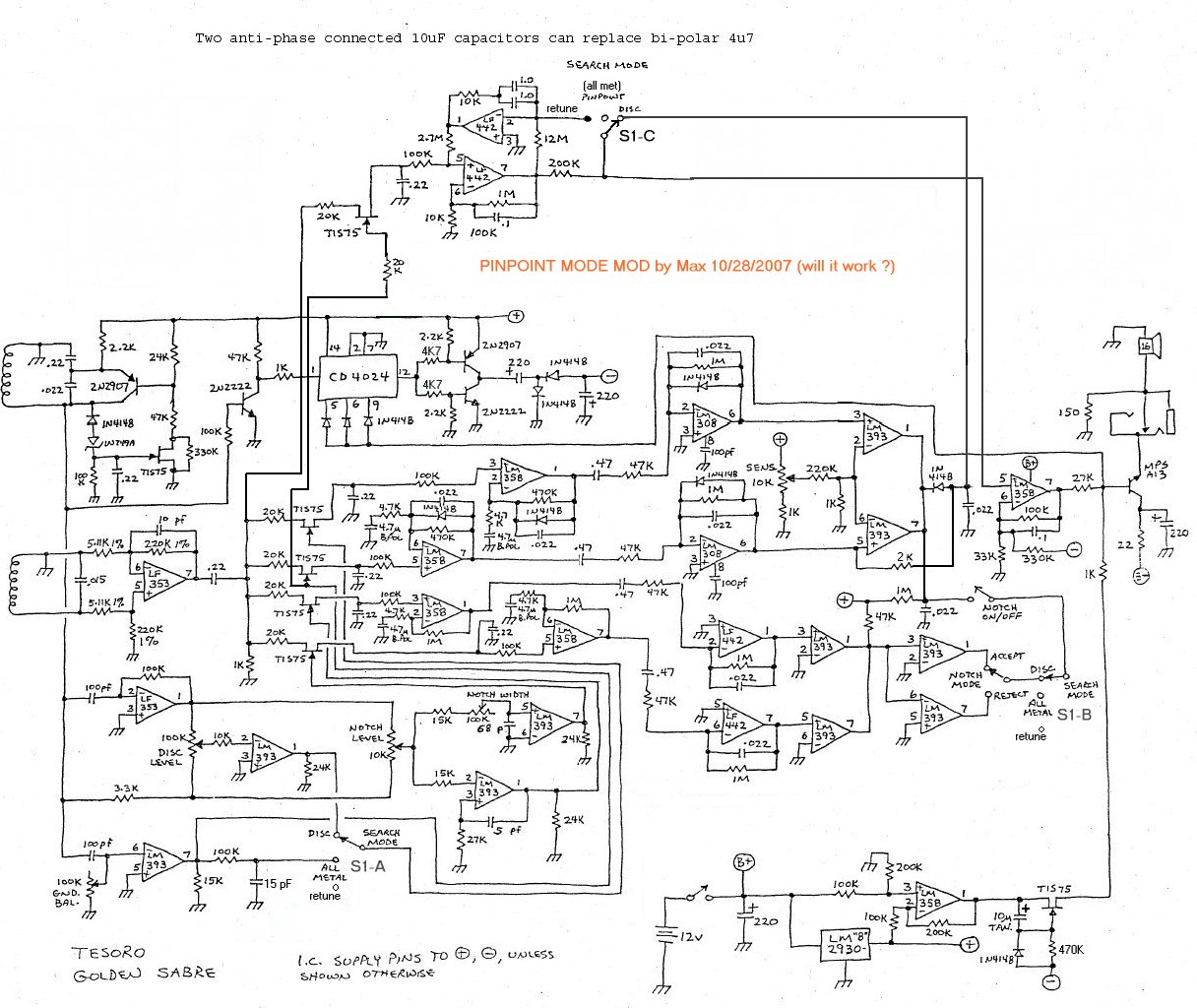
About the mod: yes we can do very easy... just add the upper channel of royal to TGS and will have it. Another fet + the double op. amp. and some other stuff... + the 3-position switch like in bandidoII... with "retune" position I mean. That's it.
Real question is: it's worth having it on TGS ?
I personally don't think it's a big improvement having a pinpoint function on TGS unless you use a concentric coplanar coil... then not for me, I use a large DD coil with it... and you know that's not the same thing of having a polo or 9x8'' concentric coplanar to do the same thing.
With round CC coils is very nice using pinpointing (like e.g. in bandidoII) to better find the spot were the target is just under... but with DD coils ...and great too it's not the same thing.
You will find the central line were target lye but then you have X-ing it by another angle to find the spot... of course, better than having just motion detection... but I think that's about the same in practice: you have to search for target much more than with concentric.
What do you think ?
Best regards,
Max





Comment