Announcement
Collapse
No announcement yet.
Announcement
Collapse
No announcement yet.
TESORO GOLDEN SABRE
Collapse
X
-
Hi,Originally posted by Unregistered View PostSorry if its stupid question, Im not strong in teoretical electronics, but if negative supply section is causing so much trouble, isnt just better use some DC/DC converter, like:
http://www.tracopower.com/ ?
yes is possible, and often other MDs use that strategy... 7660 is a common choice for small negative supply too.
In TGS the voltage converter is in sync with tx operations... but I think a voltage converter could be employed there also with not much troubles.
The real problem is that when I connect my original coil 9x8'' to my first TGS I get more than 14Khz at TX... so still confused about what's in Tesoro's website (12Khz) and schematic we have here... original schematic I mean.
The problem is I could expect 12Khz there using original coil... but get more than 14KHz like with golden sabre plus !
????????????
That's why that stuff is pretty confused at now...
Maybe the schematic we have/had at first wasn't so accurate...
Or, simply is not just TGS.
Kind regards,
Max
Comment
-
CD4024 is just very good option. I would not try to change it with 7660 or any other converter. Main drawback at some Tesoros is just 7660.
CD4024 turns to be much better option.
Refering audio, yesterday i applied this stronger output, it is working much better now. Audio is stong and "soft". Let's me to distinguish correctly about size and distance of detected item.
What is really interesting is power drain!? Just 30mA with loud audio during detection and bairly 20mA without sound!?
Wow!
I suggest you to try this, much better than just MPSA13.Attached Files
Comment
-
Pay attetnion on last, BD... transistor. Proper choice will give you very smooth and pleasant tone.
For example, i tried BD676 (P-darl) and it gave pretty sharp,short and much stronger tone. I didnt liked it. So changed to BD140 and now tone is very smooth,strong and lasting a bit longer. Exactly what i wanted to achieve.
Of course; speaker is very important also, i tried several types. Yet, ordinary pc speaker (from oldies: 386,486 and P1) will do the job just fine.
Larger the membrane area - much better and richer audio, simply as that.
Comment
-
Originally posted by tiktak View PostHi,
Nice Ivica.
I will try it ASAP.
Did you add a smallpiggy PCB or have changed TGSL1265 PCB?
Can you tell me is there differance between HCF and CD 4024?
In my last TGS I have used HCF.
Also which CD you use?Texas,national or fair?
Thanks
This last? Yes.
I dont pay attention on that. For me 4024 is just 4024 so i am using whatever i find.
Same as with other ic's. I dont mind the manufacturer.
Comment
-
I noticed today another thing, and also "solved" huge problem i had latelly.
Usually i am including earphone jack and volume feature on my handmades.
So i noticed at last 7-8 handmades certain degradation on audio and overall behavior, once device packed and finished!? What the hell....!?!?
Today, packing my last TGSL, i checked it before mounting in box; audio was pretty good,smooth,strong enough....and air "depth" very descent.
Once packed in box and EARPHONE PLUG connected in circuity, passing 100 ohms potentiometer for adjusting volume.....swithced ON and...not the same!? Audio was much worse (not smooth but sharp and short), air "depth" much lower??? What happened? Damn!
So after torturing myself and device for a while i discovered that audio MUST go directly to speaker, without any earphone plugs,potentiometers and simillar "parasitic potentials". Why?
In the box, but without earphone plug and pot, connected directly to speaker, audio was excellent...long lasting,smooth,loud etc.etc.
Vice-versa; again ear plug connected - huge degradation of audio!? Same with potentiometer 100 ohms.....(usually i am putting it in serie with speaker)...
Degraded audio has "cracks" at end of detection, depths are poor, audio lasting shorter...
Somehow ...like earplug and pot "sucked" a part of audio signal?
So....i checked earplug - correct and accurate . Replaced with another one, new,...same story!? Same with pot.
From audio output from pcb wire must go shortly and directly to speaker if we want to maintain good audio performances!? Whyyyyyyy!!!?
Finally i do not understand a thing here!?!?!?!?!





Can anybody really understand this? On original Tesoros i presume there must be earplugs? Right?
Ha,ha....hmmmm!
I would like somebody much more conversant to come here and elaborate all this mess!
Actually....audio is ALL here at TGS/TGSL. I think all the performances are coming exaclty from how we gonna solve audio.
I presume it is not conventional audio......and it is not "audio" at all!
It is just sort of negative pulse amplification or something like that.
We have pretty complicated composite signal coming to base on MPSA13.
We have 3 transients from 4024. Those 3 transients are "sucked" by negative LM358 output. Right? When detection occurs, negative LM358 output tends to reach zero. Than base of MPSA13 is polarised enough to start conducting. At the same time 3 transients are "unleashed" for a moment and pass through base, being amplificated by MPSA13 and for a moment we can hear tone in speaker. That is all. Again when no detection, LM358 output returns to negative state and pull again 3 transients from 4024. Base of MPSA13 goes 'high' again and there is no sound in speaker. Right?
That very short moment, when LM358 output tends to zero - most important moment here at TGS/TGSL !!!
At that short and small ammount of signal we do have all the informations we need about detection and detected metal! Most important thing here.
How to take that small ammount of signal in so short time, to "expand it's resolution" and to amplify that sample proportionally???
That is main catch here! I think MPSA13 is not quite able to do the job right.
Last thing i done yesterday is just more amplification and nothing else. Nice,better than MPSA13..but not the ultimate solution, not at all.
Comment
-
Hi,Originally posted by ivconic View PostI noticed today another thing, and also "solved" huge problem i had latelly.
Usually i am including earphone jack and volume feature on my handmades.
So i noticed at last 7-8 handmades certain degradation on audio and overall behavior, once device packed and finished!? What the hell....!?!?
Today, packing my last TGSL, i checked it before mounting in box; audio was pretty good,smooth,strong enough....and air "depth" very descent.
Once packed in box and EARPHONE PLUG connected in circuity, passing 100 ohms potentiometer for adjusting volume.....swithced ON and...not the same!? Audio was much worse (not smooth but sharp and short), air "depth" much lower??? What happened? Damn!
So after torturing myself and device for a while i discovered that audio MUST go directly to speaker, without any earphone plugs,potentiometers and simillar "parasitic potentials". Why?
In the box, but without earphone plug and pot, connected directly to speaker, audio was excellent...long lasting,smooth,loud etc.etc.
Vice-versa; again ear plug connected - huge degradation of audio!? Same with potentiometer 100 ohms.....(usually i am putting it in serie with speaker)...
Degraded audio has "cracks" at end of detection, depths are poor, audio lasting shorter...
Somehow ...like earplug and pot "sucked" a part of audio signal?
So....i checked earplug - correct and accurate . Replaced with another one, new,...same story!? Same with pot.
From audio output from pcb wire must go shortly and directly to speaker if we want to maintain good audio performances!? Whyyyyyyy!!!?
Finally i do not understand a thing here!?!?!?!?!





Can anybody really understand this? On original Tesoros i presume there must be earplugs? Right?
Ha,ha....hmmmm!
I would like somebody much more conversant to come here and elaborate all this mess!
Actually....audio is ALL here at TGS/TGSL. I think all the performances are coming exaclty from how we gonna solve audio.
I presume it is not conventional audio......and it is not "audio" at all!
It is just sort of negative pulse amplification or something like that.
We have pretty complicated composite signal coming to base on MPSA13.
We have 3 transients from 4024. Those 3 transients are "sucked" by negative LM358 output. Right? When detection occurs, negative LM358 output tends to reach zero. Than base of MPSA13 is polarised enough to start conducting. At the same time 3 transients are "unleashed" for a moment and pass through base, being amplificated by MPSA13 and for a moment we can hear tone in speaker. That is all. Again when no detection, LM358 output returns to negative state and pull again 3 transients from 4024. Base of MPSA13 goes 'high' again and there is no sound in speaker. Right?
That very short moment, when LM358 output tends to zero - most important moment here at TGS/TGSL !!!
At that short and small ammount of signal we do have all the informations we need about detection and detected metal! Most important thing here.
How to take that small ammount of signal in so short time, to "expand it's resolution" and to amplify that sample proportionally???
That is main catch here! I think MPSA13 is not quite able to do the job right.
Last thing i done yesterday is just more amplification and nothing else. Nice,better than MPSA13..but not the ultimate solution, not at all.
the use of earplugs and pot could be the cause of lowered / bad audio.
The electrical contacts inside the earplugs are the things to consider better... they can waste energy cause they are not perfect electrical contacts with zero resistance.
The earplug sure modify also impedance matching between speaker and output stage, this is related also to the bad electrical contacts inside.
Usually using headphones the things go better cause both you hear better the small audio variations but also the load of headphones is usually much higher than the earplug one.
In the case of speaker, instead, the few ohms maybe added by earplug contacts and joints could easy interfere with speaker operations... also cause there's much more current involved to drive speaker... and it's reduction will mean just you hear big hot bangs and not just fine movements of the speaker's cone.
The pot is similar issue: even at full conduction one side... there are always some few ohms that make things worse... this is true for all cheap carbon pots...
Kind regards,
Max
Comment
-
-
Correction
My "low spike" calculations for R11, R12 only good for no load, please disregard.
Load (37 mA) makes spikes happen in negative supply always - we just live with them as Max says. Maybe not a problem anyway.
CD4024 is clever design because ripple and spikes synced with lock-in amplifier, probably just make an offset, can be adjusted. A separate DC/DC converter might have beat frequency, bad
.
But if we get coil oscillation from DC/DC converter freqency somehow -- good!
Sorry for confusion on resistors.
-SB
(P.S. with 37 mA current draw, best resistors seem to be R9 = 5.6K, R10 = 12.5K for spikes, but I'd stick with original, Tesoro smarter than me
)
Comment
-
Yes, i tried somehow to overcome the problem. I added 150 ohms via plug...no results.Originally posted by Max View PostHi,
the use of earplugs and pot could be the cause of lowered / bad audio.
The electrical contacts inside the earplugs are the things to consider better... they can waste energy cause they are not perfect electrical contacts with zero resistance.
The earplug sure modify also impedance matching between speaker and output stage, this is related also to the bad electrical contacts inside.
Usually using headphones the things go better cause both you hear better the small audio variations but also the load of headphones is usually much higher than the earplug one.
In the case of speaker, instead, the few ohms maybe added by earplug contacts and joints could easy interfere with speaker operations... also cause there's much more current involved to drive speaker... and it's reduction will mean just you hear big hot bangs and not just fine movements of the speaker's cone.
The pot is similar issue: even at full conduction one side... there are always some few ohms that make things worse... this is true for all cheap carbon pots...
Kind regards,
Max
I cant explain, but have feeling that somehow plug presents some huge parasitic element. This not supposed to be an issue at conventional detectors. All of them do have earplug and usually speaker is connected via that plug and its inner switch - once you plug eraphones, speaker is off and vice-versa.
Plugs i am using are brand new from a shop. Medium quality. Also have in mind that original TGS DO have earplug. So.... must be something wrong or missing on origin schematic of TGS from the first pages on this thread?
Look...if it was my first device, i would have most of doubts in my own hand works. But it is 26'th so far. All components are respected as on schematic. Never mind all the mods so far, i am talking now about original TGS.
So...from very first device to the last one...all of them worked more than good, i dare to say fantastic. I never expected to achieve such good performances. Yet...when packed in enlosure with ear plug and vol pot included...in most of cases audio turns degraded somehow...!?
So i am usually making a bad compromise. I do void earplugs and pot for adjusting volume. In that case TGSL works excellent.Although i could be more happy with a slice louder audio...
My goal now is not to make another TGSL (enough is enough
), but to solve the main catch here, on this design. As you already seen, i ve been tried many things so far. Quite a fun it was. Still no perfect solution.
I also want to void to much complicated audio stage. Need to keep limited pcb dimensions. Besides...if we integrate quite new and complex audio in TGS...it will need much other changes in previous stages too. At the end it will turn to a quite new design...which is not what i am intend right now.
So i think...nevermind the plug and pot...problem still coming from device itself!? Where,why? Tough question.
At last LM358 output...signal varrys from -0.5 to -0.01 V. -0.5V stands for no detection, -0.01V stands for full detection. That range is what interests me mostly.
Signal at output is so weak? Why? Tracing signal from the switching fets to audio i couldnt find out where it is been attenuated. Dont have a clue.
Signal at LF353 output looks enough good.
Base of MPSA13 "receive" pretty weak signal.Short and weak.
I met in other designs simillar audio and there MPSA13 producing such loud audio that it almost screaming. Classic III for example...
Hmmmm...
Sooner or later we will find right solution....
Regards!
P.S.
Thanks friends....dont tell nobody that i am 42 !!!! Sheeesh!!
I fell exactly like i am 22....
Comment
-
I hope to experiment with audio because I agree that it should give as much information about target as possible.Originally posted by ivconic View PostFriends,
despite all the mods included so far, i am not satisfied at all with audio!
Last mod with monostabile is good enough as it is, yet its main drawback is constant and target (signal strenght) independable last,pitch and delay.
So...here i am back again on the start


Original audio seems to be best so far, better than all mods we included. Why? Simply, operater can take most of informations on target, from it.
I would be more happy if it is more amplyfied and more loud.
One thing also noticed; when speaker 8 ohms is used (without mods) "depth" in air is reduced significantly. At very end of detection, audio start with cracks. For example; coin at 35cm - 40cm producing just "cracks" not pleasant "beep". And even than those cracks are so mum and silent.
When resistor 10 ohms added in serie with speaker, those cracks turns to "beep" very pleasant and fine, but very mum and silent. I have to put speaker on my ear close to hear those beeps.
Closing coin to coil, beeps are rising in amplitude. 15cm away from coil and closer beeps are loud enough and very pleasant.
Damn!
During last year, making over 25 TGSL's so far, (and over 30 coils) i noticed one very interesting thing;
With some coils audio is better and louder, with most of coils audio is weak!?
Does this depend on coil itself??? Other words, depends on signal amplitude?
Cose...i am confused,mostly i make same coils using same datas. Even than some coils "producing" better audio and some worse!?
So.....problem with audio is still here and it is not solved.
How to solve it? How to mod audio arround MPSA13 and make it louder (much louder) but to maintain simplicity and limited pcb dimensions?
Working on it...damn!
I wish we could hear what Ivconic is hearing -- can you post audio or video of it?
First, there are questions about schematic that affect audio, nobody answers yet:
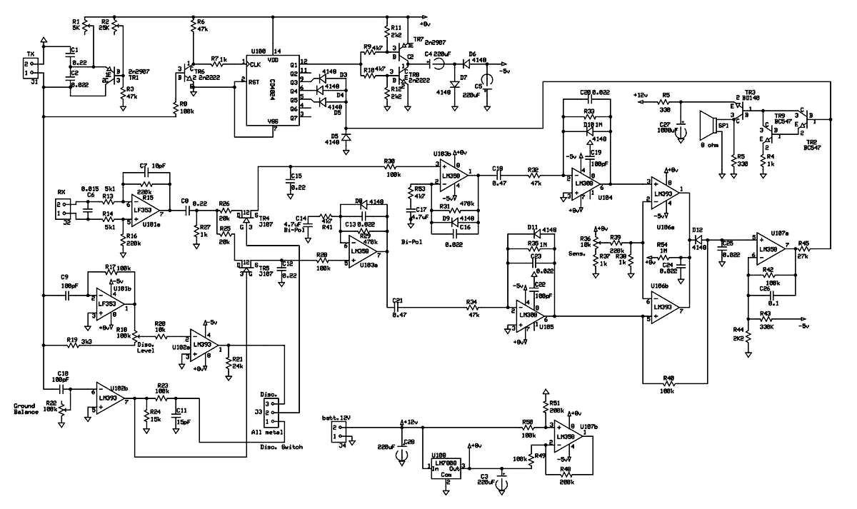
1. Schematic from "Gift Pack" shows R47, R55 on output of last LM393 comparators, but other schematics do not have. They must affect audio I think, but has anyone tested?
2. I have one schematic of TGSL which shows R40 connected directly from output of LM393 instead of after diode D12 -- but most schematics show it connected after diode. Which is correct?
On speaker vs. earphone:
Maybe speaker is very different from earphone as follows: speaker has very large inductor. Audio signal is very narrow pulse, small duty cycle. Speaker coil stores energy from pulse and spreads it out, making rich sound. Earphone has less inductance, cannot spread pulse as well, therefore more loss goes into volume pot or other part of circuit (sucks away energy).
It is sort of related to concepts in this link: http://www.tinaja.com/glib/msinprop.pdf .
But then Ivconic says speaker gives cracks on deep coin and adding resistor helps -- that seems opposite to my thought. Maybe resistor helps self-bias the Darlington -- I give up
.
Try removing Diode D3 on CD4024 Q3 output -- should make wider pulse, how does it sound?
Maybe for very deep objects, output of LM358 is very small and you start hearing the voltage spikes from the V+ rail (yes, those pesky voltage spikes!
).
You know, some Tesoro models have "all-or-nothing" audio, like my Compadre. All targets have same volume. Weak targets break up. Do we know how TGS was supposed to sound?
However, looking at schematic, it looks like R45 from U107a LM358 output is the pull-up voltage for the audio, so audio signal voltage equals output of LM358 -- I would expect varying volume depending on output of LM358.
I keep working furiously to try to get a working TGSL so I can have fun with these problems...
Cheers,
-SB
Comment
-
Hi SB,this is not good dont ask me why but it is.Grt Nakky.Attached Files
Comment
-
Hi,Originally posted by simonbaker View PostI hope to experiment with audio because I agree that it should give as much information about target as possible.
I wish we could hear what Ivconic is hearing -- can you post audio or video of it?
First, there are questions about schematic that affect audio, nobody answers yet:
1. Schematic from "Gift Pack" shows R47, R55 on output of last LM393 comparators, but other schematics do not have. They must affect audio I think, but has anyone tested?
2. I have one schematic of TGSL which shows R40 connected directly from output of LM393 instead of after diode D12 -- but most schematics show it connected after diode. Which is correct?
On speaker vs. earphone:
Maybe speaker is very different from earphone as follows: speaker has very large inductor. Audio signal is very narrow pulse, small duty cycle. Speaker coil stores energy from pulse and spreads it out, making rich sound. Earphone has less inductance, cannot spread pulse as well, therefore more loss goes into volume pot or other part of circuit (sucks away energy).
It is sort of related to concepts in this link: http://www.tinaja.com/glib/msinprop.pdf .
But then Ivconic says speaker gives cracks on deep coin and adding resistor helps -- that seems opposite to my thought. Maybe resistor helps self-bias the Darlington -- I give up
.
Try removing Diode D3 on CD4024 Q3 output -- should make wider pulse, how does it sound?
Maybe for very deep objects, output of LM358 is very small and you start hearing the voltage spikes from the V+ rail (yes, those pesky voltage spikes!
).
You know, some Tesoro models have "all-or-nothing" audio, like my Compadre. All targets have same volume. Weak targets break up. Do we know how TGS was supposed to sound?
However, looking at schematic, it looks like R45 from U107a LM358 output is the pull-up voltage for the audio, so audio signal voltage equals output of LM358 -- I would expect varying volume depending on output of LM358.
I keep working furiously to try to get a working TGSL so I can have fun with these problems...
Cheers,
-SB
the audio of TGS is "proportional". Like in e.g. bandidoII ou get stronger audio signal with stronger signal from target... so shallow target are very easy detected but deep ones are usually listened as very small audio beep (most often "crack" using speaker).
That's cause the goal is providing user with informations about strongness/weakness of signal... thus providing hints on e.g. target depth or size...
Most of the times is good that way: on bandidoII I feel happy having that kind of audio... but sometimes, and expecially at TGS, this often results in poor audio response on deep stuff... so you'll simply miss stuff... unless using e.g. hi quality headphone set and not internal speaker stuff.
The monostable mod solve that issue, providing a sound that last for a while, no matter of weakness of output signal... but this will cut away any additional informations like at Compadre. Simply a switch can solve that issue, commutating on-off the monostable stuff and so letting you hear the original audio signal when you already found an hot spot.
But you have to switch it manually all the times... that's why I think Ivconic isn't satisfied of it... also on worse soil the monostable will trigger more false signals than original output stage... cause hot magnetic stuff concentrations will give fast transients on not perfect geb tuned device and so will trigger a sound just like a good target...
In normal audio you'll hear that cracks... but usually you'll not dig at them cause will simply reject as "noise" (so rejecting also deep, small and good stuff): but you'll dig less empty holes also.
So... the best will be a proportional strong audio... but seems till now we haven't.
It's sure a drawback of TGS... that, indeed, was never made for such a sensitivity we found by tweaking... so I think that's due mostly cause we wanna locate stuff out of the normal range of original TGS.
That's true also for BandidoII : with headphone it's great MD...can locate stuff at deep... but on speaker is not that good at the end... that's why most people think it's just average MD... they wanna full audio response from ANY target... and it isn't in that old Tesoro designs with proportional audio.
Kind regards,
Max
Comment


Comment