Originally posted by simonbaker
View Post
I didn't know you're an artist!

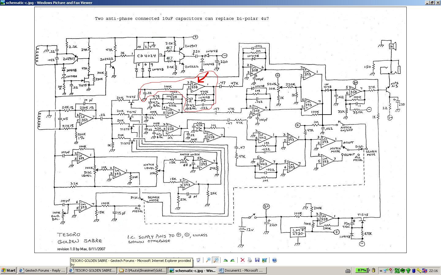
Anyway... in these cases is better having an hand drawing than nothing... to understand what's going on...

Kind regards,
Max

!
...

that's not a solution ! 
Comment