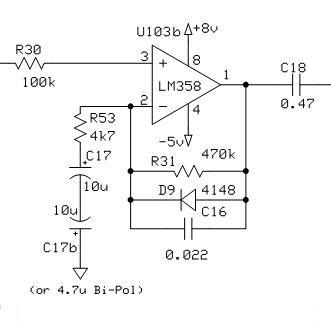
Hi every body i bild one TGS but i dont where is this -6,25V before 1n4148 and 470 k i have 0,74 v what is wrong
Announcement
Collapse
No announcement yet.
Announcement
Collapse
No announcement yet.
TESORO GOLDEN SABRE
Collapse
X
-
Hi @sevar12,Originally posted by sevar12 View PostHi every body i bild one TGS but i dont where is this -6,25V before 1n4148 and 470 k i have 0,74 v what is wrong
Did you build the TGSL by using @Ivconic's PCB?, for C17 (a+b) or Bi-Pol is connected to -12 Volts.
Are you not you just measuring the DC Voltage drop over the 1N4148 (D9) ?
For more information concerning TGSL Tuning & troubleshooting, you may also want to read this thread:
TGSL Tuning & troubleshooting:
http://www.geotech1.com/forums/showthread.php?t=16122
Regards,
Robert
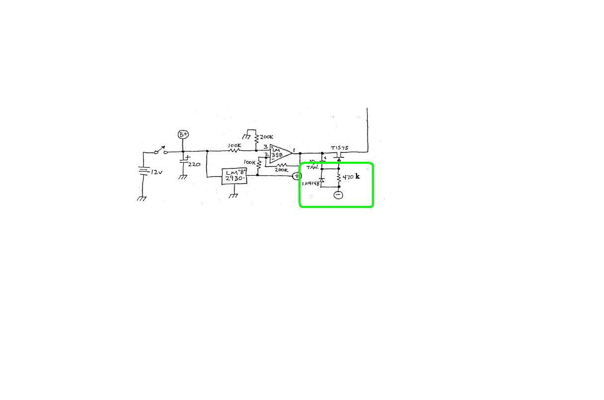
Attachment: Extraction of problem area referred to by @sevar12Attached Files
Comment
-
Originally posted by sevar12 View PostHi every body i bild one TGS but i dont where is this -6,25V before 1n4148 and 470 k i have 0,74 v what is wrong
Hi Sevar ,
Perhaps you mean this point ? :
If so , this part is only for the positive voltage and the battery check .
Please note that for the negative voltage the Tx coil must be connected and you must have (Tx) oscillation , then the negative voltage is generated in this part :
regards ,
Dennis the Mennis
Comment
-
Pip3c.Originally posted by pip3c View PostHi fellows!
I want to build my own TGSL, following Ivconic's tutorial.
I am not sure about the dimension of the coil, so before I start, I share my coil's plan. It is designed with autocad, and this is a printable pdf version in 1:1. Please comment it! If it is (or will be) a good construction feel free to use it, it is my gift.
Nice! Your pattern makes very pretty coils using the "sandwich" method (no string). These required 110t for 6.5mH and 105 for 6.0mH, at least for my winder. Too bad I'm going to enclose them in epoxy!
Don
Comment
-
Hi Don ,Originally posted by dfbowers View PostPip3c.
Nice! Your pattern makes very pretty coils using the "sandwich" method (no string). These required 110t for 6.5mH and 105 for 6.0mH, at least for my winder. Too bad I'm going to enclose them in epoxy!
Don
I'm curious :
What detection rate did you get on a 1- and a 2 euro coin with these coils if you already connected them ?
And what AWG did you use ?
When nulling the coils did you had to change the shape of the coil for the best results ?
btw great idea about the 'sandwich construction' !
I was experimenting with these 'construction' for a square coil with sequence in the layers:
the piece of paper was for the contrast, this way you can realy see the layer by layer build up
Only the space was a little too big , perhaps when it's smaller I get a perfect layer by layer and perhaps a small advantage is that these coil can be constrained .
So far it did not bring me any luck nor the desired detection
regards
Dennis the Mennis
Comment
-
Sorry.. I forgot to add a few details.. I am using .25mm wire (30 gauge I believe). No constraining at all. When I wind coils, I feed the wire through a small container filled with varnish. It is an old pill bottle with two pinholes. The wire goes in one pinhole and out the other so the wire goes on the form "stickey". Let the wire dry for a while. Then just remove the top and gently work the coil off the form. That's it! I usually put a few extra turns on the coils so I can just peel off a layer or two to tune it. Usually, inductance is dead on from coil to coil.Originally posted by pip3c View Postdfbowers.
I am happy to see my plan in the real, and to make you satisfied.
I would like to wish you good luck to the enclosure, and thanks the data about the inductancies. Are this data's after or before the constraining?
I tested the coil pictured above. No improvement over any other coil I have made. Just looks a lot nicer. Most coils I build, I can detect a 1e at 29 or 30mm. I'm going to build a second circuit board, a little different to see what difference it makes. The coils I have made have been "jumble" wound.. Not neat layers, but they come out with a square cross section.
I was always wondering if layering would make any difference.
Don
Comment
-
Beautiful work...Originally posted by dfbowers View PostSorry.. I forgot to add a few details.. I am using .25mm wire (30 gauge I believe). No constraining at all. When I wind coils, I feed the wire through a small container filled with varnish. It is an old pill bottle with two pinholes. The wire goes in one pinhole and out the other so the wire goes on the form "stickey". Let the wire dry for a while. Then just remove the top and gently work the coil off the form. That's it! I usually put a few extra turns on the coils so I can just peel off a layer or two to tune it. Usually, inductance is dead on from coil to coil.
I tested the coil pictured above. No improvement over any other coil I have made. Just looks a lot nicer. Most coils I build, I can detect a 1e at 29 or 30mm. I'm going to build a second circuit board, a little different to see what difference it makes. The coils I have made have been "jumble" wound.. Not neat layers, but they come out with a square cross section.
I was always wondering if layering would make any difference.
Don
How do you keep the varnish from building up on the form and also making the coil difficult to remove from the form?
Regards,
-SB
Comment
-
In between the Pegs, a drop of Cyanoacrylate Glue (Brand Names: Super Glue, Crazy Glue, Loctite or Insta-Bond) may be used. The capillary action will spread the Glue threw out the windings, so sparingly (very little Glue) apply it to multiple places on the Coil for proper fixation. Then let the Glue cure, and only then remove the Coil from the Mall (or jig).Originally posted by simonbaker View PostBeautiful work...
How do you keep the varnish from building up on the form and also making the coil difficult to remove from the form?
Regards,
-SB
If you use too much Glue, then the Pegs will also be reached and stuck to the Enameled Copper Wire, so only apply sparingly. Glue that may have adhered to the fingers etc., may be removed by the use of Acetone.Note: Capillary action is a physical effect caused by the interactions of a liquid with the walls of a thin tube. The capillary effect is a function of the ability of the liquid to wet a particular material.
But be careful when using Acetone and Enameled Copper Wire, for the Enameled Coating may dissolve (read: will dissolve). Cyanoacrylate Glue is a Glue that hardens by the action of Moisture, and is NOT Air dried in the normal sense (moisture in the air cures it).Caution: Acetone Vapor in Air is Flammable and Explosive, so no ignition source may be present, smoking etc..
Wants the Coil has been removed from the Mall, then Varnish may be applied. But it must still be flexible, for you will still need to Nullify the Coils.Caution: Cyanoacrylate Glue that gets into the Eye(s), will destroy the Cornea !!!
I hope this helps.
Regards,
Robert
Comment
-
I have an old can of "Release Agent Dry Lubricant" (MS-122) but just ran outOriginally posted by simonbaker View PostBeautiful work...
How do you keep the varnish from building up on the form and also making the coil difficult to remove from the form?
Regards,
-SB
. So far, the coils have not stuck at all. It dries into a white powder. You might be able to infuse the wires like Robert is suggesting. (haven't tried it yet). The Capillary action should move along the wires behind the pegs.
Don
Comment
-
One more remark about Cyanoacrylate Glue (Brand Names: Super Glue, Crazy Glue, Loctite or Insta-Bond).
Before you use this Glue, it's best to first apply it to a piece of bare Enameled Copper Wire, and then to scrape the Enameled layer to see if it has been dissolved, or attacked in any way. But if you are going to apply Varnish, then it's maybe best to dilute it first with a little Turpentine to make it more "watery". The coil wires will then absorb it easier. It does not matter if you use too much Turpentine, for you only want the coil to stay together for removal when dry, and it will penetrate nice and deep when the varnish is very diluted. Solvents like Turpentine, Petroleum, Kerosene, Petrol (gasoline), Zippo lighter fluid (Nafta: saturated Hydrocarbons of 5-10 Carbon Atom Molecules, and in Dutch it's called Wasbenzine), and various Alcohols will probably not attack the Copper Wires Enamel layer. It's best to first test all solvents before use, by leaving a piece of Enameled Copper Wire immersed in it for some time (or even over night). Then scrape the Enameled layer to see if it has softened, or maybe it has even dissolved. It's better to play safe, than to be sorry afterwards.
Regards,
Robert
Comment
-
-
How do you use the dry lubricant? Spray on before winding?Originally posted by dfbowers View PostI have an old can of "Release Agent Dry Lubricant" (MS-122) but just ran out
. So far, the coils have not stuck at all. It dries into a white powder. You might be able to infuse the wires like Robert is suggesting. (haven't tried it yet). The Capillary action should move along the wires behind the pegs.
Don
-SB
Comment

i forget Tx
Comment