Hi,
Hi,
porkluvr.
Thanks for the advice I will try this way because for now dont have other alternative.But please tell me what can I demage when measuring current?
The multimeter or metal detector?
Be careful when the meter in the milliamps test mode. I don't know your particular unit, but It may be more succeptible to damage. It is easy to blow a fuse - or worse when measuring current. You should definately THINK about what you are doing before you apply power, more so than usual.
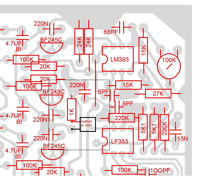
How should I Measure AC current, instead of AC voltage?Put the multimeter in DCA 200m right???Or?
/look at the picture that I have post/
THANKS
Hi,
porkluvr.
Thanks for the advice I will try this way because for now dont have other alternative.But please tell me what can I demage when measuring current?
The multimeter or metal detector?
Be careful when the meter in the milliamps test mode. I don't know your particular unit, but It may be more succeptible to damage. It is easy to blow a fuse - or worse when measuring current. You should definately THINK about what you are doing before you apply power, more so than usual.
How should I Measure AC current, instead of AC voltage?Put the multimeter in DCA 200m right???Or?
/look at the picture that I have post/
THANKS


Comment