Announcement
Collapse
No announcement yet.
Announcement
Collapse
No announcement yet.
IDX-PRO+VDI
Collapse
X
-
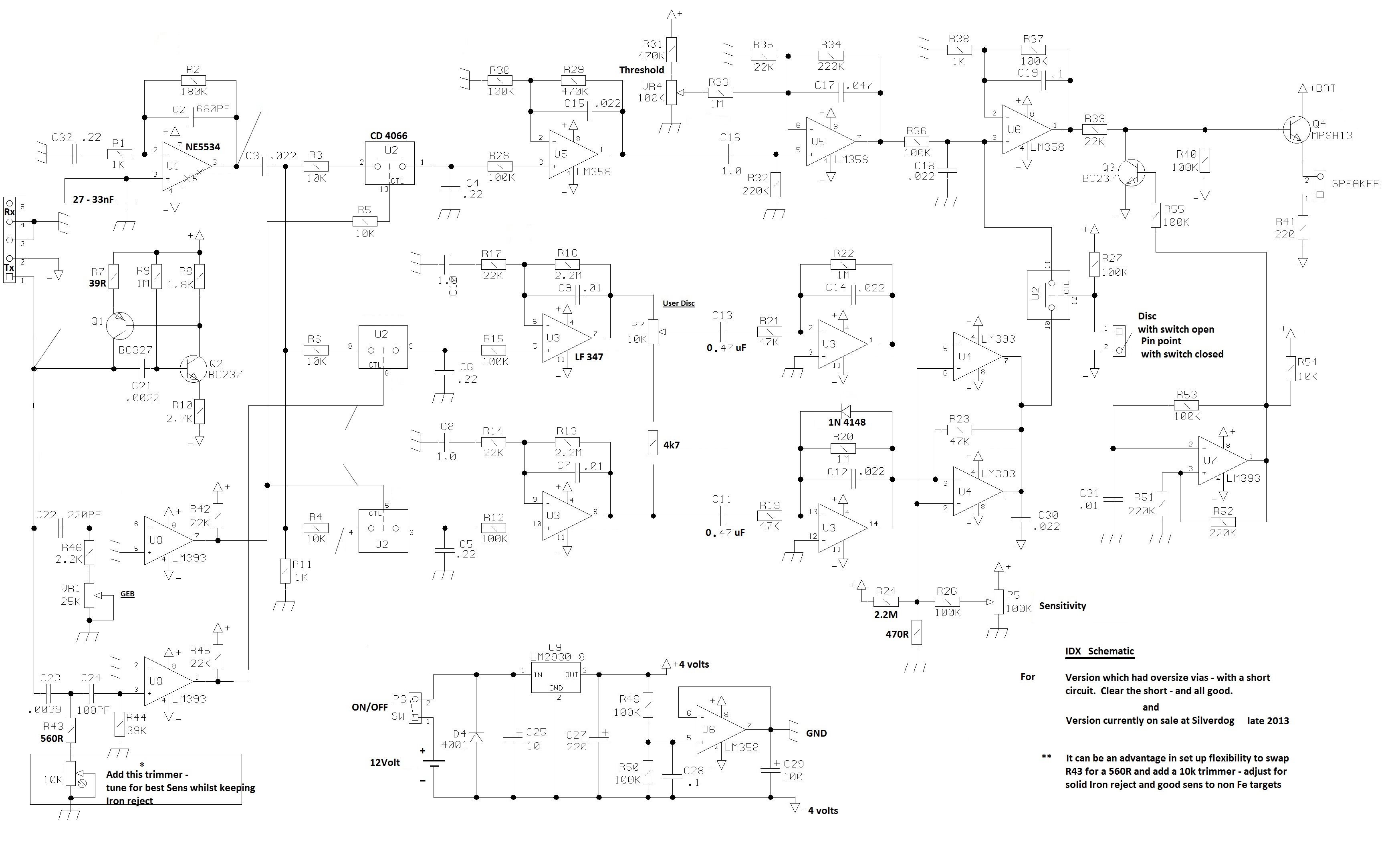
again thanks manOriginally posted by golfnut View PostI looked at the current release of PCB from Silverdog and also the pcb that had the oversize pads and a short circuit. This schematic goes with both. [ATTACH]27501[/ATTACH] There was an earlier release pcb which was a little different. All of them work. S
you are really perfect and i want for you best wishes
Comment
-
Hi everyone!
I build PCB (from Silverdog) and 27 DD coil from georgi(not filled with epox yet). I get 6,15kHz on TX.
Sensitive on silver ring ~20cm (~8 inches), but detector is really unstable ( somebody move in room where is detector, it starts beeping). If i turn on PP, detector become stable, but max deep on the same ring is ~4-5cm (less then 2 inches).
Maybe someone has i idea what problem i have?
P.s. I dont have oscilioscope.
Comment
-
Originally posted by Valters View PostHi everyone!
I build PCB (from Silverdog) and 27 DD coil from georgi(not filled with epox yet). I get 6,15kHz on TX.
Sensitive on silver ring ~20cm (~8 inches), but detector is really unstable ( somebody move in room where is detector, it starts beeping). If i turn on PP, detector become stable, but max deep on the same ring is ~4-5cm (less then 2 inches).
Maybe someone has i idea what problem i have?
P.s. I dont have oscilioscope.
Try put that board in micro wave
then set time to 10min then take it out
now test that if not working buy the new one again from silverdog
Comment
-
I think, that i will try Paku method, except part with microwawe!
Her is a fotos:
http://content31-foto.inbox.lv/album...jpg?1389023103
http://content31-foto.inbox.lv/album...jpg?1389023156
Comment
-
You have a few unknowns, and little way of viewing without scope.
To help the foto we need better. closer images we can read the resistor colours etc. plus a bit more resolution - file size.
The good start is "I get 8" on silver ring" so the disc and geb CH's appear to both work.
Can you reject ferrite
can you reject iron
can you accept ally, bronze, gold silver
For more sens you need to adjust the Rx cap either up or down by 1nF at a time and retest.
The initial phase you cant test.
The stability may improve by twisting the pot wires.
What volts do you have on the op amp rails --- put meter black on one of pcb corner holes
you could reduce Tx cap by a few nF to boost it up
make sure the resistor on the Tx transistor is 39 R
Comment
-
Greetings, I have a problem setting the detector are .... have a range of 30 cm to a coin ... but with much background noise interference is annoying ... I could not remove this noise will ... I'm not using the BC327 ... I'm using the other TNT159 not know if this affects? ... I already have that sound crazy interference ... ask for help .. sorry my translator does not use English
Comment
-
everywhere interference and annoying background noise ... lowest voltage I can download it a1, 2 volts on pin 6 U1 ... looking componetes ... I still can not get uid remove that line ... even an intermittent sound outside the house .. I fail to know that you may be going ... ask for help .. regards
Comment
-
ok,voltage at u1 piin 6 shoulld be (0.1-----0..2max)Originally posted by ricalbertvig View Posteverywhere interference and annoying background noise ... lowest voltage I can download it a1, 2 volts on pin 6 U1 ... looking componetes ... I still can not get uid remove that line ... even an intermittent sound outside the house .. I fail to know that you may be going ... ask for help .. regards
diid you use shield?
DD coil is more stable than cc coil
check cable connector it will make instability if it not good type
check ground balance potentiometer or replace it
Comment
-
Originally posted by golfnut View PostI did some target work over the w/e with my IDX
My main interest was small silver - I forged a coin blank in 99% silver 12mm dia.
Depth 6"
The aim was to try different Rx coil caps to peak sens at depth.
I also replaced the .22 on preamp for .1uF to raise centre freq.
Also I did this at 2 Tx freqs 8kHz and 11.5kHz.
On Rx, I used a cap switch block with 1n to 10n to try for highest controlled sens.
The best I got was at 11.5kHz with a suspect scratchy target signal - which was not repeatable. Sometimes it just got thru sometimes it didnt.
General, Disc all metal pot at 9 oclock - Iron disc'd out at 12 oclock
Gain/sens trvel/range perceivable but would be better with more range / action to it.
Threshold - little use - range/span too small - cant up thresh to small targets
Condition - Damp soil clay loam.
Conclusion - I think single ended dets had their day in the 80's - we should not make another one. Lets go for a decent full wave type next time and get to 6inches plus on small non fe targets.
Plus side - it works and very tolerant to coil variation.
I say - dont air test metal detectors.
S
HI GOLFNUT I feel that test is a positive test [Actual- field test as opposed to AIR-testing ''Great Message.''
I have read up to here all of the posts on the IDX-EDU as I have a kit Coming ..
A,,,, question reguarding DD coil 27CM for this MD ,,,HOW critical is the wire diameter ..?????????
I only have 0.24 & 0.66-68..
CHEERS & A big Thankyou to ALL who have posted on this Topic I have learned a LOT ........BARRY.. .
Comment

Comment