Originally posted by Hornbuckle
View Post
Announcement
Collapse
No announcement yet.
Announcement
Collapse
No announcement yet.
TESORO GOLDEN SABRE
Collapse
X
-
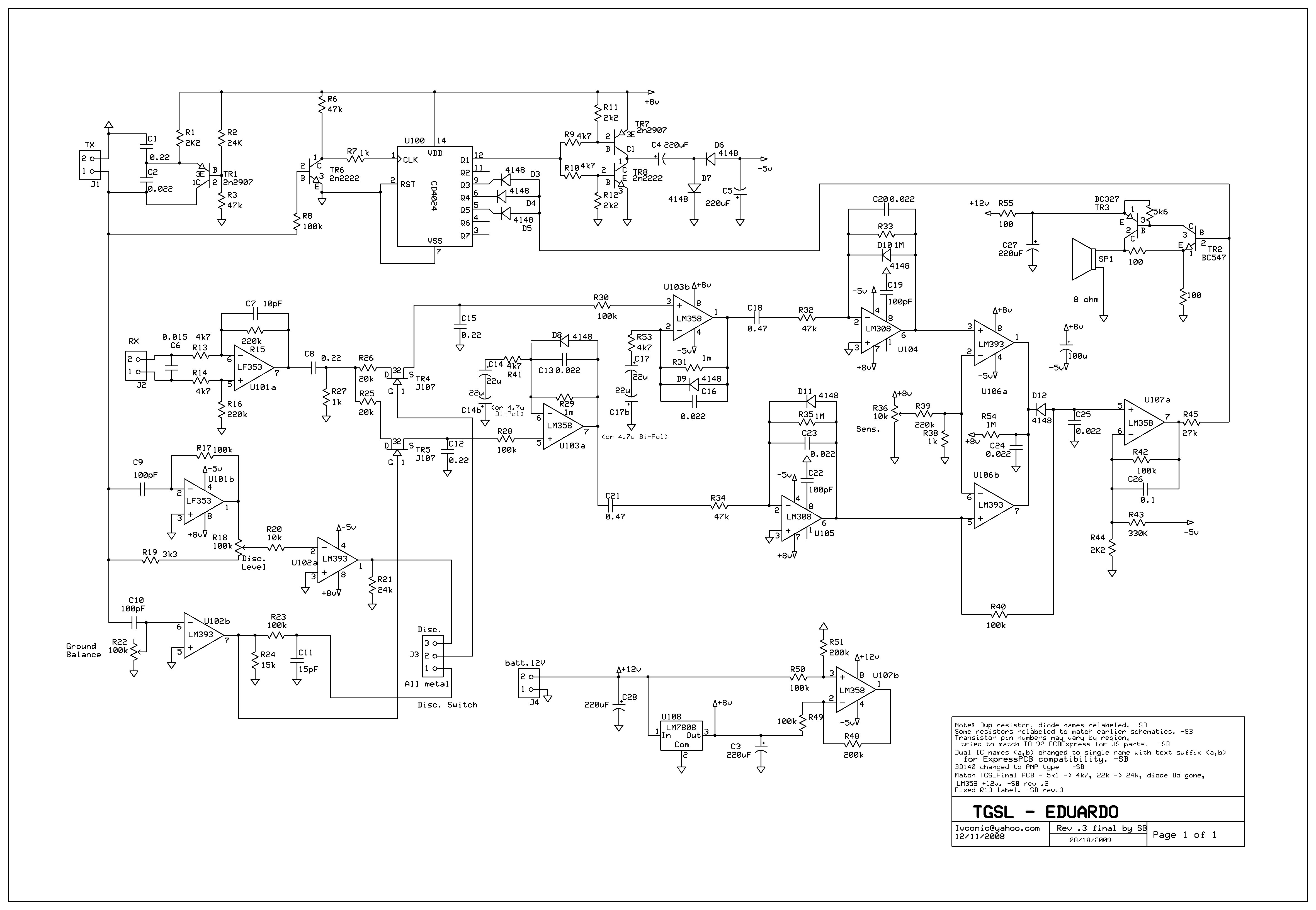
All its clear there is 2 types of TGSL. Both have slightly different parts.
Quiazi put the ivconic Version 3 info on a thread, so we can all see this.
The EduARDO VERSION SOLD at Silverdog - I cant find the correct schematic for this.
If there is no schematic for TGLS EDU, fine. - - - Then what are the exact difference between IVcon TGSL and Edu TGSL
(Silverdog has IGSL schematic for TGSL EDU, whoa come on guys)
S
Comment
-
Originally posted by golfnut View PostAll its clear there is 2 types of TGSL. Both have slightly different parts.
Quiazi put the ivconic Version 3 info on a thread, so we can all see this.
The EduARDO VERSION SOLD at Silverdog - I cant find the correct schematic for this.
If there is no schematic for TGLS EDU, fine. - - - Then what are the exact difference between IVcon TGSL and Edu TGSL
(Silverdog has IGSL schematic for TGSL EDU, whoa come on guys)
S
Hi, I want to build a metal detector on the first scheme. (TesorroGoldensabrezelfbouw1.zip (672.5 KB, 16954 views) it works well?
Comment
-
I've got only the jpg version. For simple drawings jpg is a very bad format because it is not scalable due to the artefacts that prevent enlargement and produce jagged edges. Gif and png are much better. they also produce ~10 times smaller files, clear win-winAttached Files
Comment
-
Thanks Davor - inevitable questions for this drawing..Originally posted by Davor View PostI've got only the jpg version. For simple drawings jpg is a very bad format because it is not scalable due to the artefacts that prevent enlargement and produce jagged edges. Gif and png are much better. they also produce ~10 times smaller files, clear win-win
The post det Filter Caps say 22uF (2off back to back to make a 10uF)
whereas
The note says or 4u7 non polarised.
Would you know whether the ~5 or the 10 uF is most appropriate.
S
Comment
-
That would depend mostly on your sweeping speed. However, if you go for larger capacitors it is highly advisable to replace the op amps in gain blocks with some FET input ones that have better 1/f noise performance, otherwise you'll have a lot of chatters (that are mostly due to the low frequency noise/fluctuation)
At detektorforum.de some people noticed improvement when two back to back capacitors are replaced with non polarised caps.
IMHO it is OK to go for lower HPF cut off, as the only drawbacks are 1/f noise and slower settling at power on. The 1/f problem is fixed with a better op amp, say TLC072, or even TL072. When redesigning for low speed motion make sure you also replace the 0.47uF capacitors with 1uF or so. You are hardly going to find plastic capacitors at "normal" physical size at values larger than 1uF though.
With slow motion sweep you are NOT losing anything at faster sweeping as the low pass cut off remains the same.
Comment
-
I am making coil for TGSL EDU.
Wound 107 turns on coil jig... standard dimensions from manual for TGSL Coil making
255x137 mm
0.25mm copper anameled wire
I have inductance of 6.53 mH and resistance of 27 ohms.
It is still on jig.
Is that OK ?
Can I remove it and get going with isolation and shielding ?
Comment
-
If it's already constrained with wire or if you use double sided jig, the value will stay almost the same. Maybe you could remove 1 or 2 turns, but there is no need to aim for the exact 6.5mH value.
The TGSL will accept some variations.
As explained in this thread, in the worst case, if you are really too far away from the recommended values, you'll have to change the oscillator's capacitor to adjust it to your inductance.
Comment
-
Originally posted by ivconic View PostWrong!
During process of nulling you not suppose to take iron as reference at all.
Yes it is nulled in All Metal mode. But you have to take ferrite rod as reference. GEB trimmer on 1/2. Null to position where ferrite rod is almost fully rejected - just to produce occasional "cracks". Ferrite rod is 5cm long and wide and slow swings are performed about 5-10cm over coil surface during nulling. When this achieved, later fine correction is done by slice readjustment of GEB trimmer...
Speaking of coil dimensions you are presenting here...i can suggest more turns; ~150 for RX and ~140 for TX.
Cheers!
any one have make this coil its work or not
Comment
-
Comment
-
Looks close to the correct number of turns if that is what you mean. Build it and let us know! Most important is that you get phasing correct as actual inductance can vary a bit. Also, your coil will be a bit heavier than normal.Originally posted by paku View Post[ATTACH]24919[/ATTACH]
This Coil Is right or wrong
Keep in mind though, if you want to build something different than what has been built and tested by many others we cannot help you much.
With that said, I have had fun building all kinds of different size coils. Most all have worked pretty well so long as I kept the inductances or phasing close to spec..
Comment

Comment